Filtrowanie pytań
Wykonywanie płaszczy ochronny…
A. giętarkach trzpieniowych.
B. krawędziarkach.
C. giętarkach kuszowych.
D. prościarkach.
Wykonywanie płaszczy ochronny…
Który rysunek przedstawia żłobiarkę do blachy?
A. Rysunek 3

B. Rysunek 2

C. Rysunek 4

D. Rysunek 1

Wykonywanie płaszczy ochronny…
Pojedyncze segmenty płaszcza denka wypukłego zbiornika należy wykonać, stosując
A. łączenie nakładką z odsadzka.
B. łączenie na rozwalcowanie.
C. rowek czołowy i zwykłe zakończenie na przeciwległych krawędziach.
D. rowek wypukły i wklęsły na przeciwległych krawędziach.
Wykonywanie płaszczy ochronny…
Ile należy zapłacić za 42 m² blachy trapezowej ocynkowanej o grubości 0,5 m do wykonania naprawy płaszcza ochronnego na powierzchni zbiornika, jeżeli cena za 1 m² wynosi 15,20 zł?
A. 638,40 zł
B. 608,40 zł
C. 600,00 zł
D. 630,00 zł
Wykonywanie płaszczy ochronny…
Na którym rysunku przedstawiono nieprawidłowy sposób posługiwania się narzędziami do obróbki blachy?
A. Rysunek 1

B. Rysunek 3

C. Rysunek 2

D. Rysunek 4

Wykonywanie płaszczy ochronny…
Pojawienie się na płaszczu wykonanym z blachy uszkodzeń zachodzących równomiernie na całej powierzchni świadczy o wystąpieniu korozji
A. równomiernej
B. kontaktowej
C. naprężeniowej
D. wżerowej
Wykonywanie płaszczy ochronny…
Obwód wyciętego z blachy ocynkowanej elementu, przedstawionego na rysunku, wynosi

A. 25 cm
B. 50 cm
C. 31 cm
D. 32 cm
Wykonywanie płaszczy ochronny…
Do połączenia dwóch arkuszy blachy z zastosowaniem przedstawionych na rysunku nitów należy zastosować

A. zaciskarkę.
B. szczypce.
C. nitownicę.
D. wkrętarkę.
Wykonywanie płaszczy ochronny…
Koszt wynajęcia podnośnika koszowego do pomalowania ściany zbiornika wynosi 77 zł/1h. Ile kosztuje wynajem podnośnika na 8 godzin?
A. 600 zł
B. 560 zł
C. 500 zł
D. 616 zł
Wykonywanie płaszczy ochronny…
Do wykonania odpowiednio zaginanej i kantowanej blachy kopertowej, z której wykonany został przedstawiony na rysunku płaszcz ochronny zbiornika, wykorzystano blachy

A. podestowe.
B. płaskie.
C. perforowane.
D. faliste.
Wykonywanie płaszczy ochronny…
Jaki będzie koszt ocynkowania ogniowego i malowania proszkowego wraz z czyszczeniem 245 kg blachy, jeżeli cena za wykonanie tych zabiegów na 1 kg blachy wynosi 2,60 zł?
A. 624,00 zł
B. 637,00 zł
C. 504,70 zł
D. 660,40 zł
BUD.07 Pytanie 52
Wykonywanie płaszczy ochronny…
Na rysunku została przedstawiona kształtka umożliwiająca zwężenie lub rozszerzenie średnicy przewodu wentylacyjnego. Jest to

A. redukcja symetryczna segmentowa.
B. redukcja asymetryczna segmentowa.
C. przepustnica jednopłaszczyznowa.
D. przepustnica jednopłaszczyznowa okrągła.
Wykonywanie płaszczy ochronny…
Na rysunku przedstawiono osłonę z blachy aluminiowej na powierzchnie

A. rombowe.
B. walcowe.
C. płaskie.
D. skośne.
Wykonywanie płaszczy ochronny…
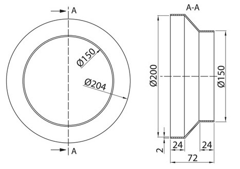
Średnica zewnętrzna przedstawionej na rysunku redukcji wynosi

A. 150 mm
B. 24 mm
C. 204 mm
D. 72 mm
Wykonywanie płaszczy ochronny…
Wymiary gabarytowe arkusza blachy ocynkowanej należy zmierzyć przy użyciu
A. mikromierza.
B. przymiaru.
C. dalmierza.
D. suwmiarki.
Wykonywanie płaszczy ochronny…
Do rekonstrukcji elementu płaszcza ochronnego wykonanego z blachy i wykonania rowka przeciwwodnego należy zastosować
A. zwojarkę krawędziową i nożyce gilotynowe.
B. zwijarkę trójwalcową i żłobiarkę.
C. żłobiarkę i zwojarkę krawędziową.
D. zwijarkę trójwalcową i krawędziarkę.
Wykonywanie płaszczy ochronny…
Na fragmentach trasy izolacji, w których rurociągi zmniejszają lub zwiększają swoje średnice, należy zastosować przedstawiony na rysunku

A. dekel.
B. króciec.
C. stożek.
D. kaptur.
BUD.07 Pytanie 58
Wykonywanie płaszczy ochronny…
Zjawisko powstawania „białej rdzy” pojawiający się na konstrukcjach wsporczych dotyczy procesu korozyjnego

A. brązu.
B. żeliwa.
C. miedzi.
D. cynku.
Wykonywanie płaszczy ochronny…
W celu ochrony blach stalowych przed korozją należy pokryć je warstwą
A. żeliwa.
B. chlorku.
C. fluorku.
D. cynku.
Wykonywanie płaszczy ochronny…
Do wykonania konstrukcji nośnej przedstawionej na rysunku należy przygotować

A. 2 opaski zaciskowe, 6 śrub i 4 nity.
B. 2 pierścienie zaciskowe, 6 nitów i 4 śruby.
C. 2 oringi zaciskowe, 6 kołków i 4 zamki.
D. 2 obręcze zaciskowe, 6 zawleczek i 4 kotwy.
Wykonywanie płaszczy ochronny…
Na rysunku przedstawiono

A. mostki termiczne.
B. przekładki izolacyjne.
C. pierścienie oporowe.
D. talerzyki zaciskowe.
Wykonywanie płaszczy ochronny…
Na zaworze rurociągu należy wykonać płaszcz ochronny w postaci
A. dennicy.
B. kaptura.
C. prostki.
D. redukcji.
Wykonywanie płaszczy ochronny…
Odpowiednią wytrzymałość na obciążenia statyczne i dynamiczne oraz ograniczenie punktowych mostków cieplnych gwarantuje zastosowanie konstrukcji
A. wsporczej.
B. zespolonej.
C. mieszanej.
D. osłonowej.
Wykonywanie płaszczy ochronny…
Na rysunku przedstawiono trasowanie na arkuszu blachy przy użyciu

A. przymiaru traserskiego.
B. środkownika.
C. pryzmy.
D. szablonu traserskiego.
Wykonywanie płaszczy ochronny…
Przedstawione na rozwinięciu elementy po wytrasowaniu i wycięciu będą wykorzystane do zmontowania zaworowego

A. króćca dwuczęściowego.
B. kaptura jednoczęściowego.
C. króćca jednoczęściowego.
D. kaptura dwuczęściowego.
BUD.07 Pytanie 66
Wykonywanie płaszczy ochronny…
Przedstawiony na rysunku króciec płaszcza ochronnego izolacji jest fragmentem trójnika

A. prostego o różnych średnicach rur.
B. prostego o równych średnicach rur.
C. skośnego o równych średnicach rur.
D. skośnego o różnych średnicach rur.
Wykonywanie płaszczy ochronny…
Wymiary przekrojów pierścieni nośnych konstrukcji wraz z odstępnikami wykonanymi z bednarki lub płaskownika zależą od
A. grubości ściany obiektu izolowanego.
B. prędkości czynnika przepływającego obiektem izolowanym.
C. średnicy zewnętrznej obiektu izolowanego.
D. właściwości czynnika przepływającego obiektem izolowanym.
Wykonywanie płaszczy ochronny…
Pracownik obsługujący nożyce gilotynowe powinien stosować
A. fartuch skórzany i gumowe rękawice.
B. odzież ochronną i rękawice robocze.
C. ochraniacze słuchu i rękawice ochronne.
D. fartuch skórzany i okulary ochronne.
Wykonywanie płaszczy ochronny…
Celem wyeliminowania mostków termicznych na konstrukcję wsporczą należy zastosować elementy

A. gipsowe.
B. gliniane.
C. plastikowe.
D. ceramiczne.
Wykonywanie płaszczy ochronny…
Do wykonania kopertowania blachy płaskiej należy użyć
A. krawędziarki.
B. nożyc.
C. zaciskarki.
D. żłobiarki.
Wykonywanie płaszczy ochronny…
Do obróbek blacharskich należy zastosować przedstawioną na rysunku

A. giętarkę.
B. zwijarkę.
C. zaginarkę.
D. walcarkę.
Wykonywanie płaszczy ochronny…
Cena katalogowa kolanka segmentowego o kącie 90°, średnicy 210 mm, wykonanego z blachy ocynkowanej i składającego się z trzech segmentów wynosi 18,00 zł/szt. Ile będzie kosztowało kolanko, jeżeli producent podaje, że do ceny katalogowej należy doliczyć 23% podatku VAT?
A. 23,86 zł
B. 22,14 zł
C. 34,40 zł
D. 27,60 zł
BUD.07 Pytanie 73
Wykonywanie płaszczy ochronny…
Na podstawie danych w tabeli oraz rysunku określ masę kolana o średnicy 650 mm i kącie 30°.

A. 8,40 kg
B. 9,40 kg
C. 10,90 kg
D. 12,50 kg
Wykonywanie płaszczy ochronny…
Aby wykonać zabezpieczenie antykorozyjne rurociągu o powierzchni 75 m², pobrano z magazynu 12 wiaderek farby o pojemności 5 litrów. Oblicz, ile wiaderek farby zabrakło lub zostało, zakładając zużycie 0,6 litra na 1 m².
A. Zostały 3 wiaderka.
B. Zostały 2 wiaderka.
C. Zabrakło 3 wiaderek.
D. Zabrakło 2 wiaderek.
Wykonywanie płaszczy ochronny…
Jakiego rodzaju połączenia nie należy wykonywać przy uzupełnianiu brakujących szpilek mocujących izolację?
A. Spawanego.
B. Klejonego.
C. Gwintowanego.
D. Zgrzewanego.
Wykonywanie płaszczy ochronny…
Przy wyborze nita należy kierować się nie tylko jego średnicą odcinka roboczego, ale również
A. długością.
B. gęstością.
C. kolorem.
D. szerokością.
Wykonywanie płaszczy ochronny…
Średnica płaszcza D dla średnicy zewnętrznej rury ø 267 mm i grubości izolacji 60 mm wynosi

A. 450 mm
B. 380 mm
C. 400 mm
D. 440 mm
Wykonywanie płaszczy ochronny…
Koszt netto nitownicy pneumatycznej wynosi 565,00 zł. Jaki będzie koszt zakupu tej nitownicy po uwzględnieniu podatku wynoszącego 23%?
A. 676,50 zł
B. 694,95 zł
C. 665,00 zł
D. 615,00 zł
Wykonywanie płaszczy ochronny…
Na podstawie tabeli określ, dla jakiej średnicy zewnętrznej rury średnica płaszcza wynosi 260 mm, a grubość izolacji 80 mm.

A. 70 mm
B. 89 mm
C. 76 mm
D. 108 mm
BUD.07 Pytanie 80
Wykonywanie płaszczy ochronny…
Zastosowanie warstwy zabezpieczającej z powłoki malarskiej na styku pierścienia nośnego z blachą, z której wykonany został płaszcz ochronny, pozwala uniknąć
A. korozji kontaktowej.
B. pękania blachy.
C. wybrzuszenia blachy.
D. korozji naprężeniowej.