Filtrowanie pytań
Eksploatacja układów automaty…
A. Czujnik Ni1000
B. Czujnik J
C. Czujnik CTR
D. Czujnik PT100
Eksploatacja układów automaty…
Które z wymienionych w tabeli czynności wchodzą w zakres kontroli układu automatyki linii produkcyjnej, jeżeli od ostatniej kontroli w pełnym zakresie upłynął 1 tydzień?
| Lp. | Czynność | Częstotliwość |
|---|---|---|
| 1 | Sprawdzenie mocowania detektora do podłoża | 1 raz dziennie |
| 2 | Kontrola obwodu zasilania i połączeń elektrycznych | 1 raz dziennie |
| 3 | Kontrola połączeń sygnałowych według wytycznych zapisanych w dokumencie „Sprawdzanie wszystkich połączeń zewnętrznych (elektrycznych i mechanicznych) na elementy systemu detekcji" | co 7 dni |
| 4 | Sprawdzanie detekcji z pomocą wzorców kalibracyjnych zgodnie z wewnątrz zakładowymi normami bezpieczeństwa | co 14 dni |
| 5 | Dostrojenie detektora | co 30 dni |
| 6 | Gruntowne czyszczenie detektora | co 30 dni |
A. 5, 6
B. 1, 2, 3
C. 1, 3, 5
D. 2, 4
Eksploatacja układów automaty…
Który przyrząd powinien być użyty w celu dokładnego pomiaru rezystancji z przedziału od 109 do 1010 Ω?
A. Mostek Thomsona.
B. Galwanometr.
C. Mostek Wiena.
D. Gigaomomierz.
Eksploatacja układów automaty…
Sterownik PLC posiada wejścia cyfrowe aktywowane stanem wysokim. Które kolory przewodów czujnika zbliżeniowego indukcyjnego należy przygotować, aby wykrycie przez ten czujnik elementu metalowego skutkowało podaniem stanu wysokiego na wejście cyfrowe sterownika PLC?

A. Brązowy, niebieski i biały.
B. Niebieski, biały i czarny.
C. Biały, brązowy, czarny.
D. Czarny, brązowy i niebieski.
Eksploatacja układów automaty…
Którego z wymienionych urządzeń dotyczą dane znamionowe przedstawione w tabeli?
| Dane znamionowe | |
|---|---|
| Napięcie zasilające | 230 V, 50 Hz |
| Maksymalny prąd obciążenia | 55 A |
| Napięcie wyjściowe | 12 V |
| Prąd w stanie jałowym | 105 mA |
| Straty mocy w rdzeniu | 43 W |
| Temperatura otoczenia | 35 °C |
| Wymiary | 180/70/98 mm |
| Masa | 8,2 kg |
A. Silnika elektrycznego.
B. Dławika.
C. Transformatora.
D. Regulatora temperatury.
Eksploatacja układów automaty…
Którą czynność naprawczą w instalacji automatyki można wykonać dzięki zestawowi narzędzi przedstawionemu na rysunku?

A. Lutowanie.
B. Klejenie.
C. Nitowanie.
D. Spawanie.
Eksploatacja układów automaty…
Ile trwa całkowite wysunięcie trzpienia siłownika liniowego na podstawie jego dokumentacji technicznej?
| Dane techniczne siłownika: | |
|---|---|
| - napięcie zasilania 24 V DC - natężenie prądu elektrycznego max 2,5 A - natężenie prądu jałowego bez obciążenia około 0,8 A - uciąg (siła) maksymalny na pchanie 900 N - uciąg (siła) maksymalny na ciągnięcie 600 N - wbudowane 2 stałe wyłączniki krańcowe - prędkość wysuwu do około 8,6 mm/s - wysuw siłownika 100 mm - cykl pracy 15% (1,5 minuty pracy i 8,5 minuty przerwy) - waga około 1 kg | |

A. Około 11,6 sekundy.
B. Około 10,0 minuty.
C. Około 1,5 minuty.
D. Około 8,6 sekundy.
ELM.04 Pytanie 8
Eksploatacja układów automaty…
Która czynność nie należy do zakresu przeglądów okresowych instalacji pomiarowej w układach automatycznej regulacji?
A. Regeneracja izolacji sieciowych przewodów zasilających.
B. Sprawdzenie zakresów sygnałów wyjściowych przetworników.
C. Kalibracja położenia pomiarowego czujników.
D. Sprawdzenie działania przyrządów wskaźnikowych.
Eksploatacja układów automaty…
Czujnik indukcyjny zbliżeniowy o strefie działania 15 mm dla stali miękkiej jest ustawiony w odległości 12 mm od elementów wykonanych z tej stali i zliczanych na taśmie produkcyjnej. O jaką minimalną odległość należy przybliżyć czujnik, aby skutecznie wykrywał elementy wykonane z mosiądzu?
| Rodzaj materiału | Współczynnik korekcji |
|---|---|
| Stal miękka | 1,0 |
| Stal nierdzewna | 0,7 |
| Mosiądz | 0,4 |
| Miedź | 0,2 |
| Aluminium | 0,3 |
A. 4 mm
B. 2 mm
C. 3 mm
D. 6 mm
Eksploatacja układów automaty…
Którego klucza należy użyć w celu wymiany czujników indukcyjnych przedstawionych na rysunku?

A. Płaskiego.
B. Nasadowego.
C. Imbusowego.
D. Hakowego.
Eksploatacja układów automaty…
Którą z wymienionych korekt należy wprowadzić w układzie, aby sygnalizator H1 sygnalizujący pracę układu migał z częstotliwością 0,5 Hz?

A. Zmiana ustawień czasu na 0,5 sekundy na obu przekaźnikach czasowych -K2 i -K3
B. Zmiana ustawień czasu z 1 na 2 sekundy tylko na przekaźniku czasowym -K3
C. Zmiana ustawień czasu z 2 na 1 sekundę tylko na przekaźniku czasowym -K2
D. Zmiana ustawień czasu na 2 sekundy na obu przekaźnikach czasowych -K2 i -K3
Eksploatacja układów automaty…
Który z wymienionych czujników pomiarowych umożliwi pomiar temperatury, podając bezpośrednio na swoim wyjściu wartość napięcia odpowiadającą wartości mierzonej wielkości?
A. Czujnik Ni1000
B. Czujnik typu J
C. Czujnik Pt100
D. Czujnik PTC
Eksploatacja układów automaty…
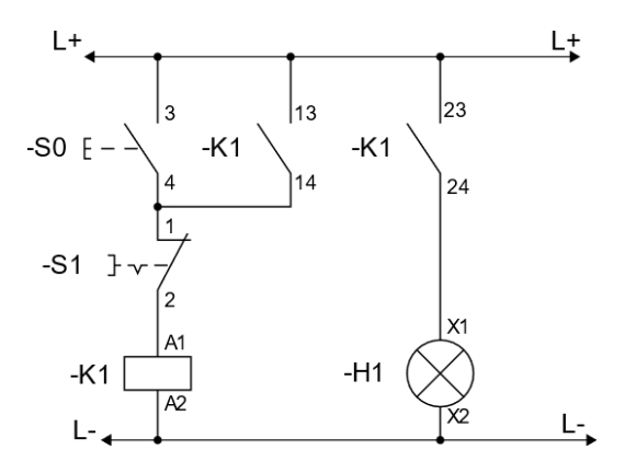
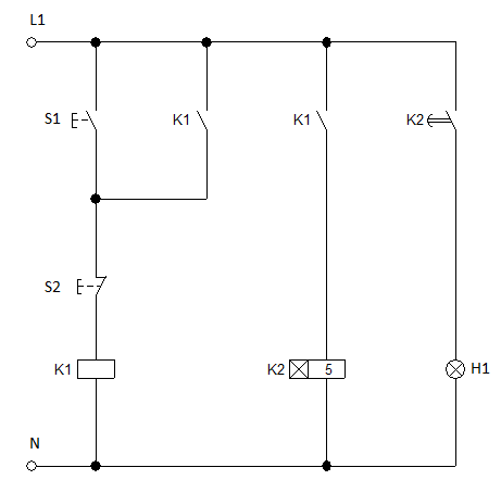
W układzie przedstawionym na rysunku wciśnięcie przycisku S0 powoduje zapalenie się lampki sygnalizacyjnej H1, natomiast z chwilą puszczenia przycisku S0 lampka H1 gaśnie. Jedną z przyczyn wadliwego działania układu może być nieciągłość połączenia

A. -H1:X2/L-.
B. L+/-K1:23.
C. L+/-K1:13.
D. -K1:A2/L-.
Eksploatacja układów automaty…
W instalacji automatyki użyto przyrządu pomiarowego, którego parametry techniczne przedstawia tabela. Do pomiaru której wielkości przeznaczony jest przyrząd?
| Nazwa parametru | Wartości parametrów |
|---|---|
| Zakres | 0 ÷ 100 % RH |
| Rozdzielczość | 0,1 % RH |
| Dokładność (± 1 cyfra) | 10 ÷ 90 % RH ±2 % poza tym zakresem ±4 % |
| Czas reakcji czujnika RH t90 | < 10 s |
| Histereza | < 1 % RH |
| Dryft długoterminowy | 0,5 % RH / rok |
| Parametry przekaźników | 2A/250VAC/30VDC |
| Klasa izolacji | wg PN-83/T-06500 |
| Zakłócenia radioelektryczne | poziom N |
| Zasilanie | zasilacz 12 V / 100 mA |
| Masa | 180 g |
| Wymiary (mm) | L=149, W=82, H=22 |
A. Lepkości.
B. Temperatury.
C. Wilgotności względnej.
D. Ciśnienia absolutnego.
Eksploatacja układów automaty…
Na wyświetlaczu przemiennika częstotliwości został wyświetlony błąd o kodzie E.SER. Oznacza to, że działania naprawcze powinny być ukierunkowane na sprawdzenie i ewentualną naprawę w obwodzie
| Klasyfikacja błędów | Kod błędu na wyświetlaczu | Znaczenie |
|---|---|---|
| Błąd mniejszy | FN | Uszkodzenie wentylatora przetwornicу |
| Błąd krytyczny | E.FIN | Przegrzanie radiatora |
| E.IPF | Chwilowe zaniki napięcia zasilania | |
| E.ILF | Brak fazy wejściowej | |
| E.OLF | Brak fazy wyjściowej | |
| E.SER | Błąd komunikacji | |
| E.P24 | Zwarcie wyjścia zasilacza 24 V DC |
A. zasilania przemiennika z sieci.
B. zasilania silnika z przemiennika.
C. zasilania układu sterowania.
D. komunikacji szeregowej przemiennika.
Eksploatacja układów automaty…
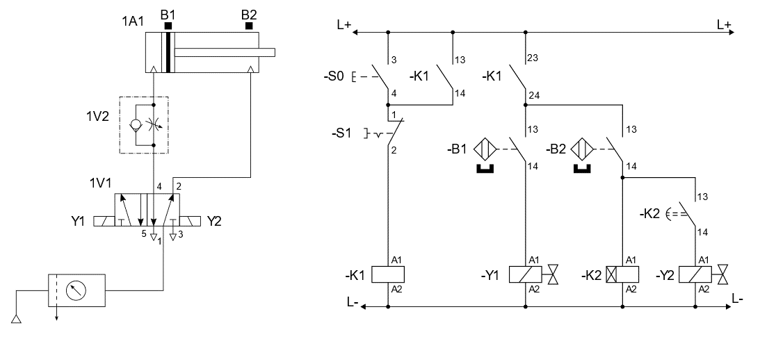
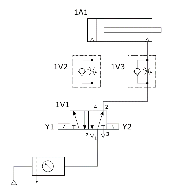
W układzie elektropneumatycznym przedstawionym na rysunku po wciśnięciu przycisku S0 tłoczysko siłownika 1A1 wysuwa się, natomiast nie wsuwa się, mimo iż przekaźnik czasowy K2 odliczył czas 10 sekund. Powodem wadliwej pracy układu może być usterka polegająca na

A. nieciągłości połączenia -Y1:A2/L-
B. nieciągłości połączenia -Y2:A2/L-
C. niesprawności czujnika B2
D. niesprawności czujnika B1
Eksploatacja układów automaty…
Który rysunek przedstawia wyłącznik silnikowy zapewniający prawidłowe zabezpieczenie silnika posiadającego znamionowe dane prądowo-napięciowe podane w ramce.
A. Rysunek 3.

B. Rysunek 2.

C. Rysunek 1.

D. Rysunek 4.

Eksploatacja układów automaty…
Jakiego rodzaju działań naprawczych nie wykonuje się w przypadku elektropneumatycznych układów sterowania?
A. Usuwania nieszczelności.
B. Kontroli przecieków.
C. Sprawdzenia połączeń pneumatycznych.
D. Naprawy połączeń elektrycznych.
Eksploatacja układów automaty…
Na podstawie wyników pomiarów przedstawionych w tabeli, ustalając ocenę stanu technicznego badanych czujników, można stwierdzić, że czujniki, które powinny zostać wycofane z dalszej eksploatacji, to

A. B2 i B3.
B. B1 i B2.
C. B1, B2 i B3.
D. B1 i B3.
Eksploatacja układów automaty…
Do pomiaru zdalnego w instalacji automatyki użyto miernika z wyjściem pracującym w pętli prądowej 0 - 20 mA, którego parametry techniczne przedstawia tabela. Wynika z niej, że mierzoną w instalacji wielkością jest
| Nazwa parametru | Wartości parametrów |
|---|---|
| Zakres | 0 ÷ 100 % RH |
| Rozdzielczość | 0,1 % RH |
| Dokładność (± 1 cyfra) | 10 ÷ 90 % RH ±2 % poza tym zakresem ±4 % |
| Czas reakcji czujnika RH t90 | < 10 s |
| Histereza | < 1 % RH |
| Dryft długoterminowy | 0,5 % RH / rok |
| Parametry przekaźników | 2A/250VAC/30VDC |
| Klasa izolacji | wg PN-83/T-06500 |
| Zakłócenia radioelektryczne | poziom N |
| Zasilanie | zasilacz 12 V / 100 mA |
| Masa | 180 g |
| Wymiary (mm) | L=149, W=82, H=22 |
A. stężenie pH.
B. ciśnienie.
C. wilgotność.
D. temperatura.
Eksploatacja układów automaty…
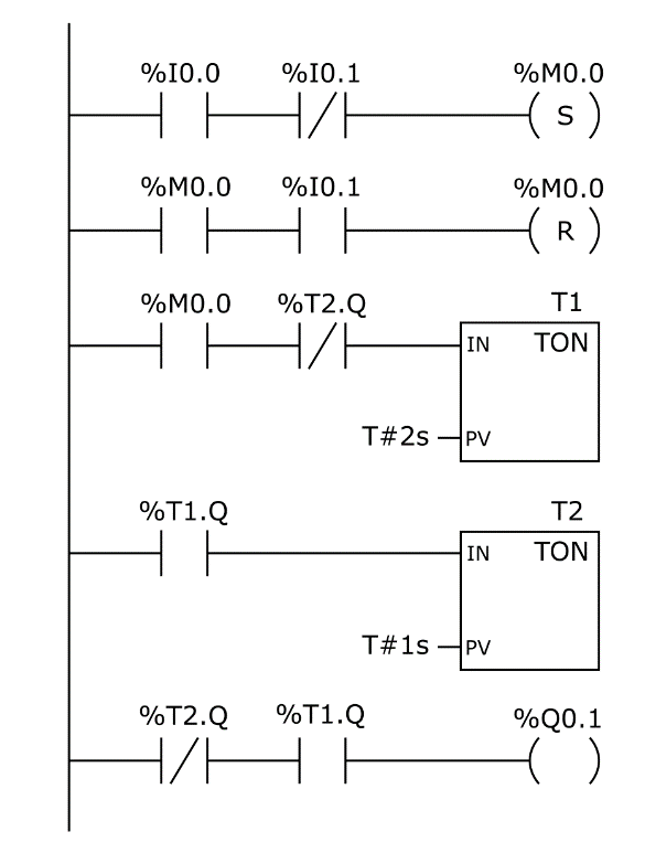
Która z wymienionych korekt wprowadzonych do programu przedstawionego na rysunku zagwarantuje dłuższy czas trwania stanu wysokiego na wyjściu Q0.1?

A. Zwiększenie wartości PV czasomierza T2.
B. Zmniejszenie wartości PV czasomierza T2.
C. Zwiększenie wartości PV czasomierza T1.
D. Zmniejszenie wartości PV czasomierza T1.
Eksploatacja układów automaty…
Na podstawie przedstawionych w tabeli wyników pomiarów parametrów wyłączników różnicowoprądowych wskaż, które z wyłączników nie mogą być dalej eksploatowane w instalacji automatyki.
| Lp. | Typ wyłącznika różnicowoprądowego | Działanie TEST | IΔn mA | Iw mA | tw ms | tz ms |
|---|---|---|---|---|---|---|
| 1. | P 304 80-300-S | Nie | 300 | 315 | 252 | 500 |
| 2. | P 304 25-100-AC | Tak | 100 | 68 | 75 | 200 |
| 3. | P 304 25-30-AC | Tak | 30 | 47 | 126 | 200 |
| 4. | P 312 B-20-30-AC | Tak | 30 | 28 | 47 | 200 |
| 5. | P 312 B-20-30-AC | Tak | 30 | 22 | 25 | 200 |
| 6. | P 312 B-20-30-AC | Tak | 30 | 20 | 180 | 200 |
| IΔn – prąd różnicowy znamionowy, mA Iw – zmierzony prąd różnicowy zadziałania, mA tw – zmierzony czas zadziałania, ms tz – największy dopuszczalny czas zadziałania, ms | ||||||
A. 2 i 5
B. 3 i 6
C. 1 i 3
D. 2 i 4
Eksploatacja układów automaty…
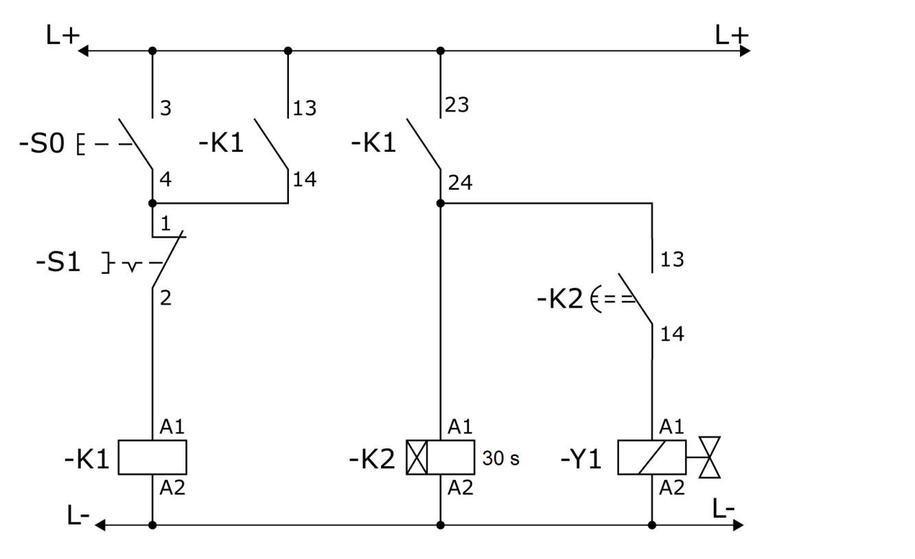
W układzie elektropneumatycznym przedstawionym na rysunkach nie dochodzi do załączenia cewki K2 przekaźnika czasowego pomimo maksymalnego wysunięcia tłoczyska siłownika 1A1 i sprawnych wszystkich elementów elektrycznych. Przyczyną powstałej usterki w działaniu układu może być

A. brak napięcia zasilania układu elektropneumatycznego.
B. zbyt niskie ciśnienie robocze w układzie.
C. błędne/niewłaściwe umiejscowienie czujnika B2.
D. całkowite otwarcie zaworu 1V2.
ELM.04 Pytanie 24
Eksploatacja układów automaty…
W jakiej kolejności należy wykonać wymienione w tabeli działania naprawcze mające na celu usunięcie usterek w systemie sterowania, w którym użyto sterownik PLC?
| Nr czynności | Działania naprawcze / czynności |
|---|---|
| 1 | Przygotowanie przewodów elektrycznych i wykonanie połączeń elementów I/O ze sterownikiem. |
| 2 | Usunięcie uszkodzonych połączeń między elementami I/O a sterownikiem. |
| 3 | Sprawdzenie poprawności wykonania nowych połączeń elementów I/O ze sterownikiem. |
| 4 | Interpretacja otrzymanych przed naprawą wyników pomiarów rezystancji połączeń elementów I/O ze sterownikiem |
A. 3-4-2-1
B. 1-2-3-4
C. 2-4-1-3
D. 4-2-1-3
ELM.04 Pytanie 25
Eksploatacja układów automaty…
Parametry przedstawione w tabeli dotyczą
| Stopień ochrony | IP65, IP67 | Parametr do wyboru |
| Średnica wałka | Ø6, Ø 10 mm | Parametr do wyboru |
| Typ wyjścia/zasilanie | TTL– RS422/5…30 VDC, HTL– Push-pull / 5…30 VDC, NPN – Open collector / 5…30 VDC | Parametr do wyboru |
| Typ połączenia | Konektor M12 8-pin (osiowo lub promieniowo) Kabel 1 m (osiowo lub promieniowo) | Parametr do wyboru |
| Liczba impulsów | 1, 2, 4, 5, 10, 12, 20, 25, 28, 30, 32, 36, 50, 60, 64, 80, 100, 120, 125, 150, 180, 200, 240, 250, 300, 360, 400, 500, 600, 720, 800, 900, 1000, 1200, 1500, 1800, 2000, 2500, 3000, 4000, 5000 imp./obr. | Parametr do wyboru |
| Temperatura pracy | – 40…+ 85 °C | – |
| Częstotliwość impulsów | Max. 300 kHz | – |
| Kanały wyjściowe | A, B, Z/A/B/Z | – |
A. enkodera cyfrowego.
B. czujnika temperatury.
C. silnika liniowego.
D. zasilacza impulsowego.
Eksploatacja układów automaty…
Na podstawie przedstawionych w tabeli wyników pomiarów parametrów wyłączników różnicowoprądowych wskaż, które z wyłączników mogą być dalej eksploatowane w instalacji automatyki.
| Lp. | Typ urządzenia różnicowoprądowego | Test | IDn mA | Iw mA | tw ms | tz ms |
|---|---|---|---|---|---|---|
| 1. | P 304 80-500-S | T | 500 | 315 | 252 | 500 |
| 2. | P 304 25-100-AC | N | 100 | 68 | 45 | 200 |
| 3. | P 304 25-30-AC | T | 30 | 33 | 26 | 200 |
| 4. | P 312 B-20-30-AC | T | 30 | 11 | 47 | 200 |
| 5. | P 312 B-20-30-AC | T | 30 | 22 | 25 | 200 |
| 6. | P 312 B-20-30-AC | T | 30 | 22 | 215 | 200 |
| IDn – prąd różnicowy urządzenia różnicowoprądowego, mA Iw – zmierzony prąd różnicowy zadziałania, mA tw– zmierzony czas zadziałania, ms | ||||||
A. 3, 5 i 6
B. 2, 3 i 6
C. 1, 4 i 5
D. 1, 2 i 3
Eksploatacja układów automaty…
Który rysunek przedstawia przyrząd do pomiaru ciśnienia w układzie pneumatycznym?
A. Rysunek 4.

B. Rysunek 3.

C. Rysunek 1.

D. Rysunek 2.

Eksploatacja układów automaty…
W układzie napędowym złożonym z silnika indukcyjnego klatkowego oraz przemiennika częstotliwości wykonano pomiary wibroakustyczne. Okazało się, że zarówno poziom hałasu, jak i poziom drgań mierzonych na obudowie łożysk silnika, wzrósł o 50% w stosunku do wartości zmierzonych przed dopuszczeniem układu do eksploatacji. Takie symptomy mogą wskazywać na zły stan techniczny
A. instalacji zasilającej układ napędowy.
B. silnika użytego w napędzie.
C. przetwornicy częstotliwości.
D. instalacji połączeń elektrycznych w układzie.
Eksploatacja układów automaty…
Pomiar którego parametru wyłącznika RCD został przedstawiony na rysunku?

A. Rezystancji izolacji.
B. Natężenia prądu zadziałania.
C. Czasu zadziałania.
D. Natężenia prądu obciążenia.
Eksploatacja układów automaty…
Dla których napędów silosów w kolumnie Ocena stanu technicznego należy wpisać ocenę A, odpowiadającą dobremu stanowi technicznemu?

A. Wszystkim trzem napędom silosów
B. Tylko Silo1-M01 – 22kW
C. Silo1-M01 – 22kW oraz Silo2-M02 – 22kW
D. Tylko Silo2-M02 – 22kW
Eksploatacja układów automaty…
Na podstawie zamieszczonego fragmentu dokumentacji technicznej przemiennika częstotliwości można obliczyć czas przyspieszenia i hamowania silnika podłączonego do urządzenia. Wartość tych czasów dla parametru Fn_01 = 2 sekundy i dla parametru Fn_02 = 4 sekundy przy zadanej częstotliwości 60 Hz będzie odpowiednio wynosiła:

A. przyspieszenie 4 sekundy, hamowanie 2 sekundy.
B. przyspieszenie 2 sekundy, hamowanie 4 sekundy.
C. przyspieszenie 2,4 sekundy, hamowanie 4,8 sekundy.
D. przyspieszenie 4,8 sekundy, hamowanie 2,4 sekundy.
Eksploatacja układów automaty…
Z informacji zapisanej w DTR sterownika PLC w rozdziale „Konserwacja” wynika, że jednym z działań, których nie należy podejmować w ramach konserwacji sterownika, jest
| Rozdział 8. Konserwacja jednostki PLC. (fragment) |
|---|
| „Jednostka PLC nie posiada żadnych części, które mogłyby być serwisowane przez użytkownika. Wszystkie czynności mogą być przeprowadzone tylko przez profesjonalny personel. W przypadku wystąpienia usterki, należy najpierw spróbować ustalić przyczynę posługując się kodami błędów, które zostały opisane w dokumentacji oraz przeprowadzić konserwację całej jednostki na poziomie płyty. Jeżeli jednostka nadal nie będzie działać, należy przekazać ją lokalnemu dystrybutorowi". |
A. przeprowadzenie testu uruchomieniowego jednostki.
B. wymiana przekaźnika w niedziałającym wyjściu sterownika.
C. sprawdzenie mocowania sterownika na szynie TH35.
D. korekta połączeń elektrycznych między zasilaczem a sterownikiem.
Eksploatacja układów automaty…
Układ sterowania elektrycznego, którego schemat przedstawiono na rysunku, nie działa poprawnie. Nieprawidłowość polega na tym, że po podłączeniu do zasilania cewki przekaźnika K2 i po odliczeniu czasu przez ten przekaźnik, kontrolka H1 nie załącza się. Który element układu jest uszkodzony?

A. Przycisk S2
B. Styk NO K1
C. Przycisk S1
D. Styk NO K2
Eksploatacja układów automaty…
W celu ustalenia nastaw regulatora PID metodą Zieglera-Nicholsa, wykonano serię doświadczeń na podstawie których wyznaczono wartości wzmocnienia krytycznego Kkr = 3,5 oraz okresu oscylacji Tosc = 1,2 ms. Na podstawie tabeli określ, które człony pracującego w układzie regulatora należy skorygować, jeżeli jego obecne nastawy parametrów wynoszą: KP=2,1, TI=0,2 ms, TD=1,4 ms?
| Rodzaj regulatora | Człon proporcjonalny | Człon całkujący | Człon różniczkujący |
|---|---|---|---|
| parametr KP | parametr TI | parametr TD | |
| PID | 0,60•Kkr | 0,50•Tosc | 0,12•Tosc |
A. Całkującego i różniczkującego.
B. Tylko różniczkującego.
C. Proporcjonalnego i całkującego.
D. Tylko proporcjonalnego.
Eksploatacja układów automaty…
W układzie napędowym z przemiennikiem częstotliwości ustawiono wartości parametrów Fn_01=3 sekundy i Fn_02=4 sekundy przy zadanej częstotliwości 60 Hz. Na podstawie zamieszczonego fragmentu dokumentacji technicznej przemiennika częstotliwości, czasy przyspieszania i hamowania silnika podłączonego do urządzenia napędowego wynoszą:

A. t1 = 4,8 s, t2 = 3,6 s
B. t1 = 3,6 s, t2 = 4,8 s
C. t1 = 2,4 s, t2 = 6,0 s
D. t1 = 6,0 s, t2 = 2,4 s
Eksploatacja układów automaty…
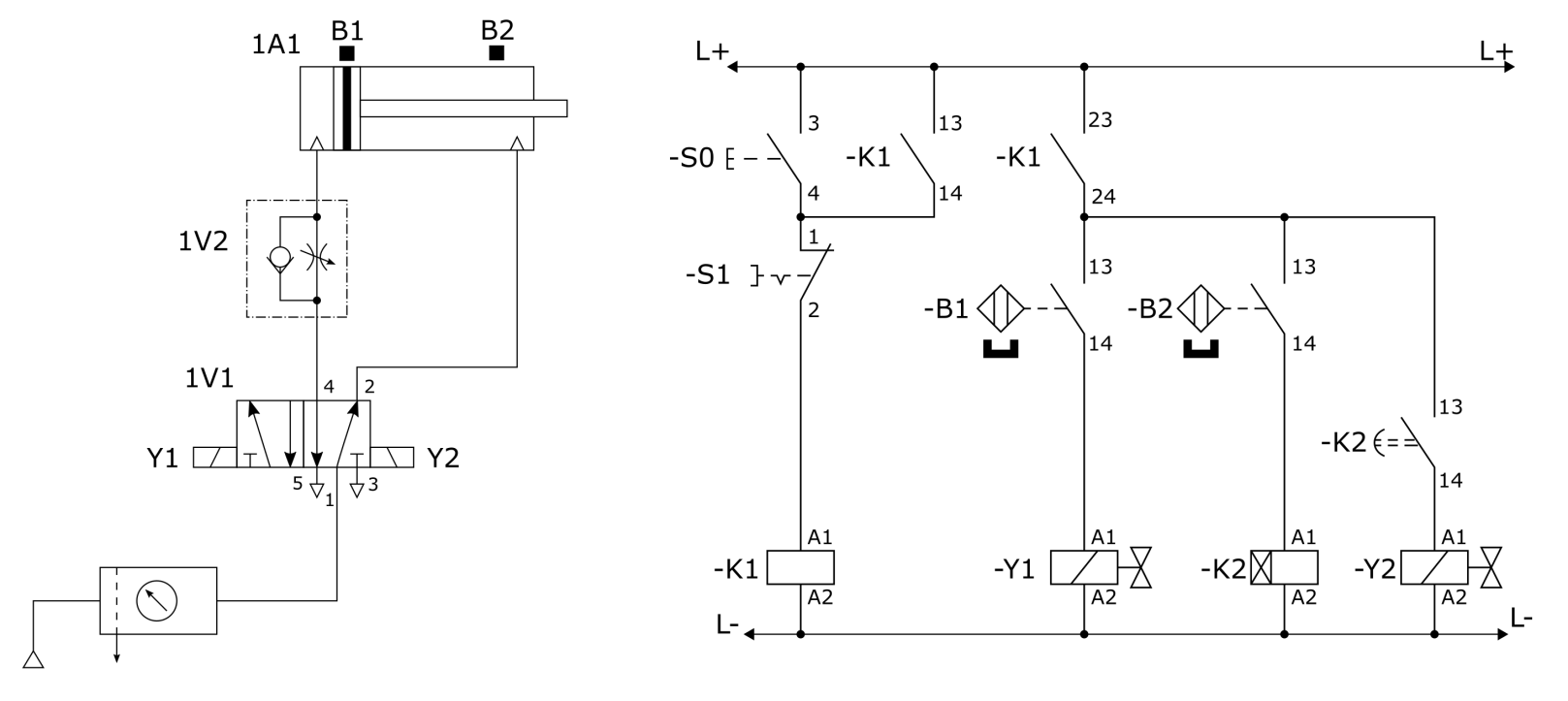
W układzie przedstawionym na rysunku, wciśnięcie przycisku S0 powoduje załączenie cewek K1 i K2 przekaźników, a następnie po odliczeniu 30 sekund nie następuje załączenie cewki Y1 elektrozaworu. Jedną z przyczyn wadliwego działania układu może być uszkodzenie

A. zestyku -K2:13-14.
B. przycisku -S1.
C. cewki -K1.
D. zestyku -K1:13-14.
Eksploatacja układów automaty…
W układzie przedstawionym na rysunku zawory 1V2 i 1V3 posiadają ustawione natężenie przepływu równe 50%. Które z podanych działań wprowadzonych w układzie spowoduje wydłużenie czasu wsuwania tłoczyska siłownika 1A1?

A. Zmniejszenie przepływu zaworu 1V3 i zwiększenie 1V2.
B. Zwiększenie przepływu tylko dla zaworu 1V3.
C. Zmniejszenie przepływu tylko dla zaworu 1V2.
D. Zwiększenie przepływów obu zaworów 1V2 i 1V3.
Eksploatacja układów automaty…
Który z wymienionych mierników przeznaczony jest do bezpośredniego pomiaru sygnału wyjściowego czujnika termoelektrycznego?
A. Miliwoltomierz.
B. Miliamperomierz.
C. Omomierz.
D. Watomierz.
Eksploatacja układów automaty…
Wskaż, na podstawie przedstawionej tabliczki silnika indukcyjnego klatkowego, znamionowe wartości napięcia i prądu, jeśli uzwojenia silnika skojarzone są w trójkąt a częstotliwość napięcia zasilania wynosi 60 Hz.

A. 265 V, 3,46 A
B. 230 V, 3,64 A
C. 460 V, 2,00 A
D. 400 V, 2,10 A
Eksploatacja układów automaty…
Która wielkość procesowa jest regulowana w układzie przedstawionym na rysunku?

A. Ciśnienie.
B. Strumień objętości.
C. Lepkość względna.
D. Temperatura.