Filtrowanie pytań
ELM.04 Pytanie 81
Eksploatacja układów automaty…
A. Odpowietrzyć układ zasilający.
B. Uzupełnić brakujący olej w smarownicy.
C. Wymienić silnik kompresora.
D. Zmniejszyć nastawę zaworu bezpieczeństwa.
Eksploatacja układów automaty…
Do wejścia przetwornika pomiarowego R/I podłączono czujnik Pt1000. Który z wymienionych mierników umożliwi bezpośredni pomiar kontrolny sygnału wyjściowego z tego przetwornika?
A. Woltomierz.
B. Amperomierz.
C. Omomierz.
D. Watomierz.
Eksploatacja układów automaty…
Klucz dynamometryczny należy do grupy narzędzi, które podczas naprawy można wykorzystać m.in. do
A. pomiaru twardości materiału, z którego wykonane są śruby.
B. wbijania z odpowiednią siłą gwoździ lub innych elementów mocujących.
C. odkręcania z odpowiednim momentem siły wkrętów łączących elementy.
D. dokręcenia z odpowiednim momentem siły śrub łączących elementy.
Eksploatacja układów automaty…
Wykonano okresową kontrolę stanu technicznego dwóch optycznych czujników zbliżeniowych, których wyniki pomiarów zanotowano w tabeli. Na podstawie wyników można stwierdzić, że stan techniczny
| Kod czujnika | Parametry katalogowe | Zmierzone wartości odległości (odległość przy której następuje zmiana stanu na wyjściu czujnika) | ||
|---|---|---|---|---|
| Strefa zadziałania | Histereza w zakresie | z 1 na 0 przy oddalaniu od próbki pomiarowej | z 0 na 1 przy zbliżaniu do próbki pomiarowej | |
| B1-14A1 | 60 mm | ±10 % | 66 mm | 52 mm |
| B2-14A1 | 80 mm | ±10 % | 87 mm | 72 mm |
A. tylko czujnika B2-14A1 wyklucza jego ponowny montaż w układzie.
B. obu czujników wyklucza ich ponowny montaż w układzie.
C. tylko czujnika B1-14A1 wyklucza jego ponowny montaż w układzie.
D. obu czujników jest prawidłowy.
Eksploatacja układów automaty…
Na podstawie zamieszczonego fragmentu dokumentacji technicznej przemiennika częstotliwości można obliczyć czas przyspieszenia i hamowania silnika podłączonego do urządzenia. Wartość tych czasów dla parametru Fn_01 = 2 sekundy i dla parametru Fn_02 = 4 sekundy przy zadanej częstotliwości 60 Hz będzie odpowiednio wynosiła:

A. przyspieszenie 4,8 sekundy, hamowanie 2,4 sekundy.
B. przyspieszenie 2,4 sekundy, hamowanie 4,8 sekundy.
C. przyspieszenie 4 sekundy, hamowanie 2 sekundy.
D. przyspieszenie 2 sekundy, hamowanie 4 sekundy.
Eksploatacja układów automaty…
Wykonano okresową kontrolę stanu technicznego dwóch optycznych czujników zbliżeniowych, których wyniki pomiarów zanotowano w tabeli. Na podstawie wyników można stwierdzić, że stan techniczny
| Kod czujnika | Parametry katalogowe | Zmierzone wartości odległości (odległość przy której następuje zmiana stanu wyjścia czujnika) mm | |||
|---|---|---|---|---|---|
| Strefa zadziałania mm | Histereza w zakresie % | z 1 na 0 przy oddalaniu od próbki pomiarowej | z 0 na 1 przy zbliżaniu do próbki pomiarowej | ||
| B1-14A1 | 60 | ±10% | 66 | 52 | |
| B2-14A1 | 90 | ±10% | 96 | 88 | |
A. czujnika B1-14A1 wyklucza jego ponowny montaż w układzie.
B. obu czujników wyklucza ich ponowny montaż w układzie.
C. obu czujników jest prawidłowy.
D. czujnika B2-14A1 wyklucza jego ponowny montaż w układzie.
Eksploatacja układów automaty…
Jakiego rodzaju działań naprawczych nie wykonuje się w układach sterowania elektropneumatycznego?
A. Wymiana połączeń pneumatycznych.
B. Identyfikacja miejsc przecieków.
C. Usuwanie nieszczelności.
D. Naprawa połączeń elektrycznych.
Eksploatacja układów automaty…
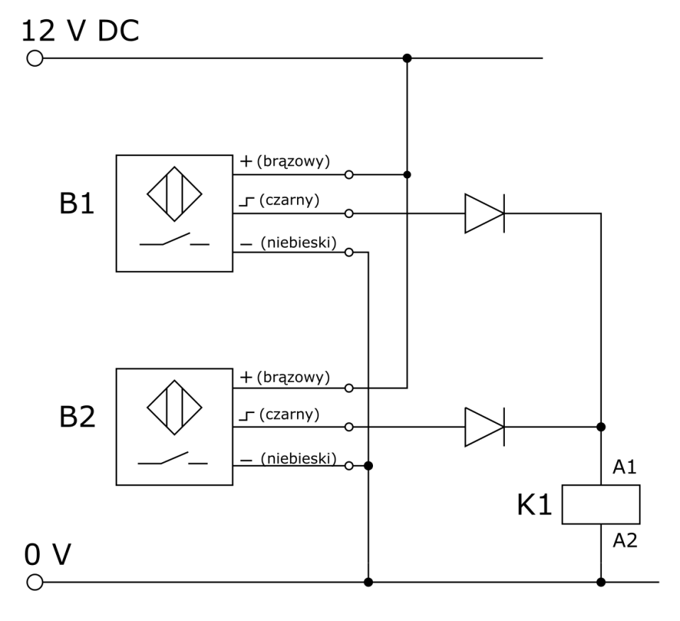
W instalacji sterowania zastosowano zbliżeniowe czujniki B1 i B2, które połączono zgodnie ze schematem pokazanym na rysunku. Mimo obecności obiektów w strefie zadziałania obu czujników i sprawnych diod, na zaciskach A1-A2 cewki K1 jest brak napięcia. Na podstawie przedstawionego opisu, błędne działanie układu spowodowane jest

A. nieprawidłowym działaniem obu czujników.
B. prawidłowym działaniem tylko jednego z czujników.
C. uszkodzeniem wyłącznie czujnika B2.
D. prawidłowym działaniem czujnika B1.
ELM.04 Pytanie 89
Eksploatacja układów automaty…
Z przytoczonego fragmentu dokumentacji technicznej regulatora cyfrowego wynika, że czujniki termoelektryczne powinny zostać podłączone do zacisków o numerach

A. 5 i 6.
B. 1, 2, 3.
C. 2 i 3.
D. 2, 3, 4.
Eksploatacja układów automaty…
Na podstawie przedstawionych w tabeli wyników pomiarów parametrów wyłączników różnicowoprądowych wskaż, które z wyłączników nie mogą być dalej eksploatowane w instalacji automatyki.
| Lp. | Typ wyłącznika różnicowoprądowego | Działanie TEST | IΔn mA | Iw mA | tw ms | tz ms |
|---|---|---|---|---|---|---|
| 1. | P 304 80-300-S | Nie | 300 | 315 | 252 | 500 |
| 2. | P 304 25-100-AC | Tak | 100 | 68 | 75 | 200 |
| 3. | P 304 25-30-AC | Tak | 30 | 47 | 126 | 200 |
| 4. | P 312 B-20-30-AC | Tak | 30 | 28 | 47 | 200 |
| 5. | P 312 B-20-30-AC | Tak | 30 | 22 | 25 | 200 |
| 6. | P 312 B-20-30-AC | Tak | 30 | 20 | 180 | 200 |
| IΔn – prąd różnicowy znamionowy, mA Iw – zmierzony prąd różnicowy zadziałania, mA tw – zmierzony czas zadziałania, ms tz – największy dopuszczalny czas zadziałania, ms | ||||||
A. 3 i 6
B. 2 i 4
C. 2 i 5
D. 1 i 3
Eksploatacja układów automaty…
Który przyrząd powinien być użyty w celu dokładnego pomiaru rezystancji z przedziału od 109 do 1010 Ω?
A. Mostek Wiena.
B. Galwanometr.
C. Mostek Thomsona.
D. Gigaomomierz.
Eksploatacja układów automaty…
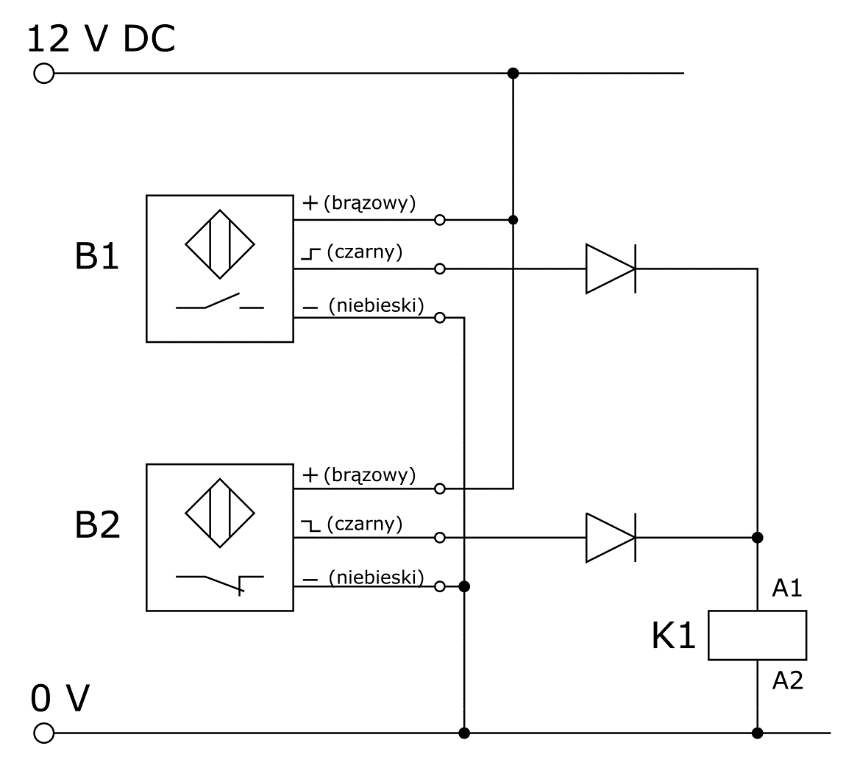
W instalacji sterowania na dwóch przeciwległych końcach przenośnika zastosowano czujniki optyczne z wyjściem PNP, które połączono zgodnie z przedstawionym schematem montażowym. Mimo obecności obiektów w strefie zadziałania obu czujników, na zaciskach A1-A2 cewki K1 brak jest napięcia. Świadczyć to może o

A. prawidłowej reakcji sensorów.
B. nieprawidłowej reakcji obu sensorów.
C. uszkodzeniu czujnika B2.
D. uszkodzeniu czujnika B1.
Eksploatacja układów automaty…
W układzie przedstawionym na rysunku zawory 1V2 i 1V3 posiadają ustawione natężenie przepływu równe 50%. Które z podanych działań regulacyjnych wprowadzonych w układzie spowoduje wydłużenie czasu wysuwania tłoczyska siłownika 1A1?

A. Zmniejszenie przepływu tylko dla zaworu 1V2
B. Zwiększenie przepływów obu zaworów 1V2 i 1V3
C. Zwiększenie przepływu zaworu 1V3 i zmniejszenie 1V2
D. Zmniejszenie przepływu tylko dla zaworu 1V3
Eksploatacja układów automaty…
W układzie napędowym złożonym z silnika indukcyjnego klatkowego oraz przemiennika częstotliwości wykonano pomiary wibroakustyczne. Okazało się, że zarówno poziom hałasu, jak i poziom drgań mierzonych na obudowie łożysk silnika, wzrósł o 50% w stosunku do wartości zmierzonych przed dopuszczeniem układu do eksploatacji. Takie symptomy mogą wskazywać na zły stan techniczny
A. przetwornicy częstotliwości.
B. silnika użytego w napędzie.
C. instalacji połączeń elektrycznych w układzie.
D. instalacji zasilającej układ napędowy.
Eksploatacja układów automaty…
W celu oceny stanu technicznego indukcyjnych czujników zbliżeniowych wykonano pomiary ich częstotliwości przełączeń. Wyniki pomiarów zapisanych w tabeli wskazują, że stan techniczny

A. czujników B1, B2 i B3 wymaga bezwzględnego ich wycofania z dalszej eksploatacji.
B. czujnika B1 nie pozwala na dalszą eksploatację i konieczność wymiany.
C. czujników B1, B2 i B3 pozwala na ich dalszą eksploatację.
D. czujnika B2 wskazuje konieczność jego wycofania z eksploatacji.
Eksploatacja układów automaty…
Na wyświetlaczu przemiennika częstotliwości został wyświetlony błąd o kodzie E.SER. Oznacza to, że działania naprawcze powinny być ukierunkowane na sprawdzenie i ewentualną naprawę w obwodzie
| Klasyfikacja błędów | Kod błędu na wyświetlaczu | Znaczenie |
|---|---|---|
| Błąd mniejszy | FN | Uszkodzenie wentylatora przetwornicу |
| Błąd krytyczny | E.FIN | Przegrzanie radiatora |
| E.IPF | Chwilowe zaniki napięcia zasilania | |
| E.ILF | Brak fazy wejściowej | |
| E.OLF | Brak fazy wyjściowej | |
| E.SER | Błąd komunikacji | |
| E.P24 | Zwarcie wyjścia zasilacza 24 V DC |
A. zasilania układu sterowania.
B. zasilania silnika z przemiennika.
C. zasilania przemiennika z sieci.
D. komunikacji szeregowej przemiennika.
Eksploatacja układów automaty…
Która z wymienionych korekt wprowadzonych do programu przedstawionego na rysunku zagwarantuje dłuższy czas trwania stanu logicznej 1 na wyjściu Q0.1?

A. Zwiększenie wartości PT odliczanego czasu przez instrukcję T2
B. Zwiększenie wartości PT odliczanego czasu przez instrukcję T1
C. Zmniejszenie wartości PT odliczanego czasu przez instrukcję T1
D. Zmniejszenie wartości PT odliczanego czasu przez instrukcję T2
Eksploatacja układów automaty…
W instalacji do kontroli przepływu zastosowano pomiar różnicy ciśnienia na kryzie. Który z przedstawionych rysunków obrazuje zastosowaną metodę pomiarową?
A. Rysunek 4

B. Rysunek 3

C. Rysunek 2

D. Rysunek 1

Eksploatacja układów automaty…
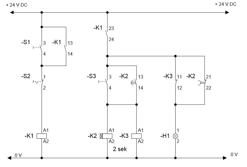
W układzie sterowania przedstawionym na rysunku, cewki przekaźników K2 i K3 nie zostały aktywowane, lampka H1 nie świeci, mimo iż jednocześnie naciśnięto sprawne technicznie przyciski S1 i S3. Taki objaw może wskazywać na uszkodzenie zestyku przekaźnika

A. -K3:11-12
B. -K1:23-24
C. -K1:13-14
D. -K2:13-14
Eksploatacja układów automaty…
Który z wymienionych mierników przeznaczony jest do bezpośredniego pomiaru sygnału wyjściowego czujnika termoelektrycznego?
A. Miliamperomierz.
B. Miliwoltomierz.
C. Watomierz.
D. Omomierz.
Eksploatacja układów automaty…
Który rysunek przedstawia narzędzie służące do profesjonalnego ucinania przewodów pneumatycznych tworzywowych?
A. Rysunek 4.

B. Rysunek 2.

C. Rysunek 1.

D. Rysunek 3.

Eksploatacja układów automaty…
Podczas wykonywania programu, na panelu CPU sterownika PLC zapaliła się dioda sygnalizująca błąd systemowy (System Fault). Na tej podstawie można z całą pewnością stwierdzić, że przyczyną jej zapalenia nie jest
A. wykonanie w programie operacji dzielenia przez zero.
B. zerwanie komunikacji sterownika z siecią systemową.
C. zanik napięcia zasilającego centralnej jednostki sterownika.
D. przekroczenie limitu czasowego dla cyklu programowego.
Eksploatacja układów automaty…
Na podstawie przedstawionych w tabeli wyników pomiarów parametrów wyłączników różnicowoprądowych wskaż, które z wyłączników mogą być dalej eksploatowane w instalacji automatyki.
| Lp. | Typ urządzenia różnicowoprądowego | Test | IDn mA | Iw mA | tw ms | tz ms |
|---|---|---|---|---|---|---|
| 1. | P 304 80-500-S | T | 500 | 315 | 252 | 500 |
| 2. | P 304 25-100-AC | N | 100 | 68 | 45 | 200 |
| 3. | P 304 25-30-AC | T | 30 | 33 | 26 | 200 |
| 4. | P 312 B-20-30-AC | T | 30 | 11 | 47 | 200 |
| 5. | P 312 B-20-30-AC | T | 30 | 22 | 25 | 200 |
| 6. | P 312 B-20-30-AC | T | 30 | 22 | 215 | 200 |
| IDn – prąd różnicowy urządzenia różnicowoprądowego, mA Iw – zmierzony prąd różnicowy zadziałania, mA tw– zmierzony czas zadziałania, ms | ||||||
A. 1, 4 i 5
B. 3, 5 i 6
C. 1, 2 i 3
D. 2, 3 i 6
Eksploatacja układów automaty…
Na podstawie przedstawionych danych znamionowych określ, jaka wartość napięcia jest na wyjściu prądnicy, jeżeli jej wirnik obraca się z prędkością 2400 obr/min.
| Dane znamionowe prądnicy tachometrycznej | |
| kU = 15 V/1000 obr/min | |
| Rob. min = 5 kΩ | |
| nmax = 8000 obr/min |
A. 15 V
B. 42 V
C. 36 V
D. 24 V
Eksploatacja układów automaty…
Na podstawie wyników pomiarów przedstawionych w tabeli, ustalając ocenę stanu technicznego badanych czujników, można stwierdzić, że czujniki, które powinny zostać wycofane z dalszej eksploatacji, to

A. B1, B2 i B3.
B. B1 i B2.
C. B1 i B3.
D. B2 i B3.
Eksploatacja układów automaty…
Dla którego napędu w kolumnie „Ocena stanu technicznego” należy wpisać literę A odpowiadającą jego dobremu stanu technicznemu?

A. Sil01-M01 – 22kW i Sil02-M02 – 22kW
B. Tylko Sil02-M02 – 22kW
C. Tylko Sil01-M01 – 22kW
D. Sil01-M01 – 22kW i Sil03-M03 – 37kW
Eksploatacja układów automaty…
W tabeli przedstawiono wyniki pomiarów kontrolnych przetworników R/I przy prawidłowych warunkach zasilania i połączeń. Wszystkie czujniki zostały wyprodukowane dla zakresu rezystancji wejściowej 0÷100 Ω i wyjściowego sygnału prądowego z zakresu 4÷20 mA. Który z przetworników jest sprawny technicznie?
| Symbol czujnika w instalacji | Wartości prądu wyjściowego przetwornika dla wartości sygnału wejściowego z zakresu 0÷100 Ω | ||
|---|---|---|---|
| 0 Ω | 100 Ω | ||
| B1 | 1,2 mA | 18,9 mA | |
| B2 | 4,1 mA | 19,9 mA | |
| B3 | 0,9 mA | 20,0 mA | |
| B4 | 2,1 mA | 16,0 mA | |
A. B1
B. B3
C. B2
D. B4
Eksploatacja układów automaty…
W dokumentacji techniczno-ruchowej producent umieścił charakterystykę trwałości łączeniowej w funkcji prądu obciążenia przekaźnika czasowego. Ile wynosi liczba łączeń przekaźnika dla prądu łączeniowego równego 1 A?

A. N = 1·10<sup>5</sup>
B. N = 1·10<sup>6</sup>
C. N = 5·10<sup>5</sup>
D. N = 2·10<sup>6</sup>
Eksploatacja układów automaty…
Która z wymienionych korekt wprowadzonych do programu przedstawionego na rysunku zagwarantuje dłuższy czas trwania stanu wysokiego na wyjściu Q0.1?

A. Zmniejszenie wartości PV czasomierza T2.
B. Zmniejszenie wartości PV czasomierza T1.
C. Zwiększenie wartości PV czasomierza T2.
D. Zwiększenie wartości PV czasomierza T1.
Eksploatacja układów automaty…
W instalacji automatyki użyto przyrządu pomiarowego, którego parametry techniczne przedstawia tabela. Do pomiaru której wielkości przeznaczony jest przyrząd?
| Nazwa parametru | Wartości parametrów |
|---|---|
| Zakres | 0 ÷ 100 % RH |
| Rozdzielczość | 0,1 % RH |
| Dokładność (± 1 cyfra) | 10 ÷ 90 % RH ±2 % poza tym zakresem ±4 % |
| Czas reakcji czujnika RH t90 | < 10 s |
| Histereza | < 1 % RH |
| Dryft długoterminowy | 0,5 % RH / rok |
| Parametry przekaźników | 2A/250VAC/30VDC |
| Klasa izolacji | wg PN-83/T-06500 |
| Zakłócenia radioelektryczne | poziom N |
| Zasilanie | zasilacz 12 V / 100 mA |
| Masa | 180 g |
| Wymiary (mm) | L=149, W=82, H=22 |
A. Temperatury.
B. Lepkości.
C. Ciśnienia absolutnego.
D. Wilgotności względnej.
Eksploatacja układów automaty…
Który z wymienionych mierników przeznaczony jest do bezpośredniego pomiaru sygnału wyjściowego czujnika termoelektrycznego?
A. Watomierz.
B. Woltomierz.
C. Omomierz.
D. Amperomierz.
Eksploatacja układów automaty…
Jaką funkcję w siłownikach elektrycznych pełnią wyłączniki krańcowe?
A. Przeciwdziałają powstaniu przepięć podczas załączania silnika siłownika.
B. Przyspieszają obroty silnika w zakresie roboczym siłownika.
C. Zabezpieczają silnik siłownika przed przeciążeniem i uszkodzeniem.
D. Zapewniają płynną regulację prędkości silnika.
ELM.04 Pytanie 113
Eksploatacja układów automaty…
W tabeli przedstawiono wyniki pomiarów rezystancji uzwojeń i rezystancji izolacji silnika trójfazowego pompy hydraulicznej wykonane podczas jego przeglądu. Wyniki tych pomiarów wskazują na
| Wyniki pomiarów kontrolnych silnika | |
|---|---|
| Pomiar między zaciskami | Wynik pomiaru |
| U1 - U2 | 22,0 Ω |
| V1 - V2 | 21,5 Ω |
| W1 - W2 | 22,2 Ω |
| U1 - V1 | ∞ Ω |
| V1 - W1 | ∞ Ω |
| U1 - W1 | ∞ Ω |
| U1 - PE | 52 MΩ |
| V1 - PE | 30 Ω |
| W1 - PE | 49 MΩ |
A. przerwę w uzwojeniu W1 - W2
B. zwarcie między uzwojeniem V1 - V2, a obudową silnika.
C. przerwę w uzwojeniu V1 - V2
D. zwarcie między uzwojeniami U1 - U2 oraz W1 - W2
Eksploatacja układów automaty…
Uszkodzony napęd pneumatyczny użyty w układzie sterowania zastąpiono napędem elektropneumatycznym, w którym dotychczasowe wadliwe elementy wykonawcze zastąpiono siłownikami z magnetyczną sygnalizacją tłoka. Aby efektywnie wykorzystać możliwości sygnalizacyjne układu, należy pneumatyczne łączniki krańcowe wymienić na czujniki
A. optyczne.
B. pojemnościowe.
C. kontaktronowe.
D. indukcyjne.
Eksploatacja układów automaty…
Wskaż rysunek przedstawiający miernik, którym można wykonać pomiar standardowego sygnału napięciowego z przedziału 0 ÷ 10 V.
A. Rysunek 3.

B. Rysunek 1.

C. Rysunek 4.

D. Rysunek 2.

Eksploatacja układów automaty…
Dla trzech czujników Pt100, Pt1000 i Ni100 wykonano sprawdzające pomiary rezystancji w różnych temperaturach. Stan techniczny których czujników wyklucza możliwość użycia w układzie regulacji temperatury?
| Temperatura [°C] | Rezystancja sprawdzanego rodzaju czujnika temperatury | ||
|---|---|---|---|
| Pt100 [Ω] | Pt1000 [Ω] | Ni100 [Ω] | |
| -20 | 92,13 | 870,14 | 100,00 |
| 0 | 100,00 | 981,00 | 114,21 |
| 60 | 123,24 | 1000,00 | 123,50 |
A. Pt100 i Pt1000
B. Pt1000 i Ni100
C. Pt100, Pt1000 i Ni100
D. Pt100 i Ni100
Eksploatacja układów automaty…
W układzie przedstawionym na rysunku, wciśnięcie przycisku S0 powoduje załączenie cewek K1 i K2 przekaźników, a następnie po odliczeniu 30 sekund nie następuje załączenie cewki Y1 elektrozaworu. Jedną z przyczyn wadliwego działania układu może być uszkodzenie

A. cewki -K1.
B. przycisku -S1.
C. zestyku -K2:13-14.
D. zestyku -K1:13-14.
Eksploatacja układów automaty…
Do pomiaru prędkości obrotowej metalowej tarczy przedstawionej na rysunku zastosowano czujnik

A. rezystancyjny.
B. ultradźwiękowy.
C. indukcyjny.
D. stroboskopowy.
ELM.04 Pytanie 119
Eksploatacja układów automaty…
Z przedstawionego fragmentu dokumentacji technicznej regulatora cyfrowego wynika, że czujniki termorezystancyjne w układzie trójprzewodowym powinny zostać podłączone do zacisków o numerach
| Tabela 7. Numeracja i opis listew zaciskowych regulatora | |
|---|---|
| Numery zacisków | Opis |
| 1-2-3 | Wejście Pt100 (2 i 3-przewodowe) |
| 2-3 | Wejście termoelektryczne TC (J, K, S, B, R, T, E, N) |
| 2-3-4 | Wejście dla cyfrowych sond temperatury AR182, AR183 |
| 5-6 | Wejście binarne (stykowe lub napięciowe < 24 V) |
| 12-13 | Wejście zasilania |
| 14-15-16 | Wyjście przekaźnika P1 lub sterowanie SSR1 (tranzystorowe NPN OC) |

A. 12, 13, 14
B. 14, 15, 16
C. 4, 5, 6
D. 1, 2, 3
Eksploatacja układów automaty…
Które z wymienionych w tabeli czynności wchodzą w zakres kontroli układu automatyki linii produkcyjnej, jeżeli od ostatniej kontroli w pełnym zakresie upłynął 1 tydzień?
| Lp. | Czynność | Częstotliwość |
|---|---|---|
| 1 | Sprawdzenie mocowania detektora do podłoża | 1 raz dziennie |
| 2 | Kontrola obwodu zasilania i połączeń elektrycznych | 1 raz dziennie |
| 3 | Kontrola połączeń sygnałowych według wytycznych zapisanych w dokumencie „Sprawdzanie wszystkich połączeń zewnętrznych (elektrycznych i mechanicznych) na elementy systemu detekcji" | co 7 dni |
| 4 | Sprawdzanie detekcji z pomocą wzorców kalibracyjnych zgodnie z wewnątrz zakładowymi normami bezpieczeństwa | co 14 dni |
| 5 | Dostrojenie detektora | co 30 dni |
| 6 | Gruntowne czyszczenie detektora | co 30 dni |
A. 1, 3, 5
B. 1, 2, 3
C. 2, 4
D. 5, 6