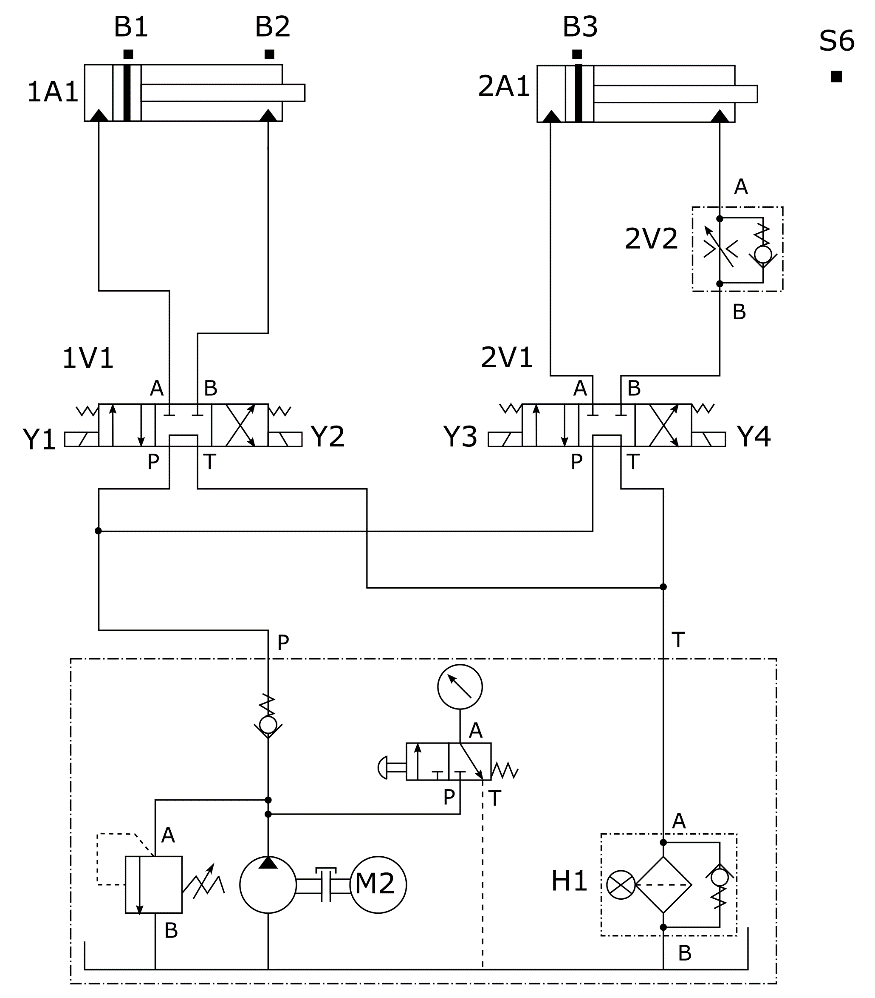
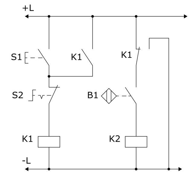
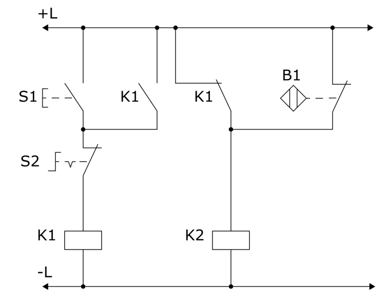
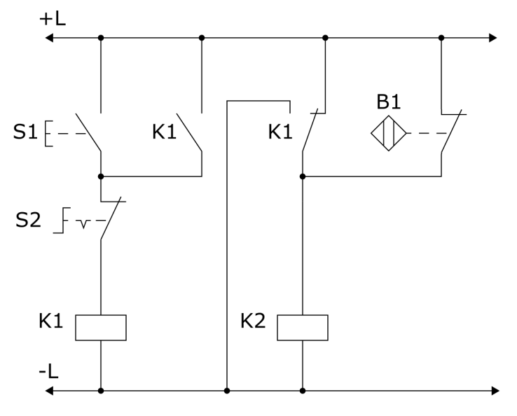
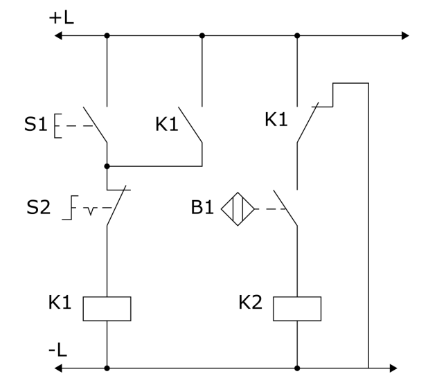
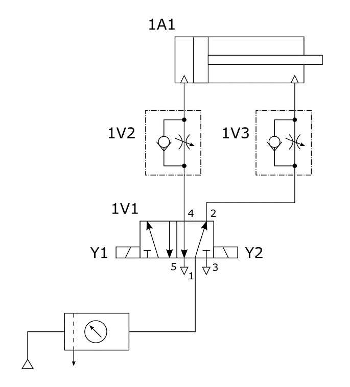
W układzie elektrohydraulicznego sterowania przedstawionym na rysunku zapaliła się lampka kontrolna H1. Na tej podstawie można wnioskować, że















| Nazwa parametru | Wartości parametrów |
|---|---|
| Zakres | 0 ÷ 100 % RH |
| Rozdzielczość | 0,1 % RH |
| Dokładność (± 1 cyfra) | 10 ÷ 90 % RH ±2 % poza tym zakresem ±4 % |
| Czas reakcji czujnika RH t90 | < 10 s |
| Histereza | < 1 % RH |
| Dryft długoterminowy | 0,5 % RH / rok |
| Parametry przekaźników | 2 A / 250 V AC / 30 V DC |
| Klasa izolacji | wg PN-83/T-06500 |
| Zakłócenia radioelektryczne | poziom N |
| Zasilanie | zasilacz 12 V / 100 mA |
| Masa | 180 g |
| Wymiary (mm) | L=149, W=82, H=22 |


| Lp. | Czynność | Częstotliwość |
|---|---|---|
| 1 | Sprawdzenie mocowania detektora do podłoża | 1 raz dziennie |
| 2 | Kontrola obwodu zasilania i połączeń elektrycznych | 1 raz dziennie |
| 3 | Kontrola połączeń sygnałowych wg. wytycznych zapisanych w dokumencie „Sprawdzanie wpływu zakłóceń zewnętrznych (elektrycznych i mechanicznych) na elementy systemu detekcji" | co 7 dni |
| 4 | Sprawdzanie detekcji z pomocą wzorców kalibracyjnych zgodnie z wewnątrzzakładowymi normami bezpieczeństwa | co 14 dni |
| 5 | Dostrojenie detektora | co 30 dni |
| 6 | Gruntowne czyszczenie detektora | co 30 dni |

| Harmonogram czynności serwisowych (fragment) | ||
|---|---|---|
| Lp. | Czynność serwisowa | Okres wykonywania |
| 1. | Sprawdzanie temperatury pracy | Codziennie |
| 2. | Kontrola przewodu zasilającego | Codziennie |
| 3. | Sprawdzanie podciśnienia generowanego przez sprężarkę | Co 3 miesiące |
| 4. | Kontrola obiegu oleju w sprężarce | Co 3 miesiące |
| 5. | Sprawdzanie zaworów | Co 6 miesięcy |
| 6. | Kontrola działania zaworów bezpieczeństwa | Co 6 miesięcy |
| 7. | Kontrola ustawień zabezpieczenia przeciążeniowego w sprężarce | Co 6 miesięcy |
| 8. | Sprawdzanie rurociągu, skraplacza, części chłodniczych | Co rok |
| 9. | Sprawdzanie łączników i bezpieczników | Co rok |
| Dane techniczne siłownika: | |
|---|---|
| - napięcie zasilania 24 V DC - natężenie prądu elektrycznego max 2,5 A - natężenie prądu jałowego bez obciążenia około 0,8 A - uciąg (siła) maksymalny na pchanie 900 N - uciąg (siła) maksymalny na ciągnięcie 600 N - wbudowane 2 stałe wyłączniki krańcowe - prędkość wysuwu do około 8,6 mm/s - wysuw siłownika 100 mm - cykl pracy 15% (1,5 minuty pracy i 8,5 minuty przerwy) - waga około 1 kg | |













| Temperatura °C | Rezystancja sprawdzanego rodzaju czujnika temperatury | ||
|---|---|---|---|
| Pt100 Ω | Pt1000 Ω | Ni100 Ω | |
| -20 | 84,22 | 921,60 | 100,00 |
| 0 | 92,16 | 1000,00 | 114,21 |
| 60 | 101,24 | 1232,40 | 123,50 |




