Filtrowanie pytań

Wybierz zawód, aby zobaczyć dostępne kwalifikacje

Użytkowanie obrabiarek skrawa…

Technologiczna kolejność zabiegów prowadzących do wykonania tulei przedstawionej na rysunku je następująca:

Ilustracja do pytania 6
A. toczenie poprzeczne, toczenie wzdłużne, nawiercanie, wiercenie.
B. toczenie poprzeczne, toczenie wzdłużne, nawiercanie, rozwiercanie.
C. toczenie wzdłużne, toczenie poprzeczne, nawiercanie, powiercanie.
D. toczenie poprzeczne, toczenie wzdłużne, nawiercanie, wytaczanie.
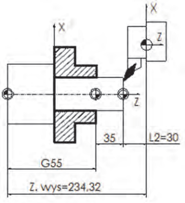
Użytkowanie obrabiarek skrawa…

W celu wykonania części przedstawionej na rysunku należy wykonać zabiegi obróbkowe w następującej kolejności:

Ilustracja do pytania 19
A. toczenie poprzeczne, rozwiercanie, wiercenie, wytaczanie.
B. nawiercanie, toczenie poprzeczne, wiercenie, powiercanie.
C. toczenie poprzeczne, nawiercanie, wiercenie, wytaczanie.
D. toczenie poprzeczne, gwintowanie, wiercenie, wytaczanie.
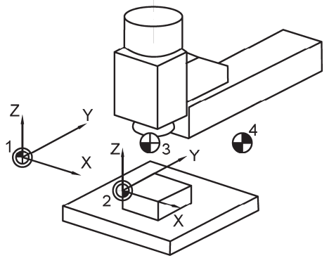
Użytkowanie obrabiarek skrawa…

Na podstawie oznaczeń na przedstawionym rysunku można stwierdzić, że wałek jest ustalony i zamocowany

Ilustracja do pytania 36
A. na trzpieniu rozprężnym i podparty kłem obrotowym.
B. w uchwycie mechanicznym szczękowym i podparty kłem obrotowym.
C. w uchwycie pneumatycznym szczękowym i podparty kłem obrotowym.
D. w uchwycie pneumatycznym tulejkowym i podparty kłem obrotowym.
Użytkowanie obrabiarek skrawa…

W rysunkach technologicznych elementów maszyn, kontury powierzchni oraz krawędzie obrabiane oznacza się

A. linią grubą ciągłą, natomiast pozostałe (nieobrabiane) kontury i krawędzie linią cienką ciągłą
B. linią grubą ciągłą, natomiast pozostałe (nieobrabiane) kontury i krawędzie linią cienką falistą
C. linią grubą przerywaną, natomiast pozostałe (nieobrabiane) kontury i krawędzie linią cienką ciągłą
D. linią cienką ciągłą, natomiast pozostałe (nieobrabiane) kontury i krawędzie linią cienką falistą