Filtrowanie pytań

Wybierz zawód, aby zobaczyć dostępne kwalifikacje

Użytkowanie obrabiarek skrawa…

Określ prędkość obrotową wrzeciona podczas wiercenia wiertłem krętym o średnicy Ø6 w żeliwie ciągliwym. Zalecana prędkość skrawania wynosi vc = 5 m/min.
Skorzystaj z zależności:

Skorzystaj z zależności: n = 1000×vc/π×d

A. 123 obr/min.
B. 265 obr/min.
C. 434 obr/min.
D. 789 obr/min.
Użytkowanie obrabiarek skrawa…

Jakie są właściwe etapy obróbcze do wykonania otworu gwintowanego na tokarce uniwersalnej?

A. nawiercanie, wiercenie, frezowanie krawędzi, gwintowanie
B. wiercenie, nawiercanie, gwintowanie
C. frezowanie krawędzi, wiercenie, gwintowanie
D. frezowanie krawędzi, nawiercanie, gwintowanie, wiercenie
Użytkowanie obrabiarek skrawa…

Zapis podprogramu jako fragmentu programu sterującego jest przedstawiony w bloku oznaczonym literą

ABCD
N05 S100 M03 F50 T3D3
N10 G00 X70 Z23
N15 G1 X-1 F.2
N20G0 X150 Z150
N25 M30
N5 G1 G90 Z-5
N10 G91 Y-10
N15 X-10
N20 Y-20
N25 X20
N30 Y20
N35 X-10
N40 Y10
N45 G0 G90 Z10
N50 M17
T5 D1 S1500 F250 M3 M8
M6MCALL CYCLE83
(5,25,2,0,20,0,10,1,2,3,0.8
,0,0,0,0,0)
HOLES2(170,50,22,0,,6
M30
N05 S200 M03 F50 T3D3
N10 G00 X70 Z23
N15 G1 X10 F.2
N20G2 X16 Z20 CR=3
N25 M02

A. D.
B. C.
C. A.
D. B.
Użytkowanie obrabiarek skrawa…

Jak określa się punkt ustalony przez programistę, względem którego definiowane są współrzędne w programie obróbczo-technologicznym?

A. Wyjściowy obrabiarki (punkt referencyjny)
B. Wymiany narzędzia
C. Zerowy obrabiarki
D. Zerowy przedmiotu obrabianego
Użytkowanie obrabiarek skrawa…

Który fragment programu posiada poprawne wartości parametrów cyklu wiercenia otworów położonych na okręgu?

Znaczenie parametrów: B – promień okręgu, D – kąt między otworami, A – kąt pierwszego otworu z osią X, S – liczb otworów.

Ilustracja do pytania 21
A. G77 X50 Y40 B30 D90 A0 S6
B. G77 X50 Z40 B30 D45 A90 S6
C. G77 X50 Y40 B30 D45 A180 S6
D. G77 X50 Y40 B30 D60 A0 S6
Użytkowanie obrabiarek skrawa…

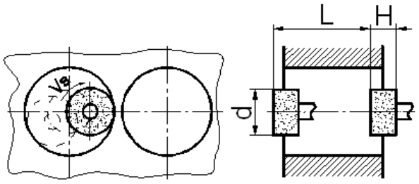
Technologiczna kolejność zabiegów prowadzących do wykonania tulei przedstawionej na rysunku je następująca:

Ilustracja do pytania 24
A. toczenie poprzeczne, toczenie wzdłużne, nawiercanie, rozwiercanie.
B. toczenie wzdłużne, toczenie poprzeczne, nawiercanie, powiercanie.
C. toczenie poprzeczne, toczenie wzdłużne, nawiercanie, wytaczanie.
D. toczenie poprzeczne, toczenie wzdłużne, nawiercanie, wiercenie.
Użytkowanie obrabiarek skrawa…

Przy obróbce z wykorzystaniem wysokiej prędkości narzędzi (High Speed Cutting) zaleca się ustawienie

A. niedużego posuwu narzędzia oraz dużej grubości skrawanej warstwy
B. niedużego posuwu narzędzia oraz małej grubości skrawanej warstwy
C. sporego posuwu narzędzia oraz dużej grubości skrawanej warstwy
D. sporego posuwu narzędzia oraz małej grubości skrawanej warstwy
Użytkowanie obrabiarek skrawa…

Bazując na tabeli, dobierz posuw podczas zgrubnej obróbki odlewu.
Rodzaj obróbkiDokładność obróbkiChropowatość powierzchni Ra µmZakres posuwów mm/obrZakres głębokości mm
Obróbka dokładnaIT6 - IT90,32 - 1,250,05 - 0,30,5 - 2
Obróbka średniodokładnaIT9 - IT112,5 - 50,2 - 0,52 - 4
Obróbka zgrubnaIT12 - IT1410 - 40≥ 0,4≥ 4

A. 0,3 mm/obr
B. 0,2 mm/obr
C. 0,1 mm/obr
D. 0,6 mm/obr
Użytkowanie obrabiarek skrawa…

Której obrabiarki CNC dotyczą dane techniczne przedstawione w tabeli?

STÓŁPowierzchnia450 x 160 mm
Maks. obciążenie50 kg
Żłobki T (ilość x szer. x długość)2 x 12H7 x 100 mm
X/Y/Z przesuwy300/160/250 mm
OBSZAR PRACYOdległość od czoła wrzeciona do stołu100÷350 mm
Odległość od osi wrzeciona do kolumny170 mm
WRZECIONOStożek wrzecionaISO 30
Obroty wrzeciona0÷4000 obr/min
Moc napędu głównego1,1/1,5 kW
Moment napędu głównego M100/1000 obr/min3/1,1 Nm
PRZESUWУX/Y/Z szybki przesuw6/6/6 m/min
MAGAZYN NARZĘDZIWymiana narzędziaRęczna tuleja zaciskowa
Oprawka narzędziowaDIN 69871

A. Tokarki.
B. Frezarki.
C. Szlifierki.
D. Wycinarki.
Użytkowanie obrabiarek skrawa…

Zastosowanie cieczy smarująco-chłodzącej w procesie gwintowania ma na celu

A. usunięcie zanieczyszczeń z obszaru obróbki
B. podniesienie parametrów obróbczych w trakcie gwintowania
C. ochronę obrobionej powierzchni
D. ograniczenie oporów skrawania
Użytkowanie obrabiarek skrawa…

Szybkość skrawania (obróbka zgrubna) przy toczeniu stali o granicy wytrzymałości Rm = 1050 MPa nożem ze stali szybkotnącej może wynosić

Zalecane szybkości skrawania
Materiał ostrzaStal szybkotnącaWęgliki spiekane
Szybkość skrawania w m/min
Rodzaj obróbkiZgrubnaWykańczającaNacinanie gwintówZgrubnaWykańczająca
Stal o Rm
do 500 MPa30÷4040÷508÷1270÷120200÷250
500÷700 MPa25÷3030÷405÷855÷90150÷200
700÷850 MPa15÷2020÷305÷860÷80100÷150
850÷1000 MPa10÷1515÷204÷630÷5070÷100
ponad 1000 MPa5÷1010÷153÷420÷3040÷70

A. 175 m/min
B. 30 m/min
C. 8 m/min
D. 100 m/min