Filtrowanie pytań

Wybierz zawód, aby zobaczyć dostępne kwalifikacje

Montaż i naprawa maszyn i urz…

W urządzeniu precyzyjnym uszkodzeniu uległo łożysko walcowe. Średnica i szerokość piasty, w której osadzone jest to łożysko, wynoszą odpowiednio 39 mm i 19 mm. Odczytaj z tabeli numer katalogowy łożyska, którym można zastąpić uszkodzony element.

Ilustracja do pytania 3
A. NUC 202
B. NUC 308
C. NUC 203
D. NUC 306
Montaż i naprawa maszyn i urz…

Połączenie skurczowe polega na

A. przetłoczeniu materiałów łączonych.
B. wtłoczeniu pod wpływem siły zewnętrznej czopa jednej części do otworu części drugiej.
C. łączeniu materiałów przez ich miejscowe stopienie i zestalenie.
D. nagrzaniu oprawy lub oziębieniu czopa, następnie wsunięciu czopa do oprawy i wyrównaniu temperatur tych elementów.
Montaż i naprawa maszyn i urz…

Jakie jest wzajemne położenie osi kół w poprawnie zmontowanej przekładni łańcuchowej?

A. Osie kół są do siebie równoległe.
B. Osie kół są do siebie prostopadłe.
C. Osie kół leżą w płaszczyźnie pionowej.
D. Osie kół leżą w płaszczyźnie poziomej.
Montaż i naprawa maszyn i urz…

W celu zdemontowania przekaźnika zamontowanego na szynie montażowej TH35 należy wykonać czynności w następującej kolejności:

A. odłączyć przewody elektryczne, zdemontować przekaźnik z szyny, odłączyć zasilanie elektryczne.
B. odłączyć zasilanie elektryczne, zdemontować przekaźnik z szyny, odłączyć przewody elektryczne.
C. zdemontować przekaźnik z szyny, odłączyć przewody elektryczne, odłączyć zasilanie elektryczne.
D. odłączyć zasilanie elektryczne, odłączyć przewody elektryczne, zdemontować przekaźnik z szyny.
Montaż i naprawa maszyn i urz…

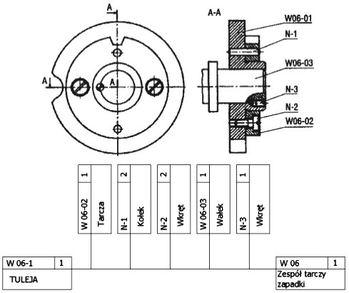
Na podstawie przedstawionego na rysunku planu montażu Zespołu tarczy z zapadki wskaż kolejność montażu jego części.

Ilustracja do pytania 30
A. Wkręt, kołek, tarcza, wałek, wkręt.
B. Tarcza, wkręt, kołek, tarcza, wkręt.
C. Tarcza, kołek, wkręt, wkręt, wałek.
D. Tarcza, kołek, wkręt, wałek, wkręt.
Montaż i naprawa maszyn i urz…

Jaka jest prawidłowa kolejność czynności, wykonywanych podczas wymontowywania uszkodzonego silnika elektrycznego z hydraulicznej stacji zasilającej?

A. Odłączyć przewody zasilające, odłączyć zasilanie urządzenia, odkręcić śruby mocujące kołnierz.
B. Odłączyć zasilanie urządzenia, odłączyć przewody zasilające, odkręcić śruby mocujące kołnierz.
C. Odłączyć przewody zasilające, odkręcić śruby mocujące kołnierz, odłączyć zasilanie urządzenia.
D. Odkręcić śruby mocujące kołnierz, odłączyć przewody zasilające, odłączyć zasilanie urządzenia.
Montaż i naprawa maszyn i urz…

W jakiej kolejności należy przeprowadzić demontaż siłownika przedstawionego na rysunku, by wymienić sprężynę?

Ilustracja do pytania 33
A. Pierścień osadczy 1, pokrywa przednia, tłok z tłoczyskiem, sprężyna.
B. Pierścień osadczy 1, pierścień osadczy 2, pokrywa przednia, pokrywa tylna, tłok z tłoczyskiem, sprężyna.
C. Pierścień osadczy 2, pokrywa tylna, tłok z tłoczyskiem, sprężyna.
D. Pierścień osadczy 1, pokrywa przednia, pierścień osadczy 2, pokrywa tylna, pierścień uszczelniający, sprężyna.