Filtrowanie pytań

Wybierz zawód, aby zobaczyć dostępne kwalifikacje

Montaż i naprawa maszyn i urz…

Po wymianie wyświetlacza na nowy jego kontrast należy ustawić potencjometrem

Ilustracja do pytania 1
A. P3 Regulacja wskazań woltomierza
B. P4 Ustawienie kontrastu wyświetlacza
C. P2 Regulacja wskazań amperomierza
D. P1 Ustawienie maksymalnej wartości natężenia prądu 3A
Montaż i naprawa maszyn i urz…

W celu pomiaru mocy metodą techniczną w miejsca oznaczone na schemacie 1, 2 i 3 należy wstawić odpowiednio:

Ilustracja do pytania 3
A. 1 – watomierz, 2 – omomierz, 3 – oscyloskop.
B. 1 – amperomierz, 2 – woltomierz, 3 – watomierz.
C. 1 – amperomierz, 2 – watomierz, 3 – woltomierz.
D. 1 – omomierz, 2 – amperomierz, 3 – watomierz.
Montaż i naprawa maszyn i urz…

Którą wielkość elektryczną można zmierzyć, posługując się miernikiem z cęgami jak na rysunku?

Ilustracja do pytania 7
A. Moc prądu elektrycznego.
B. Rezystancję izolacji przewodów elektrycznych.
C. Natężenie prądu elektrycznego.
D. Energię elektryczną.
Montaż i naprawa maszyn i urz…

Której końcówki wkrętakowej należy użyć w celu ustawienia na potencjometrze oznaczonym strzałką napięcia odniesienia w przetworniku pomiarowym przedstawionym na rysunku?

Ilustracja do pytania 13
A. Płaskiej.
B. Kwadratowej.
C. Sześciokątnej.
D. Torx.
Montaż i naprawa maszyn i urz…

Zmienę kierunku obrotów wirowania silnika indukcyjnego klatkowego uzyskuje się przez

A. zwiększenie częstotliwości zasilania.
B. podłączenie silnika do napięcia prądu stałego.
C. zamianę miejscami dwóch dowolnych przewodów fazowych.
D. zmniejszenie obciążenia.
Montaż i naprawa maszyn i urz…

Jak powinien być usytuowany miernik przedstawiony na rysunku zgodnie z symbolem oznaczonym strzałką podczas wykonywania pomiaru?

Ilustracja do pytania 22
A. Odchylony o kąt 15° od pionu.
B. Poziomo.
C. Pionowo.
D. Odchylony o kąt 1,5° od pionu.
Montaż i naprawa maszyn i urz…

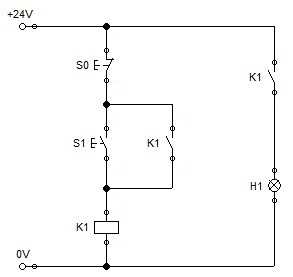
W układzie przedstawionym na schemacie lampka sygnalizacyjna H1 pozostaje załączona po wciśnięciu i zwolnieniu przycisku S1, natomiast nie gaśnie po wciśnięciu przycisku S0. Prawdopodobną przyczyną nieprawidłowego działania układu jest

Ilustracja do pytania 31
A. przerwa w obwodzie cewki przekaźnika K1.
B. uszkodzenie napędu przycisku S0.
C. zwarcie cewki przekaźnika K1.
D. uszkodzenie napędu przycisku S1.
Montaż i naprawa maszyn i urz…

Oznaczenie IP umieszczone na elektrycznym przyrządzie pomiarowym określa

A. klasę ochronności.
B. stopień ochrony obudowy.
C. stopień ochrony przed uderzeniami mechanicznymi.
D. możliwość pracy w strefie zagrożonej wybuchem.
Montaż i naprawa maszyn i urz…

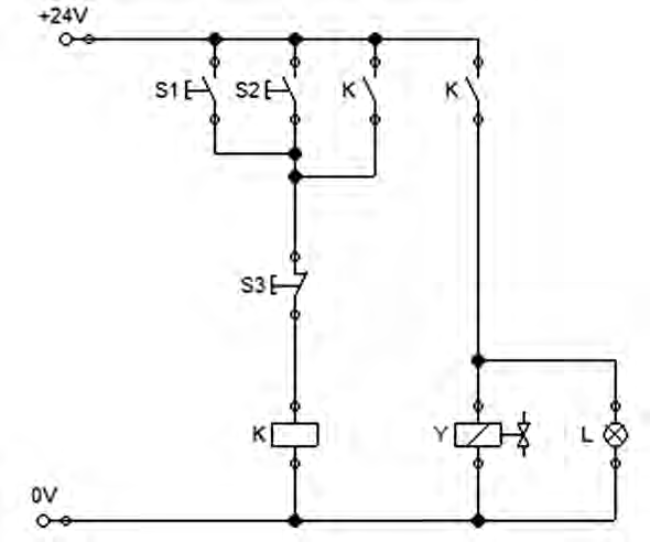
Urządzenie elektryczne uruchamiane jest poprzez przyciśnięcie łącznika S1 lub łącznika S2, a wyłączane przez przyciśnięcie łącznika S3. Lampka L świeci, gdy urządzenie jest uruchomione. Po przyciśnięciu łącznika S1 urządzenie działa, lecz lampka nie świeci. Który element należy naprawić lub wymienić w celu wyeliminowania tej niesprawności?

Ilustracja do pytania 36
A. Cewkę Y
B. Lampkę L
C. Przekaźnik K
D. Łącznik S2