Filtrowanie pytań

Wybierz zawód, aby zobaczyć dostępne kwalifikacje

Montaż i naprawa maszyn i urz…

Tłoczysko siłownika hydraulicznego powinno wysuwać się ruchem powolnym. Jednak po uruchomieniu układu tłoczysko siłownika wysuwa się bez zauważalnej zmiany prędkości. Który element powinien zostać wymieniony lub naprawiony, by usunąć tę niesprawność?

Ilustracja do pytania 2
A. zawór przelewowy
B. manometr
C. zawór dławiąco-zwrotny
D. siłownik hydrauliczny
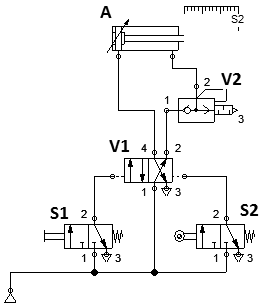
Montaż i naprawa maszyn i urz…

Tłoczysko siłownika A powinno wysunąć się do końca (położenie S2) ruchem szybkim i samoczynnie wsunąć się. Jednak po uruchomieniu siłownika zaworem S1 ruch wysuwania tłoczyska odbywa się bez zwiększenia prędkości. Aby wyeliminować tę nieprawidłowość, należy wymienić lub naprawić

Ilustracja do pytania 24
A. zawór szybkiego spustu V2
B. zawór drogowy S2
C. sygnałowy zawór rozdzielający S1
D. zawór rozdzielający V1
Montaż i naprawa maszyn i urz…

W układzie pneumatycznym uszkodzeniu uległ element oznaczony na schemacie symbolem X. Aby po naprawie układu tłoczysko siłownika wysuwało się dwa razy szybciej niż podczas wsuwania, należy w miejsce X wstawić zawór

Ilustracja do pytania 32
A. dławiący nastawialny.
B. dławiąco-zwrotny.
C. szybkiego spustu.
D. ograniczający ciśnienie.
Montaż i naprawa maszyn i urz…

Parametry techniczne zawarte w tabeli dotyczą

Wydajność:1,57L/min (przy 1 500 obr/min)
Objętość geometryczna:1,05 cm³/obr
Kierunek obrotów:lewy
Zakres obrotów:800÷5 000 (obr/min)
Przyłącza:gwinty wewnętrzne w korpusie 3/8"
Ciśnienie nominalne:240 bar
Ciśnienie maksymalne:280 bar

A. silnika pneumatycznego.
B. sprężarki pneumatycznej.
C. silnika hydraulicznego.
D. pompy hydraulicznej.