Filtrowanie pytań
TKO.02 Pytanie 1
Montaż i eksploatacja urządze…
A. dwóch niezależnych sieci energetycznych prądu stałego.
B. baterii akumulatorów.
C. agregatu spalinowo-elektrycznego.
D. dwóch niezależnych sieci energetycznych prądu przemiennego.
Montaż i eksploatacja urządze…
Przekaźniki czasowe impulsujące stosuje się w obwodach
A. zwrotnic.
B. krzyżownic.
C. świateł.
D. rogatek kolejowych.
TKO.02 Pytanie 3
Montaż i eksploatacja urządze…
Który przekaźnik blokady liniowej półsamoczynnej typu EAP znajduje się w stanie wzbudzonym, dla stanu przedstawionego na rysunku?

A. Lzs
B. Op
C. Dp
D. Nc
TKO.02 Pytanie 4
Montaż i eksploatacja urządze…
Żarówka główna i dodatkowa w komorze światła zezwalającego semafora wjazdowego powinny posiadać parametry:
A. 6 V, 12 W
B. 36 V, 48 W
C. 12 V, 24 W
D. 24 V, 36 W
TKO.02 Pytanie 5
Montaż i eksploatacja urządze…
Zgodnie z zamieszczonym fragmentem Załącznika nr 1 do instrukcji Ie-12 konserwacji układów kontroli niezajętości torów i rozjazdów dokonuje się raz na
| §§ instrukcji Ie-12 (E-24) | Nazwa urządzeń i wyszczególnienie wykonywanych robót | Urządzenia czynne | Urządzenia wyłączone z eksploatacji w zakresie § 84 | Uwagi |
|---|---|---|---|---|
| 58 ust. 1-4 i 7-10 | Przegląd elektrycznych napędów zwrotnicowych, w tym: Przegląd napędów zwrotnicowych | 1 raz/rok | 1 raz/rok | 3 |
| ust. 5 | Sprawdzenie sił nastawczych w elektrycznych napędach zwrotnicowych (dotyczy również napędów wykolejnicowych) | 1 raz/3 mies. | - | 2 |
| ust. 6 | Sprawdzenie sił trzymania w elektrycznych napędach zwrotnicowych | 1 raz/2 lata | - | 2 |
| 59 | Konserwacja kontrolerów położenia iglic | 1 raz/1 mies. | ||
| 60 | Przegląd kontrolerów położenia iglic | 1 raz/3 mies. | - | |
| 61 | Konserwacja układów kontroli niezajętości torów i rozjazdów | 1 raz/mies. | - | 3 |
| 62 | Przegląd układów kontroli niezajętości torów i rozjazdów (wiosną i jesienią) | 1 raz/6 mies. | 1 raz/rok | 3 |
| 63 | Przegląd szaf torowych (kontenerów) | 1 raz/3 mies. | 1 raz/rok |
A. pół roku.
B. kwartał.
C. miesiąc.
D. rok.
TKO.02 Pytanie 6
Montaż i eksploatacja urządze…
Na podstawie fragmentu planu schematycznego określ położenie zwrotnic rozjazdów dla umożliwienia realizacji przebiegu spod semafora B na tor 2.

A. Rozjazd 1/2: -, Rozjazd 3/4: -, Rozjazd 5: +
B. Rozjazd 1/2: +, Rozjazd 3/4: +, Rozjazd 5: -
C. Rozjazd 1/2: +, Rozjazd 3/4: -, Rozjazd 5: +
D. Rozjazd 1/2: -, Rozjazd 3/4: +, Rozjazd 5: +
Montaż i eksploatacja urządze…
Ocena skuteczności zerowania urządzenia srk wymaga pomiaru impedancji
A. stanowiska.
B. pętli zwarcia.
C. izolacji.
D. obudowy urządzenia.
Montaż i eksploatacja urządze…
Żyła kierunkowa w kablu ma izolację koloru
A. czarnego.
B. niebieskiego.
C. niebiesko-czarnego.
D. zielono-żółtego.
TKO.02 Pytanie 9
Montaż i eksploatacja urządze…
Na rysunku przedstawiono schemat blokowy napędu zwrotnicowego

A. JRJ10814
B. typu B
C. typu A
D. EEA-4
Montaż i eksploatacja urządze…
Za napięcie bezpieczne w obwodach prądu przemiennego, w normalnych warunkach pracy, uważane jest napięcie o wartości
A. 60 V
B. 100 V
C. 80 V
D. 50 V
TKO.02 Pytanie 11
Montaż i eksploatacja urządze…
Zgodnie z zasadami ochrony przeciwporażeniowej w urządzeniach elektroenergetycznych niskiego napięcia, przedstawiony na ilustracji symbol dotyczy urządzeń

A. 0 klasy ochronności.
B. II klasy ochronności.
C. I klasy ochronności.
D. III klasy ochronności.
Montaż i eksploatacja urządze…
Na rysunku zamieszczono stosowane na planach linii i stacji kolejowych oznaczanie

A. elektronicznego obwodu nakładanego.
B. czujnika szynowego z odcinkiem izolowanym.
C. odcinka izolowanego.
D. przekaźnika obojętnego.
Montaż i eksploatacja urządze…
Na rysunku przedstawiono

A. elektroniczny obwód nakładany.
B. czujnik magnetyczny.
C. obwód torowy zamknięty.
D. obwód torowy otwarty.
TKO.02 Pytanie 14
Montaż i eksploatacja urządze…
Który stan powinien wystąpić w urządzeniach przekaźnikowych, gdy napęd elektryczny zwrotnicowy z kontrolą iglic wykaże brak kontroli przy jednoczesnym braku wykazywania niezajętości?
A. Sygnalizacja rozprucia zwrotnicy.
B. Brak kontroli położenia zwrotnicy.
C. Sygnalizacja braku niezajętości rozjazdu.
D. Brak łączności z napędem.
TKO.02 Pytanie 15
Montaż i eksploatacja urządze…
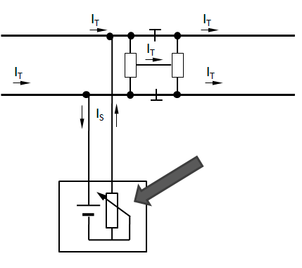
Na rysunku strzałką oznaczono

A. dławik torowy.
B. złącze torowe.
C. źródło energii.
D. rezystor nadajnika.
TKO.02 Pytanie 16
Montaż i eksploatacja urządze…
Przekaźnikiem klasy N stosowanym w urządzeniach sterowania ruchem kolejowym jest przekaźnik
A. JRF
B. JRR
C. JRV
D. JRG
TKO.02 Pytanie 17
Montaż i eksploatacja urządze…
Na schemacie cyfrą 1 oznaczono

A. balisę.
B. detektor pokładowy.
C. antenę GSM.
D. moduł transmisyjny.
TKO.02 Pytanie 18
Montaż i eksploatacja urządze…
Zbocznicowanie toków szynowych na odstępie lt 118 samoczynnej (wieloodstępowej) blokady liniowej, wyposażonej w bezzałogowe obwody torowe powinno spowodować

A. wyświetlenie się sygnału „stój” na semaforze odstępowym 118.
B. wygaszenie semafora odstępowego 118.
C. wyświetlenie się sygnału „stój” na semaforach 118 i 130.
D. uniemożliwienie wyprawienia pociągu na szlak ze stacji Goździk.
TKO.02 Pytanie 19
Montaż i eksploatacja urządze…
Na rysunku zamieszczono symbol graficzny bramki NAND realizującej funkcję

A. D
B. A
C. B
D. C
Montaż i eksploatacja urządze…
Pomiaru rezystancji izolacji kabla sygnalizacyjnego należy wykonywać przy użyciu
A. miliamperomierza.
B. mikrowoltomierza.
C. megaomomierza.
D. watomierza.
Montaż i eksploatacja urządze…
Kabel zasilający urządzenia srk typu YKY posiada izolację wykonaną z
A. polwinitu.
B. polietylenu.
C. tworzywa bezhalogenowego.
D. gumy.
TKO.02 Pytanie 22
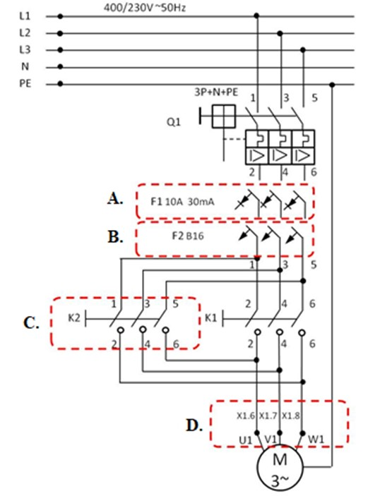
Montaż i eksploatacja urządze…
Wyłącznik różnicowoprądowy na schemacie oznaczono ramką

A. K2
B. X1, X6, X7, X13, X14
C. F1 10A 30mA
D. F2 B16
TKO.02 Pytanie 23
Montaż i eksploatacja urządze…
Blok prądu stałego przedstawiony na rysunku, może pełnić funkcję bloku

A. otrzymania nakazu.
B. dania zgody.
C. przebiegowo utwierdzającego.
D. pozwolenia.
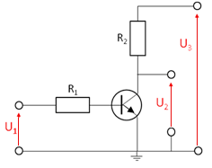
Montaż i eksploatacja urządze…
Na schemacie symbolami U₁, U₂ i U₃ kolejno oznaczono napięcia

A. wejściowe, wyjściowe i zasilania.
B. wyjściowe, zasilania i wejściowe.
C. sterujące, wejściowe i wyjściowe
D. wyjściowe, sterujące i wejściowe.
Montaż i eksploatacja urządze…
Nadajnik obwodu między zwrotnicowego SOT-22 składa się z następujących zespołów
A. urządzenia zasilającego, urządzenia kontrolnego, obiektu sterowania, układu całkującego.
B. prostownika, stabilizatora, generatora, wzmacniacza mocy, obwodu wyjściowego.
C. regulatora, sumatora, układu logicznego, sterownika mocy, przekształtnika mocy.
D. transformatora, odbiornika czynnego, odbiornika biernego, przekaźnika, filtra.
Montaż i eksploatacja urządze…
Na rysunku jest przedstawiony układ do pomiaru rezystancji izolacji kabla przy użyciu

A. miliomomierza.
B. mikrowoltomierza.
C. megaomomierza.
D. miliwoltomierza.
Montaż i eksploatacja urządze…
Przedstawiony na rysunku przyrząd należy zastosować do pomiaru

A. natężenia prądu.
B. temperatury.
C. rezystancji.
D. pojemności.
TKO.02 Pytanie 28
Montaż i eksploatacja urządze…
Na schemacie przedstawiono oznaczenie rozjazdu

A. z napędem i kontrolą położenia iglicy.
B. z napędem zwrotnicowym.
C. zwyczajnego, położenie zasadnicze w bok.
D. zwyczajnego, położenie zasadnicze na wprost.
Montaż i eksploatacja urządze…
Wartość napięcia zasilającego obwody przekaźnika sygnałowego wynosi
A. 12 V lub 24 V prądu stałego.
B. 48 V prądu stałego.
C. 48 V prądu zmiennego.
D. 24 V prądu zmiennego.
TKO.02 Pytanie 30
Montaż i eksploatacja urządze…
Na podstawie tabeli określ, jakie oznaczenie będzie posiadał stosowany w Polsce napęd zwrotnicowy szybkobieżny, o sile rozprucia 7 kN, sile nastawczej 6 kN, napięciu zasilania 230 V prądu przemiennego, zabudowany po stronie lewej rozjazdu.
| Oznaczenie ze względu na: | EBI Switch 700 - | H/ | ||||||
|---|---|---|---|---|---|---|---|---|
| Kraj przeznaczenia (pierwsza litera nazwy kraju) | Np.: | Austria | A | |||||
| Hiszpania | E | |||||||
| Niemcy | G | |||||||
| Polska | P | |||||||
| Dania | D | |||||||
| Siła rozprucia napędu [kN] | Np.: | 7,0 kN | 7 | |||||
| 9,0 kN | 9 | |||||||
| >100 kN (nierozpruwalny) | 0 | |||||||
| Siła nastawcza* [kN] | Np.: | 5 kN | 5 | |||||
| 6 kN | 6 | |||||||
| 7 kN | 7 | |||||||
| Napięcie zasilania | 1x220 V DC | 1 | ||||||
| 1x230 V AC | 2 | |||||||
| 3x400 V AC | 4 | |||||||
| Czas przestawiania | Np. | dla skoku 220mm | 3 | |||||
| 5 | ||||||||
| Technologia (domyślnie) | Elektrohydrauliczny | H/ | ||||||
| Strona zabudowy | Prawa | R | ||||||
| Lewa | L | |||||||
| Skok suwaka | Np.: | 220 mm | 22 | |||||
| Schemat okablowania | W zależności od systemu sterowania | A,B,C… | ||||||
A. P7525H/L22
B. P7623H/L22
C. P0743R/L22
D. P9515H/R22
Montaż i eksploatacja urządze…
Który typ obwodu torowego przedstawiono na schemacie?

A. Zamknięty.
B. Półotwarty.
C. Otwarty.
D. Półzamknięty.
TKO.02 Pytanie 32
Montaż i eksploatacja urządze…
Na przedstawionym schemacie blokady stacyjnej cyfrą 1 oznaczono

A. blok dania nakazu na przebieg spod semafora A<sup>1/2</sup>.
B. zestyki własne bloku dania nakazu na przebieg spod semafora A<sup>1/2</sup>.
C. zestyki drążka przebiegowego a<sup>1</sup>.
D. blok otrzymania nakazu na przebieg a<sup>1</sup>.
Montaż i eksploatacja urządze…
Symbol YKSY 9x1,5 mm2 oznacza kabel sygnałowy z żyłami
A. aluminiowymi w izolacji z poliwinitu.
B. miedzianymi w izolacji z gumy.
C. aluminiowymi w izolacji z gumy.
D. miedzianymi w izolacji z poliwinitu.
Montaż i eksploatacja urządze…
Podczas nieprawidłowego działania izolowanych obwodów torowych pomiar wartości natężenia prądu stanu jałowego i spadku napięcia na uzwojeniu należy zmierzyć na zaciskach
A. przekaźnika JRV.
B. induktora blokowego.
C. transformatora REJ.
D. silnika elektrycznego napędu zwrotnicowego.
TKO.02 Pytanie 35
Montaż i eksploatacja urządze…
Urządzeniem kontroli niezajętości toru złożonym między innymi z kasety z kartami, czujnika koła i łączy transmisyjnych jest
A. przycisk szynowy typu Neptun.
B. klasyczny obwód torowy.
C. elektroniczny obwód nakładany.
D. elektroniczny licznik osi.
Montaż i eksploatacja urządze…
W celu odseparowania prądu sygnałowego do sterowania ruchem kolejowym od powrotnego prądu trakcyjnego jest
A. dławik wyrównawczy.
B. elektromagnes torowy.
C. dławik torowy.
D. przekaźnik torowy.
TKO.02 Pytanie 37
Montaż i eksploatacja urządze…
Kable magistralne należy oznaczyć numeracją
A. jednocyfrową.
B. czterocyfrową.
C. dwucyfrową.
D. trzycyfrową.
Montaż i eksploatacja urządze…
Co zabezpiecza pieszych, znajdujących się na kładkach nad torami, przed bezpośrednim porażeniem prądem elektrycznym?
A. Wieszak trakcyjny.
B. Osłona przeciwporażeniowa.
C. Łącznik międzytorowy.
D. Uszynienie.
TKO.02 Pytanie 39
Montaż i eksploatacja urządze…
Przedstawiony na rysunku łącznik szynowy stanowi element

A. sieci powrotnej.
B. samoczynnego hamowania pociągu.
C. liczników osi.
D. obwodu sygnałowego.
TKO.02 Pytanie 40
Montaż i eksploatacja urządze…
Kable odcinkowe prowadzące z nastawni do urządzeń przytorowych należy oznaczyć numeracją
A. czterocyfrową.
B. trzycyfrową.
C. dwucyfrową.
D. jednocyfrową.