Filtrowanie pytań
Montaż, uruchamianie i obsług…
A. średnicówkę mikrometryczną.
B. wałeczki pomiarowe.
C. pryzmę.
D. rysik.
Montaż, uruchamianie i obsług…
Która z przekładni mechanicznych na pokazanych rysunkach pracuje zgodnie z przedstawionym schematem kinematycznym?

A. Przekładnia 4.

B. Przekładnia 1.

C. Przekładnia 3.

D. Przekładnia 2.

Montaż, uruchamianie i obsług…
Który z bloków oprogramowania sterowników PLC działa wg diagramu przedstawionego na rysunku?

A. Blok przerzutnika synchronicznego RS z dominującym wejściem R
B. Blok przerzutnika synchronicznego RS z dominującym wejściem S
C. Blok przerzutnika asynchronicznego RS z dominującym wejściem S
D. Blok przerzutnika asynchronicznego RS z dominującym wejściem R
Montaż, uruchamianie i obsług…
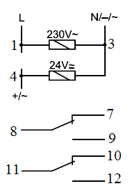
Na podstawie fragmentu dokumentacji przekaźnika wskaż zaciski, do których należy podłączyć napięcie zasilania 24 V DC.

A. Do zacisku 3 podłączyć „+”, a do zacisku 4 „-”
B. Do zacisku 3 podłączyć „-”, a do zacisku 4 „+”
C. Do zacisku 1 podłączyć „+”, a do zacisku 3 „-”
D. Do zacisku 1 podłączyć „-”, a do zacisku 3 „+”
Montaż, uruchamianie i obsług…
Na schemacie przedstawiającym elektrozawór, strzałka wskazuje

A. gniazdo.
B. zworę.
C. cewkę.
D. sprężynę.
ELM.01 Pytanie 6
Montaż, uruchamianie i obsług…
Które elementy na schematach układów pneumatycznych są oznaczane literą V?
A. Zawory.
B. Pompy.
C. Siłowniki.
D. Silniki.
Montaż, uruchamianie i obsług…
Na podstawie schematu podłączenia przewodów do przemiennika częstotliwości wskaż zaciski, do których należy podłączyć czujnik temperatury wykorzystany do termicznego zabezpieczenia silnika.

A. 2 oraz L
B. O oraz L
C. 5 oraz L
D. H oraz L
Montaż, uruchamianie i obsług…
Na podstawie fragmentu rysunku wykonawczego określ długość krawędzi X.

A. 20 mm
B. 10 mm
C. 60 mm
D. 30 mm
Montaż, uruchamianie i obsług…
Który rysunek przedstawia symbol graficzny zestyku przekaźnika czasowego o opóźnionym załączeniu?
A.

B.

C.

D.

ELM.01 Pytanie 10
Montaż, uruchamianie i obsług…
Na schemacie zespołu przygotowania powietrza symbol graficzny manometru oznaczono cyfrą

A. 4
B. 1
C. 3
D. 2
Montaż, uruchamianie i obsług…
W dokumentacji powykonawczej nie należy umieszczać
A. dowodów zakupu z cenami.
B. warunków gwarancji.
C. certyfikatów użytych materiałów.
D. protokołów pomiarowych.
Montaż, uruchamianie i obsług…
Która z przedstawionych tabliczek znamionowych opisuje silnik elektryczny przeznaczony do pracy ciągłej?

A. Tabliczka 3.
B. Tabliczka 1.
C. Tabliczka 4.
D. Tabliczka 2.
Montaż, uruchamianie i obsług…
Na którym rysunku prawidłowo przedstawiono początek sekwencji współbieżnej sieci SFC?
A. Rysunek 3.

B. Rysunek 1.

C. Rysunek 4.

D. Rysunek 2.

Montaż, uruchamianie i obsług…
Na rysunku przedstawiono listwę przyłączeniową regulatora temperatury. Do których zacisków regulatora należy podłączyć czujnik termoelektryczny?

A. 2 i 3
B. 5 i 6
C. 1 i 2
D. 1 i 3
Montaż, uruchamianie i obsług…
Na schemacie układu sterowania elementy PT1 i PT2 to

A. prostowniki sterowane.
B. prostowniki niesterowane.
C. przemienniki częstotliwości.
D. falowniki.
Montaż, uruchamianie i obsług…
Na podstawie fragmentu dokumentacji przekaźnika wskaż zaciski, do których należy podłączyć napięcie zasilania 24 V DC.

A. Do zacisku 3 podłączyć „+”, a do zacisku 4 „-”
B. Do zacisku 1 podłączyć „+”, a do zacisku 3 „-”
C. Do zacisku 1 podłączyć „-”, a do zacisku 3 „+”
D. Do zacisku 3 podłączyć „-”, a do zacisku 4 „+”
Montaż, uruchamianie i obsług…
Zgodnie z zamieszczonym schematem lampka sygnalizacyjna H1 będzie świecić, gdy

A. będą naciśnięte tylko przyciski S1 i S2
B. będzie naciśnięty tylko przycisk S3
C. będą naciśnięte tylko przyciski S1 i S3
D. będzie naciśnięty tylko przycisk S1
Montaż, uruchamianie i obsług…
Element zaznaczony na ilustracji strzałką, posiadający jedno uzwojenie, umożliwiający w zależności od konstrukcji obniżanie lub podwyższanie wartości napięcia przemiennego, to

A. multimetr cyfrowy.
B. silnik prądu stałego.
C. autotransformator.
D. opornik dekadowy.
Montaż, uruchamianie i obsług…
Na schemacie przedstawiono

A. regulowany wzmacniacz napięć lub prądów zmiennych.
B. przetwornik pomiarowy prądu lub napięcia AC.
C. przetwornik napięcia AC na prąd AC.
D. konwerter łącza szeregowego na łącze światłowodowe.
Montaż, uruchamianie i obsług…
Rysunek poglądowy przedstawia budowę przekaźnika. Strzałka wskazuje

A. zworę.
B. rdzeń.
C. styki.
D. cewkę.
Montaż, uruchamianie i obsług…
Rysunek poglądowy przedstawia budowę przekaźnika. Strzałka wskazuje

A. styki.
B. rdzeń.
C. cewkę.
D. zworę.
Montaż, uruchamianie i obsług…
Na którym rysunku prawidłowo przedstawiono początek sekwencji współbieżnej sieci SFC?
A.

B.

C.

D.

ELM.01 Pytanie 23
Montaż, uruchamianie i obsług…
Na schemacie zespołu przygotowania powietrza, symbolem X oznaczono

A. manometr.
B. smarownicę.
C. filtr.
D. zawór.
Montaż, uruchamianie i obsług…
Program sterowniczy przedstawiony na rysunku realizuje funkcję

A. OR
B. Ex-NOR
C. Ex-OR
D. NOR
Montaż, uruchamianie i obsług…
Na podstawie fragmentu rysunku wykonawczego określ długość krawędzi X.

A. 60 mm
B. 10 mm
C. 20 mm
D. 30 mm
ELM.01 Pytanie 26
Montaż, uruchamianie i obsług…
Na schemacie zespołu przygotowania powietrza, symbolem X oznaczono

A. smarownicę.
B. filtr.
C. manometr.
D. zawór.
Montaż, uruchamianie i obsług…
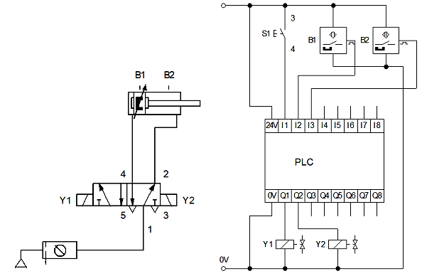
Wskaż element, którym można zastąpić uszkodzony element S1 w układzie, którego schemat przedstawiono na rysunku.

A.

B.

C.

D.

Montaż, uruchamianie i obsług…
W dokumentacji powykonawczej nie jest wymagane umieszczać
A. faktur lub innych dowodów zakupu z cenami.
B. warunków gwarancji.
C. protokołów pomiarowych.
D. certyfikatów użytych materiałów.
Montaż, uruchamianie i obsług…
Na rysunku przedstawiono schemat blokowy regulatora

A. PI
B. PD
C. PID
D. P
Montaż, uruchamianie i obsług…
Wskaż oznaczenie literowe gwintu metrycznego.
A. M
B. S
C. W
D. Tr
Montaż, uruchamianie i obsług…
Na rysunku przedstawiono diagram działania jednego z bloków funkcjonalnych sterownika PLC. Jest to blok

A. licznika impulsów zliczającego w górę CTU.
B. timera opóźniającego załączenie TON.
C. licznika impulsów zliczającego w dół CTD.
D. timera opóźniającego wyłączenie TOF
Montaż, uruchamianie i obsług…
Zgodnie z programem sterującym przedstawionym na rysunku załączenie wyjścia %Q0.1 w sterowniku PLC nastąpi

A. natychmiast i będzie trwało 5 sekund od zmiany stanu z 0 na 1 na wejściu %I0.1
B. natychmiast i będzie trwało przez 5 sekund gdy wejście %I0.1 będzie aktywne
C. po 5 sekundach od zmiany stanu z 1 na 0 na wejściu %I0.1
D. po 5 sekundach od pojawienia się stanu 1 na wejściu %I0.1
Montaż, uruchamianie i obsług…
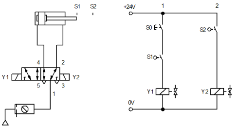
Wskaż stany logiczne wejść I2 i I3 sterownika w układzie przedstawionym na rysunku przy wsuniętym tłoczysku i poprawnej pracy czujników.

A. I2 = 0, I3 = 1.
B. I2 = 1, I3 = 0.
C. I2 = 1, I3 = 1.
D. I2 = 0, I3 = 0.
Montaż, uruchamianie i obsług…
Na podstawie przedstawionego schematu wskaż stany przycisków, przy których lampka sygnalizacyjna świeci.

A. S1 nieprzyciśnięty, S2 nieprzyciśnięty.
B. S1 przyciśnięty, S2 nieprzyciśnięty.
C. S1 przyciśnięty, S2 przyciśnięty.
D. S1 nieprzyciśnięty, S2 przyciśnięty.
Montaż, uruchamianie i obsług…
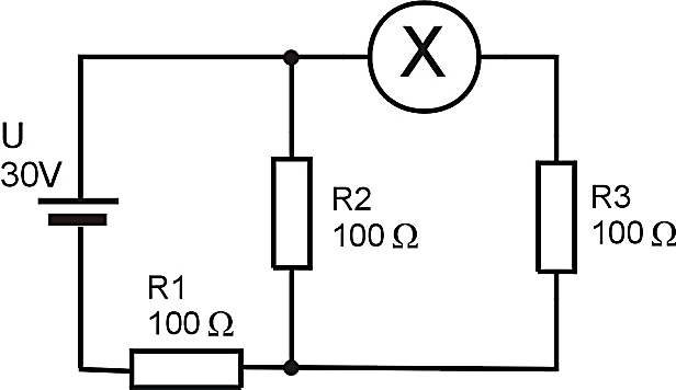
Który miernik należy zastosować w miejscu oznaczonym literą X na schemacie elektrycznym przedstawionym na rysunku?

A. Woltomierz.
B. Omomierz.
C. Częstotliwościomierz.
D. Amperomierz.
Montaż, uruchamianie i obsług…
Kolejność dokręcania śrub mocujących płytę jest następująca:

A. 1 – 3 – 4 – 2
B. 1 – 2 – 3 – 4
C. 4 – 3 – 2 – 1
D. 4 – 3 – 1 – 2
Montaż, uruchamianie i obsług…
Na schemacie układu sterowania wskaż, dla którego odcinka przewodu została błędnie wpisana wartość rezystancji.

A. S1:4/WE2 ∞
B. V0:A2/V1:A2 0,1
C. S0:2/WE1 0,1
D. WY1/V0:A1 0,1
Montaż, uruchamianie i obsług…
Na podstawie tabeli wskaż jakie powinno być ustawienie sekcji przełącznika, by było możliwe sterowanie za pomocą sygnału prądowego o wartości z przedziału 0 ÷ 20 mA.
| Sekcja przełącznika | |||||
|---|---|---|---|---|---|
| 1 | 2 | 3 | 4 | ||
| Sygnał sterujący | 0 ÷ 5 V | OFF | ON | OFF | OFF |
| 0 ÷ 10 V | OFF | OFF | OFF | OFF | |
| 0 ÷ 20 mA | ON | OFF | OFF | OFF | |
| 4 ÷ 20 mA | ON | ON | ON | ON | |
| Rodzaj odbiornika | rezystancyjny | - | - | - | - |
| rezystancyjno-indukcyjny (0,7 ≤ cos φ ≤ 0,9) | - | - | - | - | |
A. 1 – ON, 2 – OFF, 3 – OFF, 4 – OFF
B. 1 – ON, 2 – ON, 3 – ON, 4 – ON
C. 1 – OFF, 2 – OFF, 3 – OFF, 4 – OFF
D. 1 – OFF, 2 – ON, 3 – OFF, 4 – OFF
Montaż, uruchamianie i obsług…
W przekaźniku elektromagnetycznym symbolami A1 i A2 oznaczone są zaciski
A. styków zwiernych.
B. układów ochronnych.
C. cewki przekaźnika.
D. styków rozwiernych.
Montaż, uruchamianie i obsług…
Który symbol graficzny oznacza przekładnię zębatą?
A.

B.

C.

D.
