Filtrowanie pytań
ELM.01 Pytanie 1
Montaż, uruchamianie i obsług…
A. Zawory.
B. Silniki.
C. Siłowniki.
D. Pompy.
Montaż, uruchamianie i obsług…
Przedstawione na rysunku narzędzie służy do

A. cięcia przewodów pneumatycznych.
B. zaciskania tulejek.
C. oznaczania przewodów.
D. ściągania izolacji.
Montaż, uruchamianie i obsług…
Do sygnalizacji położenia tłoka siłownika pneumatycznego, którego symbol graficzny pokazano na rysunku, należy zastosować czujnik

A. pojemnościowy.
B. ultradźwiękowy.
C. indukcyjny.
D. magnetyczny.
Montaż, uruchamianie i obsług…
Oszacuj na podstawie charakterystyki pompy wysokość podnoszenia cieczy, jeżeli przy prędkości obrotowej n = 1 850 1/min pracuje ona z wydajnością 550 m³/h.

A. 6,4 m
B. 8,5 m
C. 4,2 m
D. 2,2 m
Montaż, uruchamianie i obsług…
Przed podłączeniem układu pneumatycznego do układu zasilającego ustawia się odpowiednią wartość ciśnienia. Do odczytu nastawianej wartości trzeba użyć
A. manometru.
B. pirometru.
C. termometru.
D. rotametru.
Montaż, uruchamianie i obsług…
Na podstawie tabeli, określ ile oleju należy przygotować do całkowitej wymiany zużytego oleju w pompie IF1 400.
| Typ pompy | Ilość oleju w silniku [l] | Ilość oleju w komorze olejowej [l] | Całkowita ilość oleju w pompie [l] |
|---|---|---|---|
| IF1 100; 150; 200 | 0,40 | - | 0,40 |
| IF1 50; 75; 100; 150; 200 | 0,40 | - | 0,40 |
| IF2 300 | 0,90 | 0,12 | 1,02 |
| IF1 300; 400 | 1,70 | 0,12 | 1,82 |
| IF2 400 | 1,70 | 0,12 | 1,82 |
| IF1 550 | 1,70 | 0,12 | 1,82 |
| IF2 550 | 1,70 | 0,12 | 1,82 |
| IF1 750 | 2,00 | 0,12 | 2,12 |
| IF1 1000 | 2,00 | 0,12 | 2,12 |
| IF1 1500; 2000 | 5,00 | 0,18 | 5,18 |
A. 0,40 l
B. 1,82 l
C. 1,70 l
D. 0,90 l
Montaż, uruchamianie i obsług…
Do którego przyłącza zaworu hydraulicznego należy podłączyć zbiornik z cieczą hydrauliczną?

A. A
B. B
C. P
D. T
ELM.01 Pytanie 8
Montaż, uruchamianie i obsług…
Na schemacie zespołu przygotowania powietrza symbol graficzny manometru oznaczono cyfrą

A. 1
B. 2
C. 4
D. 3
Montaż, uruchamianie i obsług…
Na podstawie fragmentu karty katalogowej zaworu elektromagnetycznego określ maksymalne wartości ciśnienia roboczego i temperatury medium.
| Fragment karty katalogowej | |
|---|---|
| Typ modułu pneumatyki | zawór elektromagnetyczny |
| Gwint | BSP 3/4" |
| Średnica zewnętrzna przewodu | 20 mm |
| Ciśnienie robocze | 0.1÷16 bar |
| Temperatura pracy | max. 50°C |
| Temperatura medium maks. | 90°C |
| Napięcie zasilania | 24 V DC |
| Klasa szczelności | IP65 |
| Materiał korpusu | mosiądz |
| Materiał uszczelnienia | kauczuk NBR |
| Podłączenie elektryczne | DIN 43650 typ A |
A. Ciśnienie robocze 16 barów i temperatura 50°C
B. Ciśnienie robocze 0,1 bara i temperatura 50°C
C. Ciśnienie robocze 10 barów i temperatura 90°C
D. Ciśnienie robocze 16 barów i temperatura 90°C
Montaż, uruchamianie i obsług…
Który z elementów należy zastosować do wykonania rozgałęzienia sygnału/przewodu pneumatycznego w celu podłączenia w układzie manometru?
A. Element 2.

B. Element 3.

C. Element 4.

D. Element 1.

Montaż, uruchamianie i obsług…
Do którego przyłącza zaworu hydraulicznego należy podłączyć zbiornik z cieczą hydrauliczną?

A. B
B. P
C. A
D. T
Montaż, uruchamianie i obsług…
Która ilustracja przedstawia zawór szybkiego spustu?
A. Ilustracja 1

B. Ilustracja 4

C. Ilustracja 2

D. Ilustracja 3

Montaż, uruchamianie i obsług…
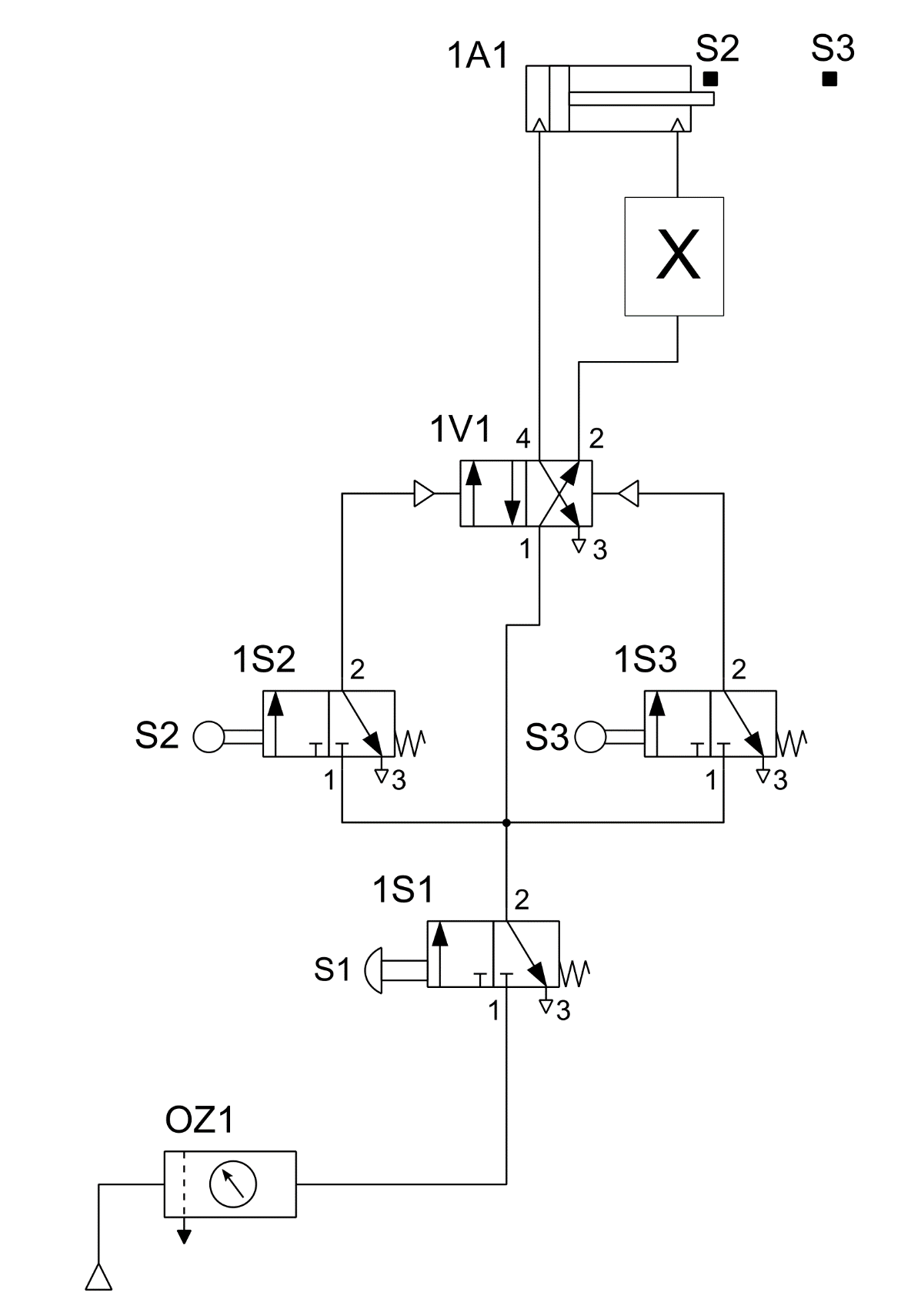
Urządzenie, którego schemat przedstawiono na rysunku, pracuje w sposób oscylacyjny. Który zawór należy zamontować w miejscu oznaczonym X, aby prędkość wysuwania tłoczyska siłownika była większa od prędkości wsuwania?

A. Przełącznik obiegu.
B. Podwójnego sygnału.
C. Progowy.
D. Dławiąco-zwrotny.
Montaż, uruchamianie i obsług…
Na rysunku przedstawiono

A. zawór odcinający.
B. blok rozdzielający.
C. zespół przygotowania powietrza.
D. elektrozawór.
Montaż, uruchamianie i obsług…
Oszacuj na podstawie charakterystyki pompy wysokość podnoszenia cieczy, jeżeli przy prędkości obrotowej n = 1 850 1/min pracuje ona z wydajnością 550 m³/h.

A. 8,5 m
B. 4,2 m
C. 2,2 m
D. 6,4 m
ELM.01 Pytanie 16
Montaż, uruchamianie i obsług…
Na schemacie zespołu przygotowania powietrza, symbolem X oznaczono

A. filtr.
B. manometr.
C. smarownicę.
D. zawór.
Montaż, uruchamianie i obsług…
Na podstawie fragmentu karty katalogowej zaworu elektromagnetycznego określ maksymalne wartości ciśnienia roboczego i temperatury medium.
| Fragment karty katalogowej | |
|---|---|
| Typ modułu pneumatyki | zawór elektromagnetyczny |
| Gwint | BSP 3/4" |
| Średnica zewnętrzna przewodu | 20 mm |
| Ciśnienie robocze | 0.1÷16 bar |
| Temperatura pracy | max. 50°C |
| Temperatura medium maks. | 90°C |
| Napięcie zasilania | 24 V DC |
| Klasa szczelności | IP65 |
| Materiał korpusu | mosiądz |
| Materiał uszczelnienia | kauczuk NBR |
| Podłączenie elektryczne | DIN 43650 typ A |
A. Ciśnienie robocze 10 barów i temperatura 90°C
B. Ciśnienie robocze 16 barów i temperatura 50°C
C. Ciśnienie robocze 0,1 bara i temperatura 50°C
D. Ciśnienie robocze 16 barów i temperatura 90°C
ELM.01 Pytanie 18
Montaż, uruchamianie i obsług…
Na schemacie zespołu przygotowania powietrza, symbolem X oznaczono

A. filtr.
B. smarownicę.
C. manometr.
D. zawór.
Montaż, uruchamianie i obsług…
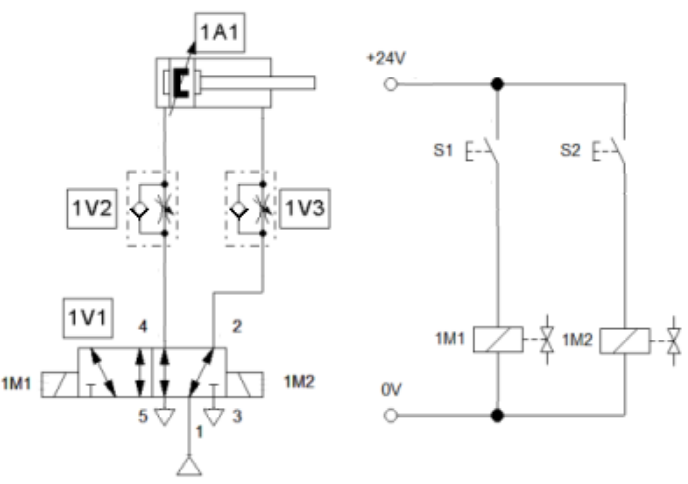
Który zawór rozdzielający należy zamontować w układzie elektropneumatycznym przedstawionym na rysunku?
| Liczba cewek | 1 | 2 | 1 | 2 |
| Typ zaworu | 4/2 | 4/3 | 5/2 | 5/2 |
| Biegunowość zasilania | dowolna | dowolna | dowolna | dowolna |
| Zawór | 1 | 2 | 3 | 4 |

A. 4
B. 3
C. 1
D. 2
Montaż, uruchamianie i obsług…
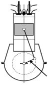
Który element silnika tłokowego wskazuje strzałka?

A. Dźwignię.
B. Korbowód.
C. Wodzik.
D. Wał korbowy.
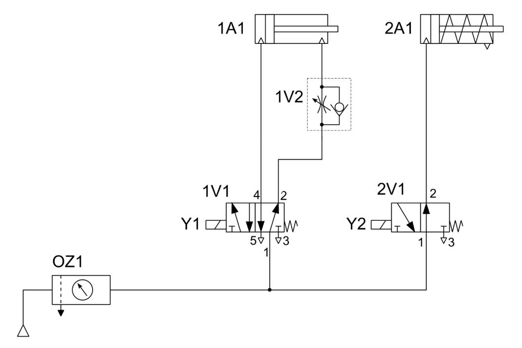
Montaż, uruchamianie i obsług…
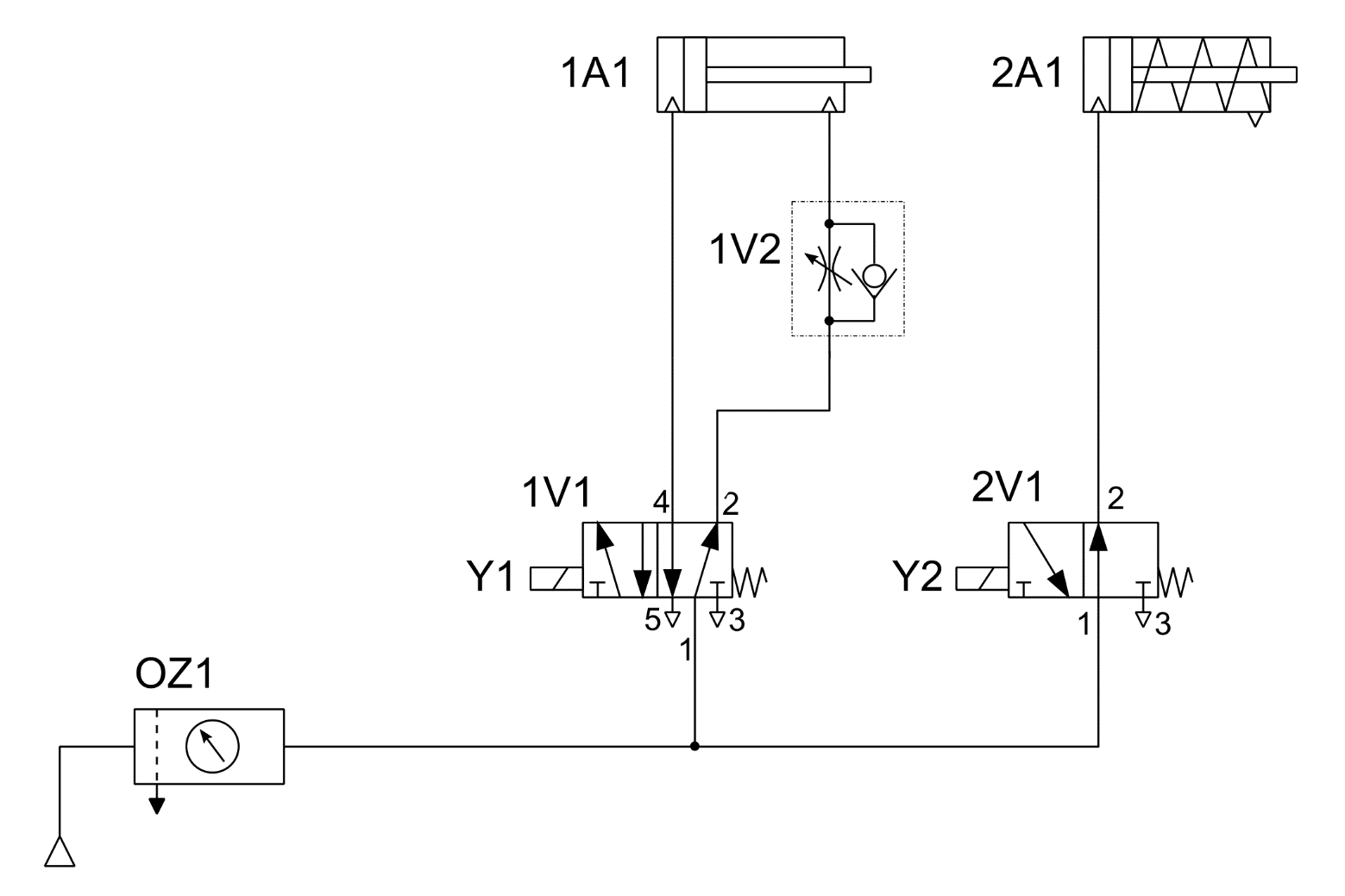
W której pozycji ustawią się tłoczyska siłowników 1A1 i 2A1 po włączeniu zasilania układu sprężonym powietrzem przy niewzbudzonych cewkach Y1 i Y2?

A. Tłoczysko siłownika 1A1 nie wysunie się, a tłoczysko siłownika 2A1 wysunie się.
B. Tłoczysko siłownika 1A1 wysunie się, a tłoczysko siłownika 2A1 nie wysunie się.
C. Tłoczyska obu siłowników pozostaną wsunięte.
D. Tłoczyska obu siłowników wysuną się.
Montaż, uruchamianie i obsług…
W której pozycji ustawią się tłoczyska siłowników 1A1 i 2A1 po włączeniu zasilania układu sprężonym powietrzem przy niewzbudzonych cewkach Y1 i Y2?

A. Tłoczyska obu siłowników pozostaną wsunięte.
B. Tłoczysko siłownika 1A1 nie wysunie się, a tłoczysko siłownika 2A1 wysunie się.
C. Tłoczysko siłownika 1A1 wysunie się, a tłoczysko siłownika 2A1 nie wysunie się.
D. Tłoczyska obu siłowników wysuną się.
Montaż, uruchamianie i obsług…
Do pomiaru wartości podciśnienia w zautomatyzowanej instalacji pneumatycznej, w której stosowane są ejektory wraz z przyssawkami, należy zastosować
A. wakuometr.
B. manometr.
C. barometr.
D. manometr różnicowy.
Montaż, uruchamianie i obsług…
Do sygnalizacji położenia tłoka siłownika pneumatycznego, którego symbol graficzny pokazano na rysunku, należy zastosować czujnik

A. ultradźwiękowy.
B. indukcyjny.
C. magnetyczny.
D. pojemnościowy.
Montaż, uruchamianie i obsług…
Do pomiaru ciśnienia cieczy w układach hydraulicznych stosuje się
A. higrometry.
B. barometry.
C. manometry.
D. areometry.
Montaż, uruchamianie i obsług…
Aby zapewnić stałą wartość ciśnienia doprowadzanego do układu pneumatycznego, należy zastosować zawór
A. dławiący.
B. zwrotny.
C. bezpieczeństwa.
D. redukcyjny.
ELM.01 Pytanie 27
Montaż, uruchamianie i obsług…
Jaka jest właściwa kolejność czynności przy wymianie elektropneumatycznego zaworu kulowego?
A. |
B. |
C. |
D. |
A. 1. Wyłączyć media zasilające. 2. Za pomocą klucza maszynowego odkręcić zawór kulowy. 3. Odłączyć przewody elektryczne i pneumatyczne od zdemontowanego zaworu. 4. Podłączyć przewody elektryczne i pneumatyczne do zamontowanego zaworu. 5. Zainstalować nowy zawór. 6. Włączyć media zasilające.
B. 1. Wyłączyć media zasilające. 2. Za pomocą klucza maszynowego odkręcić zawór kulowy. 3. Zainstalować nowy zawór. 4. Odłączyć przewody elektryczne i pneumatyczne od demontowanego zaworu. 5. Podłączyć przewody elektryczne i pneumatyczne do zamontowanego zaworu. 6. Włączyć media zasilające.
C. 1. Wyłączyć media zasilające. 2. Odłączyć przewody elektryczne i pneumatyczne od demontowanego zaworu. 3. Podłączyć przewody elektryczne i pneumatyczne do montowanego zaworu. 4. Za pomocą klucza maszynowego odkręcić zawór kulowy. 5. Zainstalować nowy zawór. 6. Włączyć media zasilające.
D. 1. Wyłączyć media zasilające. 2. Odłączyć przewody elektryczne i pneumatyczne od zdemontowanego zaworu. 3. Za pomocą klucza maszynowego odkręcić zawór kulowy. 4. Zainstalować nowy zawór. 5. Podłączyć przewody elektryczne i pneumatyczne do zamontowanego zaworu. 6. Włączyć media zasilające.
Montaż, uruchamianie i obsług…
Na rysunku przedstawiono przytwierdzenie siłownika za pomocą

A. kołnierza.
B. łap mocujących.
C. uchwytu widełkowego ze sworzniem.
D. ucha ze sworzniem.
Montaż, uruchamianie i obsług…
Na przedstawionym rysunku siłownik jest połączony ze słupkiem za pomocą

A. ucha.
B. łapy.
C. jarzma.
D. kołnierza przedniego.
Montaż, uruchamianie i obsług…
Aby zapewnić stałą wartość ciśnienia doprowadzanego do układu pneumatycznego, należy zastosować zawór
A. zwrotny.
B. redukujący.
C. dławiący.
D. bezpieczeństwa.
- ‹
- 1
- ›