Filtrowanie pytań
TKO.03 Pytanie 681
Organizacja robót związanych …
A. automatycznej
B. ręcznej
C. małej mechanizacji
D. pełnej mechanizacji
Organizacja robót związanych …
Z fragmentu harmonogramu zwykłego robót fundamentowych wynika, że zbrojenie przyczółka II będzie odbywało się

A. w 1 połowie marca.
B. w 1 połowie kwietnia.
C. w 2 połowie marca.
D. w 2 połowie kwietnia.
TKO.03 Pytanie 683
Organizacja robót związanych …
Na podstawie przedstawionego rysunku skrajni budowli podaj minimalną odległość składowania podkładów od osi toru podczas robót prowadzonych na szlaku.
| AB | - na przystankach. |
| ABC | - na obiektach mostowych długości ponad 20 m bez wykuszy z jazda górą. |
| ABCDE | - na szlakach, z wyjątkiem peronów na przystankach i przestrzeni na i pod obiektami mostowymi. |
| ABGDE | - pod nowo budowanymi obiektami mostowymi na szlaku. |
| FG | - na stacyjnych torach głównych zasadniczych i dodatkowych oraz na obiektach mostowych długości poniżej 20 m lub długości powyżej 20 m z jazdą dołem, jeżeli istnieje wolna przestrzeń w płaszczyźnie dźwigara głównego. |
| FGD | - na obiektach mostowych długości poniżej 20 m lub długości powyżej 20 m z jazdą górą w przypadku zastosowania wykuszy oraz pod istniejącymi obiektami mostowymi na szlaku. |
| HI | - na torach stacyjnych, z wyjątkiem torów głównych zasadniczych i dodatkowych. |

A. 2,00m
B. 1,28 m
C. 2,20m
D. 2,50m
Organizacja robót związanych …
Jaki rodzaj mocowania powinien być użyty do podkładów strunobetonowych PS-83 w torze bezstykowym?
A. Skl
B. SB
C. IIBA
D. K
Organizacja robót związanych …
Który rodzaj nawierzchni kolejowej na obiekcie mostowym pokazano na fotografii?

A. Na mostownicach.
B. Z nawierzchnią zintegrowaną.
C. Z bezpośrednim przymocowaniem szyn do konstrukcji.
D. Na podkładach i podsypce tłuczniowej.
Organizacja robót związanych …
Gdzie zostaje zapisany wynik przeprowadzonego obchodu torów?
A. notatce z obchodu
B. książce kontroli obchodów
C. karcie toru
D. protokole obchodu
Organizacja robót związanych …
W celu obniżenia zwierciadła wody gruntowej w gruntach o małym współczynniku filtracji należy zastosować
A. studnie zbiorcze.
B. drenaże.
C. igłofiltry.
D. pompy głębinowe.
TKO.03 Pytanie 688
Organizacja robót związanych …
Wymiana jednej szyny odbywa się w sposób
A. całkowitej automatyzacji
B. częściowej automatyzacji
C. całkowitej mechanizacji
D. niewielkiej mechanizacji
Organizacja robót związanych …
Do ułożenia 200 m toru klasy 1, z przęseł o długości 25 m, potrzeba

A. 344 podkłady.
B. 340 podkładów.
C. 320 podkładów.
D. 172 podkłady.
TKO.04 Pytanie 690
Organizacja robót związanych …
Które z poniższych działań jest częścią procedury odbioru technicznego mostu?
A. Malowanie elementów stalowych
B. Montaż balustrad ochronnych
C. Przeprowadzenie prób obciążeniowych
D. Instalacja oświetlenia mostowego
Organizacja robót związanych …
Na podstawie wyników niwelacji oblicz wichrowatość toru.
| Obliczanie wichrowatości toru na podstawie wyników niwelacji | |||||
|---|---|---|---|---|---|
| Względna różnica wysokości toków szynowych w stosunku do osi celowej w odstępach l = 5 m | Różnica wysokości toków szynowych hi = hil – zip [mm] | Δh = hi – h(i-1) [mm] | Wichrowatość w = Δh/l [‰] | ||
| lewego Zil [mm] | prawego Zil [mm] | ||||
| 30 | 35 | -5 | -2 | -0,4 | |
| 31 | 38 | -7 | 7 | 1,4 | |
| 34 | 34 | 0 | 12 | ? | |
A. 0,4
B. 2,4
C. 0,8
D. 1,2
Organizacja robót związanych …
Na rysunku przedstawiono schemat oznakowania miejsca robót prowadzonych na mijance, z którego wynika, że podczas robót

A. tor nr 1 jest zamknięty dla ruchu.
B. tor nr 2 jest zamknięty dla ruchu.
C. w torze nr 2 obowiązuje ograniczenie prędkości.
D. w torze nr 1 obowiązuje ograniczenie prędkości.
Organizacja robót związanych …
Ciągłe oczyszczanie podsypki jest naprawą
A. bieżącą nawierzchni.
B. główną nawierzchni.
C. bieżącą podtorza.
D. główną podtorza.
Organizacja robót związanych …
Gruntem, który w stanie suchym tworzy twarde bryłki, jest
A. żwir.
B. piasek.
C. glina.
D. pospółka.
Organizacja robót związanych …
Dokumentacja kontroli obiektów to książka dotycząca
A. oględzin obiektu
B. przeglądu podstawowego
C. przeglądu bieżącego
D. badania technicznego
Organizacja robót związanych …
Korzystając z tabeli, odczytaj cykl dozorowania torów szlakowych przy kategorii użytkowania KTU-3.
| Tabela 1. Określenie cyklu dozorowania* | |||||
|---|---|---|---|---|---|
| Kryteria | Cykl dozorowania | ||||
| Kategoria użytkowania | Klasa intensywności obciążenia | Tory szlakowe oraz główne zasadnicze | Pozostałe tory stacyjne (główne, dodatkowe, boczne) | Tory czasowo wyłączone z eksploatacji lub zamknięte | |
| KTU-1 | KIO-1 | 14 dni przy intensywności obciążenia I≤80 | 10 dni o intensywności obciążenia 80≤I≤160 | jak w torach głównych zasadniczych | 6 miesięcy |
| KTU-2 | KIO-2 | 7 dni | 7 dni | ||
| KTU-3 | KIO-3 | 5 dni | |||
| KTU-4 | KIO-4 | 2 razy w tygodniu | |||
A. 7 dni.
B. 10 dni.
C. 14 dni.
D. 5 dni.
Organizacja robót związanych …
Z zamieszczonego rysunku wynika, że minimalne wymagania dotyczące grubości podsypki na kolejowym obiekcie mostowym to

A. 35 cm od góry podkładu do górnej płaszczyzny przęsła; 75 cm od niwelety toru na moście do górnej płaszczyzny przęsła.
B. 35 cm od spodu podkładu do górnej płaszczyzny przęsła; 75 cm od niwelety toru na moście do górnej płaszczyzny przęsła.
C. 75 cm od spodu podkładu do górnej płaszczyzny przęsła.
D. 35 cm od niwelety toru na moście do górnej płaszczyzny przęsła.
Organizacja robót związanych …
Kto zajmuje się przeprowadzaniem standardowych obchodzi torowych?
A. Rewident taboru
B. Toromistrz lub dróżnik przejazdowy
C. Toromistrz lub dróżnik obchodowy
D. Dróżnik przejazdowy
Organizacja robót związanych …
Na podstawie przeglądu okresowego obiektu inżynieryjnego powinien zostać przygotowany
A. notatka
B. raport
C. sprawozdanie
D. protokół
Organizacja robót związanych …
Jaką jednostką mierzy się objętość robót ziemnych realizowanych przy użyciu koparek podsiębiernych?
A. m2
B. m3
C. ha
D. m
Organizacja robót związanych …
Powszechnym rodzajem uszkodzenia kamiennej podpory mostu jest
A. defekt wewnętrzny betonu
B. korozja zbrojenia
C. odspojenie betonu
D. ubytek spoin
Organizacja robót związanych …
Odległość zmierzona wzdłuż osi mostu pomiędzy zewnętrznymi krawędziami skrajnych przęseł jest określana jako
A. całkowita długość mostu
B. szerokość użytkowa mostu
C. długość mostu w świetle
D. całkowita szerokość mostu
Organizacja robót związanych …
Pomiar pochylenia podłużnego toru przeprowadza się za pomocą
A. profilomierza.
B. teodolitu.
C. niwelatora.
D. dalmierza.
TKO.03 Pytanie 704
Organizacja robót związanych …
W ramach projektu dotyczącego robót obliczono, że do wymiany części nawierzchni kolejowej potrzeba 512 szt. łapek sprężystych SB-4. Ile łapek zostało, jeżeli zużyto 95% elementów?
A. 20 szt.
B. 25 szt.
C. 48 szt.
D. 32 szt.
Organizacja robót związanych …
Utrzymanie w należytym stanie części tocznych i ślizgowych łożysk należy do
A. konserwacji bieżącej.
B. remontu głównego.
C. modernizacji.
D. remontu bieżącego.
TKO.03 Pytanie 706
Organizacja robót związanych …
Oznaczenie pokazane na rysunku wskazuje miejsce

A. wiercenia otworu na śrubę łubkową.
B. wstawienia wstawki prostej.
C. wymiany wskazanego odcinka szyny.
D. montażu wykolejnicy.
Organizacja robót związanych …
Do czego wykorzystuje się łubek 6-otworowy?
A. złącza szynowego izolowanego
B. szyny skrzydłowej
C. przyrządu wyrównawczego
D. szyny przejściowej
Organizacja robót związanych …
Jakie narzędzie służy do pomiaru nachylenia skarp?
A. suwmiarką skarpiarską
B. trójkątem skarpiarskim
C. taśmą pomiarową
D. teodolitem
Organizacja robót związanych …
Metodą, która nie przyczynia się do zwiększenia nośności przęsła betonowego, jest
A. ochrona hydrofobowa elementu konstrukcji
B. zwiększenie ilości zbrojenia
C. przyklejenie taśm z włókien węglowych
D. powiększenie przekroju poprzecznego elementu konstrukcji przez dobetonowanie
Organizacja robót związanych …
Kiedy nie ma potrzeby stosowania zabezpieczeń przed skutkami wykolejenia taboru?
A. Długość toru na wiadukcie wynosi 15 m, wiadukt jest usytuowany na szlaku, w terenie płaskim
B. Długość toru na wiadukcie wynosi 15 m, wiadukt jest umiejscowiony w granicach stacji
C. Długość toru na moście wynosi 10 m, most znajduje się w granicach stacji
D. Długość toru na moście wynosi 25 m, most znajduje się na szlaku, w terenie płaskim
TKO.03 Pytanie 711
Organizacja robót związanych …
W dokumentacji toru bezstykowego powinno się uwzględnić
A. temperaturę przytwierdzenia szyny
B. rodzaj zastosowanych łubków
C. wielkość zużycia główki szyny
D. wielkość luzów w stykach szyn
Organizacja robót związanych …
Którego urządzenia nie można wykorzystać do kontroli nachylenia toru?
A. węgielnicy
B. niwelatora
C. tachimetru
D. teodolitu
Organizacja robót związanych …
Podczas budowy obiektu mostowego o konstrukcji żelbetowej, przed ułożeniem mieszanki betonowej w deskowaniu, należy
A. sprawdzić wilgotność kruszywa.
B. zabezpieczyć zbrojenie smarem.
C. dokonać odbioru zbrojenia.
D. podgrzać mieszankę betonową.
Organizacja robót związanych …
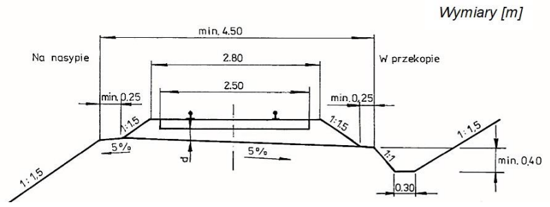
Oblicz objętość wykopanego gruntu podczas wykonania 100 m przekopu o przekroju jak na rysunku, pomijając wykonanie rowów bocznych.

A. 1 920 m³
B. 4 240 m³
C. 2 820 m³
D. 2 440 m³
Organizacja robót związanych …
Na początku mostu wysokość toku szynowego wynosi 50,100 m n.p.m. Oblicz, jaka będzie wysokość toku szyny na końcu mostu, zakładając, że różnica wysokości między tymi punktami wynosi +10 mm.
A. 51,100 m n.p.m.
B. 50,101 m n.p.m.
C. 50,110 m n.p.m.
D. 50,200 m n.p.m.
Organizacja robót związanych …
Pęknięcie słabo zbrojonego korpusu przedstawiono na

A. ilustracji 3.
B. ilustracji 1.
C. ilustracji 2.
D. ilustracji 4.
Organizacja robót związanych …
Aby zmierzyć szerokość torowiska na moście, należy wykorzystać
A. dalmierza
B. niwelatora
C. toromierza
D. suwmiarki
Organizacja robót związanych …
Źle ukształtowany łeb nitu przedstawiono na rysunku

A. B.
B. D.
C. C.
D. A.
Organizacja robót związanych …
Proces budowy torów kolejowych, polegający na umieszczaniu na już istniejącym torowisku przęseł torowych, które zostały zmontowane na bazach nawierzchniowych, jest określany jako metoda
A. kompleksowej mechanizacji
B. małej mechanizacji
C. pełnej mechanizacji
D. częściowej mechanizacji
Organizacja robót związanych …
Wyznacz długość toru w łuku, jeśli początek krzywej przejściowej to km 0 + 833,48, a koniec krzywej przejściowej to km 0 + 522,68?
A. 522,68 m
B. 310,80 m
C. 210,80 m
D. 833,48 m