Filtrowanie pytań
Organizacja robót związanych …
A. wstępny, przed zezwoleniem na użytkowanie obiektu
B. wstępny, po zezwoleniu na użytkowanie obiektu
C. ostateczny, przed zezwoleniem na użytkowanie obiektu
D. ostateczny, po dwóch tygodniach funkcjonowania obiektu
Organizacja robót związanych …
W klasycznym torze zamieniono 1 000 złącz szynowych. Ile łubków użyto w trakcie wymiany?
A. 1000 łubków
B. 2000 łubków
C. 4000 łubków
D. 6000 łubków
TKO.04 Pytanie 83
Organizacja robót związanych …
Korzystając z wyciągu instrukcji Id-1 (D-1) określ, który sposób zabezpieczenia miejsca robót należy zastosować w trakcie robót związanych z wymianą chodników i pomostów przeciwpożarowych na moście jednotorowym o długości 30 m?
| Wyciąg z instrukcji Id-1 (D-1) | |||
|---|---|---|---|
| Lp. | Rodzaj wykonywanych robót | Sposób zabezpieczenia miejsca robót | Uwagi |
| 23. | wymiana na mostach odbojnic, blach, chodników, pomostów itp. | - na mostach o długości do 20 m ograniczyć prędkość do 50 km/h, sygnalista; - na mostach o długości powyżej 20 m tor zamknięty, sygnał D-1 "Stój" zgodnie z instrukcją Ie-1 (E-1) | na mostach dwutorowych ograniczyć prędkość do 30 km/h na torze sąsiednim |
A. Ograniczenie prędkości do 30 km/h.
B. Sygnalista, ograniczenie prędkości do 50 km/h.
C. Tor zamknięty, sygnał D-1 „Stój”.
D. Ograniczenie prędkości do minimum.
TKO.03 Pytanie 84
Organizacja robót związanych …
Korzystając z fragmentu zapisów w Książce kontroli stanu toru określ, jaki tor był objęty badaniem technicznym.
| Fragment zapisów w Książce kontroli stanu toru | |
|---|---|
| Data badania | 20.04.2018 |
| szyny | |
| Rodzaj toru | [TB] |
| Typ | [UIC 60] |
| podkłady | |
| Typ | [BET/PS-94] |
| Rozstaw | [600] |
| Rok produkcji | [2010] |
| Ocena uszkodzeń | [UM] |
A. Bezstykowy na podkładach drewnianych.
B. Przęsłowy na podkładach betonowych.
C. Przęsłowy na podkładach drewnianych.
D. Bezstykowy na podkładach betonowych.
Organizacja robót związanych …
Duże zanieczyszczenie tłucznia nawierzchni kolejowej cząstkami drobnymi i pyłami powoduje
A. zwiększenie nośności podsypki.
B. deformacje toru kolejowego w planie.
C. zwiększenie stateczności toru kolejowego.
D. zmniejszenie wodoprzepuszczalności podsypki.
Organizacja robót związanych …
Aby zrealizować nasypy o wysokości do 0,5 m, wykorzystując grunta odspajane w bocznych ukopach, najodpowiedniej jest zastosować
A. spycharki
B. koparki
C. równiarki
D. zgarniarki
Organizacja robót związanych …
Impregnacja mostownic polega na ich nasycaniu
A. żywicą epoksydową.
B. emulsją asfaltową.
C. olejem kreozotowym.
D. naftą oczyszczoną.
Organizacja robót związanych …
Która spośród pomierzonych mostownic typu II o wymiarach 270 × 240 mm należy zastosować do wymiany na obiekcie mostowym, jeżeli zgodnie z instrukcją Id-1 tolerancja wymiarów wynosi -2 mm / +3 mm?
A. Mostownice 4. – 268 mm × 237 mm
B. Mostownice 3. – 269 mm × 242 mm
C. Mostownice 1. – 274 mm × 241 mm
D. Mostownice 2. – 271 mm × 245 mm
Organizacja robót związanych …
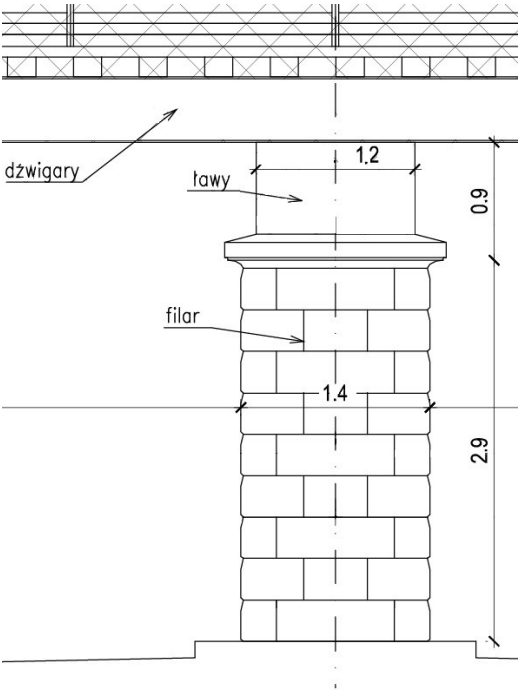
Ile stali zbrojeniowej należy przygotować do wykonania sześciu filarów, jeżeli na jeden filar potrzeba 2 800 kg?
A. 2,8 t
B. 5,6 t
C. 16,8 t
D. 33,6 t
Organizacja robót związanych …
Zestawienie materiałów użytych do budowy podpory przedstawiono w tabeli. Oblicz całkowity koszt prętów Ø14, jeśli cena 1 kilograma wynosi 2,60 zł.

A. 6 496,70 zł
B. 10 027,00 zł
C. 2 195,70 zł
D. 4 301,00 zł
Organizacja robót związanych …
Do wykonania otworów pod pale fundamentowe przy budowie mostu należy zastosować
A. kafar.
B. sprężarkę.
C. koparkę.
D. wiertnicę.
Organizacja robót związanych …
Jeżeli po rozebraniu deskowania podpór mostowych widoczne są tzw. „raki” na konstrukcji, to oznacza, że
A. świeży beton był źle pielęgnowany.
B. zastosowano beton o zbyt słabej klasie.
C. mieszanka betonowa została źle zawibrowana.
D. zbyt wcześnie rozebrano deskowanie.
TKO.03 Pytanie 93
Organizacja robót związanych …
Element nawierzchniowy potrzebny do wymiany złącza szynowego przedstawiono na rysunku
A. Rysunek 2

B. Rysunek 1

C. Rysunek 3

D. Rysunek 4

Organizacja robót związanych …
Szerokość torowiska drogi kolejowej przedstawionej na rysunku wynosi

A. 2,60 m
B. 6,65 m
C. 5,40 m
D. 3,15 m
Organizacja robót związanych …
Który dokument w trakcie budowy zawiera zapisy dotyczące postępu procesu budowlanego?
A. Księga obiektu
B. Zestawienie robót
C. Dokumentacja budowlana
D. Dziennik budowy
Organizacja robót związanych …
Za pomocą teodolitu nie można zmierzyć
A. wyboczenia.
B. różnic wysokości.
C. kątów pionowych.
D. ugięcia.
Organizacja robót związanych …
Korzystając z rysunku określ sposób pomiaru zużycia bocznego główki szyny.

A. Wewnątrz toków szynowych 15 mm poniżej powierzchni tocznej szyny.
B. Wewnątrz toków szynowych 10 mm poniżej powierzchni tocznej szyny.
C. Na zewnątrz toków szynowych 15 mm poniżej powierzchni tocznej szyny.
D. Na zewnątrz toków szynowych 10 mm poniżej powierzchni tocznej szyny.
Organizacja robót związanych …
Na rysunku przedstawiono technologię wykonania

A. ławy fundamentowej.
B. fundamentu palowego.
C. fundamentu płytowego.
D. stopy fundamentowej.
Organizacja robót związanych …
Która z wymienionych prac jest związana z zapewnieniem bezpiecznego ruchu kolejowego w okresie zimowym?
A. Oczyszczenie podsypki w torze.
B. Nasunięcie szyn odpędżlych.
C. Czyszczenie kanałów zwrotnicowych.
D. Podbicie podkładów.
Organizacja robót związanych …
Przeprowadzenie analizy sitowej gruntu, który składa się z piasków i żwirów, umożliwia określenie
A. współczynnika wodoprzepuszczalności gruntu
B. składu frakcyjnego gruntu
C. konsystencji gruntu
D. wskaźnika wilgotności gruntu
Organizacja robót związanych …
Grunt wysadzinowy znajdujący się w podtorzu powinien być zamieniony na
A. pospółkę
B. glinę zwięzłą
C. pył
D. ił pylasty
Organizacja robót związanych …
Ciągły pomiar nierówności toków szynowych wykonuje się za pomocą
A. niwelatora.
B. toromierza uniwersalnego.
C. drezyny pomiarowej.
D. profilomierza.
Organizacja robót związanych …
Jeżeli do połączenia styku środnika blachownicy należy wykorzystać 34 nity, to ile nitów potrzeba do wykonania 6 takich styków?
A. 184 nity.
B. 224 nity.
C. 204 nity.
D. 364 nity.
TKO.03 Pytanie 104
Organizacja robót związanych …
Ile prefabrykowanych ścianek peronowych o wymiarach przedstawionych na rysunku należy zastosować do budowy peronu o długości 320 m?

A. 32 szt.
B. 320 szt.
C. 200 szt.
D. 20 szt.
TKO.03 Pytanie 105
Organizacja robót związanych …
Na rysunku przedstawiono odkształcenie torowiska w postaci

A. worka podsypkowego.
B. niecki podsypkowej.
C. gniazda podłużnego.
D. koryta poprzecznego.
Organizacja robót związanych …
Na placu budowy pręty stalowe o dużych średnicach składa się
A. na stosach oraz w pionowych kasetach
B. pomiędzy słupkami ograniczającymi lub na kozłach
C. w kręgach lub na paletach
D. na przekładkach oraz podkładkach
Organizacja robót związanych …
Przedstawione roboty związane z wykonywaniem kolejowego obiektu mostowego dotyczą

A. betonowania elementu konstrukcyjnego.
B. transportu mieszanki betonowej.
C. pielęgnowania mieszanki betonowej.
D. zbrojenia elementu konstrukcyjnego.
Organizacja robót związanych …
Ile tłucznia potrzeba, zgodnie z danymi w tablicy z KNR, do zabudowy pod rozjazd zwyczajny Rz 300 1:9 na podrozjazdnicach drewnianych, w torach linii pierwszorzędnych?

A. 69 m³
B. 80 m³
C. 64 m³
D. 99 m³
Organizacja robót związanych …
Technologię Jet-Grouting należy zastosować do
A. wzmacniania podłoża gruntowego.
B. uszlachetniania stali.
C. sprężania konstrukcji.
D. reprofilacji betonu.
Organizacja robót związanych …
Zastosowanie technologii Jet-Grouting polega na
A. sprężaniu konstrukcji
B. uszlachetnianiu stali
C. reprofilacji betonu
D. wzmacnianiu gruntu
Organizacja robót związanych …
Ile mieszanki betonowej należy zamówić do betonowania 20 sztuk pali fundamentowych, jeżeli zużycie na 1 pal wynosi 3 m³?
A. 90 m³
B. 30 m³
C. 20 m³
D. 60 m³
Organizacja robót związanych …
Która z podanych napraw nawierzchni kolejowej należy do zakresu napraw bieżących?
A. Dokręcanie złączy
B. Wymiana zestawu podrozjezdnic
C. Ciągła wymiana podkładów
D. Pojedyncza wymiana podkładów
Organizacja robót związanych …
Którą z przedstawionych na rysunkach maszyn należy zastosować do wykonania wykopu?
A. Maszyna 2

B. Maszyna 3

C. Maszyna 1

D. Maszyna 4

Organizacja robót związanych …
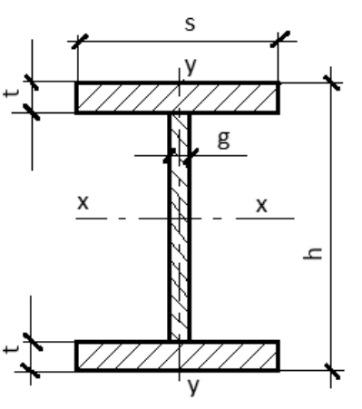
Stal St50B klasy A-II, którą stosuje się jako zbrojenie nośne w konstrukcji dźwigara mostowego, przedstawiono na rysunku

A. C.
B. B.
C. A.
D. D.
Organizacja robót związanych …
Jakie części mostu powinny być pokryte smarem grafitowym w celu ich konserwacji?
A. Szyny jezdne.
B. Podkładki podszynowe
C. Złącza.
D. Łożyska.
Organizacja robót związanych …
Który z przeglądów obiektu mostowego wykonuje się raz w roku?
A. Nadzwyczajny.
B. Bieżący.
C. Okresowy.
D. Eksploatacyjny.
Organizacja robót związanych …
Na fotografii przedstawiono

A. podnośnik gąsienicowy.
B. kafar.
C. wiertnicę.
D. żuraw wieżowy.
Organizacja robót związanych …
Zgodnie z danymi zawartymi w tabeli do budowy warstwy ochronnej na nowych liniach kolejowych dla prędkości pociągów v = 100 km/h należy zastosować grunt o wskaźniku różnoziarnistości równym co najmniej
| Wskaźniki różnoziarnistości U i wygięcia krzywych uziarnienia gruntu C | ||
|---|---|---|
| Prędkości vmax (km/h) | Minimalne wskaźniki różnoziarnistości *) \( U = \frac{d_{60}}{d_{10}} \) | Graniczne wartości wskaźników wygięcia krzywej uziarnienia *) \( C = \frac{d_{30}^2}{d_{10}d_{60}} \) |
| 1 | 2 | 3 |
| 200 < vmax ≤ 250 | ≥ 7 (≥ 6) | 1 ÷ 3 (0,7 ÷ 4,0) |
| 160 < vmax ≤ 200 | 6 ÷ 7 (5 ÷ 6) | 1 ÷ 3 |
| 0 < vmax ≤ 160 | 5 ÷ 6 (3 ÷ 5) | |
*) wartości przed nawiasami dotyczą linii nowo budowanych i modernizowanych, natomiast wartości w nawiasach - linii eksploatowanych
A. 3+5
B. 4+6
C. 5+6
D. 6+7
TKO.03 Pytanie 119
Organizacja robót związanych …
Na rysunku przedstawiono drogę kolejową w

A. widoku z góry.
B. widoku z boku.
C. przekroju poprzecznym.
D. przekroju podłużnym.
Organizacja robót związanych …
Na rysunku przedstawiono

A. koparko-ładowarkę.
B. koparkę podsiębierną.
C. koparko-zgarniarkę.
D. koparkę przedsiębierną.