Filtrowanie pytań
Obsługa i konserwacja urządze…
A. budowlane.
B. towarowe.
C. szpitalne.
D. towarowo-osobowe.
Obsługa i konserwacja urządze…
Korzystając z tabeli określ masę, którą można obciążyć kabinę dźwigu podczas normalnej eksploatacji?
| Tabela. Parametry dźwigu | |
|---|---|
| Liczba osób | 8 |
| Prędkość jazdy | 1,4 m/s |
| Zasilanie | 400 V 50 Hz |
| Masa kabiny | 1 000 kg |
| Masa przeciwwagi | 1350 kg |
| Udźwig | 630 kg |
| Obciążenie znamionowe wciągarki | 3 000 kg |
A. 630 kg
B. 1 700 kg
C. 730 kg
D. 1 000 kg
Montaż urządzeń dźwigowych
Przed rozpoczęciem montażu dźwigu, wystarczający sposób zabezpieczenia otworów drzwiowych zapewniają
A. trzy deski zamocowane do bocznych ścian na wysokości 1,1 [m], 0,5 [m] i do dolnej krawędzi otworu.
B. płyta gipsowo-kartonowa o grubości 17 [mm] zamocowana do obrzeży otworu i do dolnej krawędzi.
C. przezroczysta folia o grubości 0,2 [mm], zamocowana listwami do obrzeży otworu i do dolnej krawędzi.
D. dwie deski zamocowane na krzyż do bocznych ścian po przekątnych otworu.
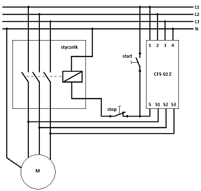
Montaż urządzeń dźwigowych
Na zamieszczonym schemacie układu sterowania silnikiem indukcyjnym trójfazowym element oznaczony symbolem F5

A. zabezpiecza silnik przed skutkami przeciążeń.
B. chroni przed porażeniem prądem elektrycznym.
C. zabezpiecza silnik przed skutkami zwarć.
D. chroni przed przepięciami w sieci.
ELE.09 Pytanie 5
Obsługa i konserwacja urządze…
Pomiary rezystancji izolacji obwodów elektrycznych, ze szczególnym uwzględnieniem obwodów bezpieczeństwa i ochrony przeciwpożarowej dźwigów osobowych określonych w załączniku nr 2 do rozporządzenia Ministra Przedsiębiorczości i Technologii z dnia 30.10.2018 r., wykonuje się nie rzadziej niż
A. raz na dwanaście miesięcy.
B. raz na sześć miesięcy.
C. raz na dwa miesiące.
D. raz na cztery miesiące.
Montaż urządzeń dźwigowych
Na rysunku przedstawiono prasę hydrauliczną. Jeżeli A₁ oznacza pole przekroju tłoka nr 1 i wynosi 10 cm², wartość siły F₁ wynosi 1 000 N, a A₂ oznacza pole tłoka nr 2 i wynosi 25 cm², to wartość siły F₂ jest równa

A. 2 000 N
B. 2 500 N
C. 1 000 N
D. 1 500 N
Montaż urządzeń dźwigowych
Do obowiązków pracodawcy należy zapewnienie pracownikowi
A. dowozu na miejsce wykonywanej pracy.
B. godzinnej przerwy obiadowej.
C. środków ochrony indywidualnej.
D. kursów językowych.
Montaż urządzeń dźwigowych
Element zamieszczony na rysunku może być zastosowany jako

A. łącznik skrzydeł drzwi kabiny.
B. wyłącznik zasilania windy.
C. blokada drzwi kabiny przed otwarciem w czasie jazdy.
D. łącznik krańcowy w dźwigu.
Obsługa i konserwacja urządze…
W bloku zaworowym dźwigu z napędem hydraulicznym element oznaczony na rysunku cyfrą 1 wskazuje wartość

A. obciążenia kabiny.
B. temperatury oleju.
C. siły nacisku kabiny.
D. ciśnienia oleju.
Montaż urządzeń dźwigowych
Zgodnie z przedstawionym na rysunku fragmentem instrukcji śruby M12x35 użyto do zamocowania

A. enkodera.
B. koła ciernego.
C. koła zdawczego.
D. ogranicznika prędkości.
Montaż urządzeń dźwigowych
Do pomiaru rezystancji cewki przeznaczonej do zamontowania należy wykorzystać
A. multimetr.
B. woltomierz.
C. stoper.
D. mikrometr.
Montaż urządzeń dźwigowych
Na podstawie tabeli dobierz kauszę na pętlę, na mocowaniu liny o średnicy 18 mm.
| nr katalogowy | max średnica liny [mm] | wymiary [mm] | moment dokręcenia [Nm] | liczba kabłąków | ||
|---|---|---|---|---|---|---|
| d | L₁ | L₂ | ||||
| 01947 | 8 | M8 | 41 | 18 | 6 | 4 |
| 01948 | 10 | M8 | 46 | 20 | 9 | 4 |
| 01950 | 12 | M10 | 56 | 24 | 20 | 4 |
| 78144 | 13 | M12 | 64 | 27 | 33 | 4 |
| 78145 | 14 | M12 | 66 | 28 | 33 | 4 |
| 01951 | 16 | M14 | 76 | 32 | 49 | 4 |
| 01952 | 19 | M14 | 83 | 36 | 68 | 5 |

A. 5 kauszy o numerze katalogowym 01952
B. 4 kausze o numerze katalogowym 78145
C. 4 kausze o numerze katalogowym 01951
D. 4 kausze o numerze katalogowym 78144
Obsługa i konserwacja urządze…
Na podstawie zamieszczonego fragmentu zakresu prac konserwacyjnych można stwierdzić, że zakres prac konserwacyjnych dźwigu towarowo-osobowego o udźwigu 1 000 kg nie obejmuje
| Zakres prac konserwacyjnych na urządzeniach dźwignicowych według klasyfikacji UDT ze względu na grupy urządzeń | |
| Dźwig towarowo-osobowy 1000 kg. Grupa urządzeń 31 | |
| 1. | przegląd kontaktów ogranicznika prędkości chwytaczy, zwisu lin, drzwi przystankowych, oczyszczenie i przesmarowanie styków; |
| 2. | kontrola stanu i mocowania lin nośnych i linki ogranicznika prędkości; |
| 3. | sprawdzenie stanu i działania aparatu chwytnego za pomocą ręcznego uruchomienia; |
| 4. | przesmarowanie i oczyszczenie styków oraz sprawdzenie działania wyłączników krańcowych, końcowych, przełączników piętrowych EP5, wyłącznika zatrzymania EV-5; |
| 5. | sprawdzenie stanu działania drzwi przystankowych, działania układu ryglowania i zamków mechanicznych; |
| 6. | przegląd okresowy silnika napędowego dźwigu; |
| 7. | przegląd rozdzielnicy dźwigowej, w tym przegląd obwodów: – sterowania i zabezpieczenia układu sterowania silnika dźwigu – zasilania dźwigu – oświetlenia szybu, kabiny i maszynowni dźwigu |
| 8. | przegląd kaset wezwań oraz kasety dyspozycji, usunięcie stwierdzonych usterek |
| 9. | przegląd szafy sterowniczej, a w tym – demontaż styczników, oczyszczenie i przesmarowanie styków, w razie konieczności wymiana – sprawdzenie działania przekaźników – dokręcenie przewodów na listwach zaciskowych. |
A. kontroli stanu i mocowania lin nośnych i linki ogranicznika prędkości.
B. przeglądu okresowego silnika napędowego dźwigu.
C. kontroli wytrzymałości konstrukcji nośnej.
D. przeglądu szafy sterowniczej.
ELE.09 Pytanie 14
Obsługa i konserwacja urządze…
Zgodnie z instrukcją konserwacji elementów, co miesiąc należy sprawdzać
| Tabela: Instrukcja dotycząca konserwacji elementów | ||||
|---|---|---|---|---|
| Zespół | Komponenty wymagające kontroli | Co 1 miesiąc | Co 2 miesiące | Co 6 miesięcy |
| Zamki | Sprawdzić prawidłowe funkcjonowanie urządzeń ryglujących; urządzenie może funkcjonować tylko wtedy, gdy bramki są prawidłowo zamknięte urządzeniem ryglującym | • | ||
| Sterowanie | Sprawdzić funkcjonowanie wszystkich elementów sterujących (kaseta przyciskowa – kaseta kondygnacyjna – ewentualnie kaseta przyciskowa przenośna) | • | ||
| Manewrowanie ręczne wjazdu/zjazdu | Sprawdzić urządzenia umożliwiające manewrowanie ręczne | • | ||
| Połączenia sworzniowe | Sprawdzić właściwe dokręcenie śrub podstawowych komponentów | • | ||
A. funkcjonowanie wszystkich elementów sterujących.
B. dokręcenie śrub podstawowych komponentów.
C. urządzenia umożliwiające manewrowanie ręczne.
D. funkcjonowanie urządzeń ryglujących.
ELE.09 Pytanie 15
Obsługa i konserwacja urządze…
Które działania należy podjąć, jeżeli sterownik sygnalizuje błąd o kodzie 18, a stycznik KM nie zadziałał?

A. Zwerfikować stan i poprawność działania stycznika.
B. Wymienić przewody i poprawić połączenia.
C. Wymienić stycznik.
D. Wymienić łącznik.
Obsługa i konserwacja urządze…
Jeżeli instrukcja eksploatacji urządzenia dźwigowego nie podaje terminów przeglądów konserwacyjnych, powinny być one wykonywane zgodnie z
A. planem pracy opracowanym przez konserwatora urządzeń dźwigowych.
B. przepisami prawa w zakresie warunków eksploatacji urządzeń transportu bliskiego.
C. planem konserwacji urządzeń w budynku wyposażonym w urządzenia dźwigowe.
D. kolejnością zgłoszeń użytkowników urządzeń dźwigowych.
Obsługa i konserwacja urządze…
Ile obrotów liny wokół własnej osi, wg danych zamieszczonych w tabeli, może posiadać lina o długości 180 m?
| Długość liny [m] | Maksymalna liczba obrotów wokół osi liny stalowej |
|---|---|
| 30 | 1 |
| 60 | 2 |
| 90 | 3 |
| 120 | 4 |
| 150 | 5 |
| 180 | 6 |
| 210 | 7 |
| 240 | 8 |
| 270 | 9 |
| 300 | 10 |
A. 5 obrotów.
B. 8 obrotów.
C. 6 obrotów.
D. 7 obrotów.
Montaż urządzeń dźwigowych
Na rysunku pokazano zawór

A. bezpieczeństwa.
B. zwrotny.
C. dławiący.
D. rozdzielający.
Montaż urządzeń dźwigowych
Na którym schemacie olinowania dźwigów elektrycznych pokazano układ z podwójnym opasaniem?
A. Schemat 2

B. Schemat 1

C. Schemat 3

D. Schemat 4

Montaż urządzeń dźwigowych
Prawidłowo przygotowane do montażu dźwigu wnętrze szybu może zawierać
A. przewody elektryczne nienależące do dźwigu.
B. rury wodociągowe.
C. elementy wykonawcze elektrycznego ogrzewania szybu.
D. rury kanalizacyjne.
ELE.09 Pytanie 21
Obsługa i konserwacja urządze…
Dokonano pomiaru rezystancji styków przycisków sterowniczych kasety K1 urządzenia dźwigowego w stanie wyłączonym i załączonym. Na podstawie zamieszczonych wyników pomiarów określ, który przycisk należy wymienić.
| Wyniki pomiarów | ||
|---|---|---|
| Punkty pomiarowe | Wartość Ω | |
| Stan zestyku | ||
| wyłączone | załączone | |
| 1-2 | 0,1 | ∞ |
| Stan zestyków | ||
| wyłączone | załączone | |
| 3-4 | ∞ | 0,3 |
| 3-5 | ∞ | ∞ |
| 4-5 | ∞ | ∞ |

A. STOP
B. PG
C. PD
D. P-DG
Obsługa i konserwacja urządze…
Zgodnie z zamieszczonym fragmentem instrukcji montażu zespołu prowadzenia kabiny dźwigu, w przypadku użycia śruby M16 konserwator powinien zastosować moment dokręcenia równy

A. 410 Nm
B. 86 Nm
C. 215 Nm
D. 430 Nm
Montaż urządzeń dźwigowych
Rysunek przedstawia dźwig z kabiną

A. przelotową z drzwiami teleskopowymi.
B. nieprzelotową z drzwiami teleskopowymi.
C. nieprzelotową z drzwiami centralnymi.
D. przelotową z drzwiami centralnymi.
Obsługa i konserwacja urządze…
Na ilustracji przedstawiono maszynę przeznaczoną do

A. czyszczenia schodów ruchomych.
B. kasowania luzów między stopniami.
C. smarowania stopni.
D. frezowania schodów ruchomych.
Obsługa i konserwacja urządze…
Dokument, w którym zapisywane są działania związane z eksploatacją dźwigu osobowego, to
A. kalendarium prac serwisowych.
B. harmonogram konserwacji.
C. dziennik konserwacji.
D. spis sytuacji awaryjnych.
Obsługa i konserwacja urządze…
Kąt nachylenia to parametr
A. schodów ruchomych.
B. platform schodowych.
C. dźwigów towarowych małych.
D. dźwigów towarowo osobowych.
Montaż urządzeń dźwigowych
Narzędzia przedstawionego na rysunku używa się do

A. profilowania przewodów.
B. zarabiania przewodów.
C. zdejmowania izolacji.
D. wymiany pierścieni osadczych.
Obsługa i konserwacja urządze…
Element służący do regulacji natężenia przepływającej cieczy w układzie hydraulicznym urządzenia dźwigowego to
A. chwytacz.
B. dławik.
C. luzownik.
D. siłownik.
Obsługa i konserwacja urządze…
Na podstawie widoku panelu sterownika oraz wyciągu z listy kodów błędów należy stwierdzić, że
| KODY BŁĘDÓW | |
|---|---|
| BŁĄD NR | ZNACZENIE |
| -04- | STYCZNIK 201U NIE ZAŁĄCZA SIĘ |
| -08- | STYCZNIK 201N NIE ZAŁĄCZA SIĘ |
| -17- | ROZWARTY OBWÓD BEZPIECZEŃSTWA |
| -84- | ZANIK FAZY ZASILANIA |
| -98- | PRZECIĄŻENIE KABINY |

A. stycznik 201U nie załączył się.
B. wystąpił zanik fazy zasilania.
C. wystąpiło przeciążenie kabiny.
D. został rozwarty obwód bezpieczeństwa.
Montaż urządzeń dźwigowych
Którą czynność, podczas wykonywania montażu zawiesia kabiny należy wykonać jako pierwszą, po uzyskaniu wymaganej długości liny?
A. Założenie klina.
B. Zaciągnięcie klina liną.
C. Umieszczenie zacisku na linie.
D. Zabezpieczenie końcówki liny.
ELE.08 Pytanie 31
Montaż urządzeń dźwigowych
Doprowadzenie energii do oświetlenia kabiny, szybu, maszynowni i linowni powinno
A. pochodzić z zasilania zespołu napędowego.
B. być niezależne od zasilania zespołu napędowego.
C. pochodzić z awaryjnego źródła zasilania.
D. pochodzić od elektronicznego zespołu sterującego.
Obsługa i konserwacja urządze…
Skrzydła drzwi automatycznych dźwigu osobowego po rozpoczęciu zamykania i przejechaniu niewielkiego dystansu ponownie się otwierają. W celu usunięcia tej awarii konserwator powinien sprawdzić w pierwszej kolejności
A. rygiel.
B. krzywkę.
C. kurtynę świetlną.
D. kontakt drzwiowy.
Montaż urządzeń dźwigowych
Przeciwwaga w dźwigu elektrycznym służy do
A. zapewnienia sprzężenia ciernego.
B. zrównoważenia masy kabiny z udźwigiem.
C. sprzężenia prowadnic kabiny z układem napędowym.
D. zrównoważenia masy samej kabiny.
Obsługa i konserwacja urządze…
Zgodnie z tabelą przeglądy konserwacyjne dźwigów osobowych należy przeprowadzać co
| 19 | Urządzenia dla osób niepełnosprawnych | co 30 dni |
| 20 | Schody i chodniki ruchome | co 30 dni |
| 21 | Przenośniki okrężne kabinowe i platformowe | co 30 dni |
| 22 | Dźwigi do transportu osób lub ładunków, w tym dźwigi przeznaczone do zapewnienia dostępu do maszyn | co 30 dni |
| 23 | Dźwigi towarowe małe i dźwigi do transportu ładunków bez prawa wstępu osób do kabiny | co 60 dni |
| 24 | Dźwigi budowlane towarowo-osobowe | co 30 dni |
A. 90 dni.
B. 30 dni.
C. 180 dni.
D. 60 dni.
Obsługa i konserwacja urządze…
Na rysunku przedstawiono zasadę pracy pompy

A. śrubowej.
B. geometrycznej.
C. zębatej.
D. łopatkowej.
Montaż urządzeń dźwigowych
Na schemacie dźwigu hydraulicznego widoczny jest napęd

A. bezpośredni z cylindrem umieszczonym centralnie.
B. pośredni z cylindrem z boku kabiny.
C. pośredni z cylindrem z tyłu kabiny.
D. bezpośredni z cylindrem z tyłu kabiny
ELE.08 Pytanie 37
Montaż urządzeń dźwigowych
Zespół elementów pokazanych na ilustracji służy do

A. zatrzymania końcowego kabiny.
B. określenia położenia kabiny.
C. określenia szybkości kabiny.
D. zatrzymania krańcowego kabiny.
Montaż urządzeń dźwigowych
Rowek podcięty klinowy koła ciernego pokazano na rysunku
A. Rysunek 1

B. Rysunek 2

C. Rysunek 3

D. Rysunek 4

Montaż urządzeń dźwigowych
Na ilustracji przedstawiono środek ochrony indywidualnej niezbędny podczas wykonywania

A. przecinania elementów szlifierką kątową.
B. otworów w stropie z żelbetonu.
C. połączeń elementów instalacji hydraulicznej.
D. spawania gazowego.
Obsługa i konserwacja urządze…
Minimalna wartość prędkości, dla której dopuszcza się zadziałanie ogranicznika prędkości przy kabinie poruszającej się z prędkością 1 m/s, to
A. 1,10 m/s
B. 1,20 m/s
C. 1,15 m/s
D. 1.25 m/s