Filtrowanie pytań
Montaż, uruchamianie i obsług…
A. Zasady prądu roboczego - podanie stanu 1 na wejście sterownika.
B. Zasady blokady programowej sygnałów wejściowych.
C. Zasady przerwy roboczej - podanie stanu 0 na wejście sterownika.
D. Zasady blokady sygnałów wyjściowych.
Montaż, uruchamianie i obsług…
Do zamontowania na szynie DIN przedstawionego na rysunku sterownika wystarczy użyć

A. nitownicy.
B. młotka.
C. klucza nasadowego.
D. wkrętaka płaskiego.
Montaż, uruchamianie i obsług…
Których diod należy użyć do montażu układu przedstawionego na schemacie?

A. Pojemnościowych.
B. Schottky'ego.
C. Prostowniczych.
D. Zenera.
Montaż, uruchamianie i obsług…
W celu wykonania połączeń wysokonapięciowych przewodem z jednodrutowymi żyłami aluminiowymi w izolacji z polwinitu, należy wybrać przewód oznaczony jako

A. ALY-t
B. ADS-w
C. ADY-w
D. ADS-t
Montaż, uruchamianie i obsług…
Którą cyfrą na prezentowanej płycie oznaczono diodę prostowniczą?

A. 3
B. 1
C. 2
D. 4
Montaż, uruchamianie i obsług…
Do demontażu przekaźnika z szyny TH35 należy zastosować

A. klucz nasadowy.
B. klucz oczkowy.
C. wkrętak krzyżowy.
D. wkrętak płaski.
Montaż, uruchamianie i obsług…
Na podstawie danych technicznych zawartych w tabeli ustal parametry zasilania maty grzejnej.
| Nazwa produktu: | Mata grzejna 5,0 m² 170 W THERMOVAL |
| Powierzchnia grzewcza | 5,0 m² |
| Całkowita moc grzewcza | 850 W |
| Moc grzewcza / m² | 170 W |
| Napięcie zasilające | 230 V |
| Wymiary produktu | szer. 0,5 x dł. 10 m |
A. Napięcie 230 V, prąd 0,7 A
B. Napięcie 230 V, prąd 3,7 A
C. Napięcie 230 V, prąd 5,0 A
D. Napięcie 170 V, prąd 3,7 A
Montaż, uruchamianie i obsług…
Przedstawione na ilustracjach narzędzie służy do montażu

A. pierścieni Segera.
B. podkładek dystansowych.
C. zabezpieczeń E-ring.
D. kołków rozprężnych.
Montaż, uruchamianie i obsług…
Tabliczka znamionowa przedstawiona na rysunku, to tabliczka znamionowa

A. transformatora.
B. kondensatora.
C. silnika prądu przemiennego.
D. silnika prądu stałego.
Montaż, uruchamianie i obsług…
Napięcie wyjściowe przetwornika ciśnienia, przy liniowej charakterystyce przetwarzania, przyjmuje wartość z przedziału 0 ÷ 10 V dla ciśnienia z przedziału 0 ÷ 600 kPa. Jaka będzie wartość napięcia wyjściowego dla wartości ciśnienia 450 kPa?
A. 4,5 V
B. 10,0 V
C. 3,0 V
D. 7,5 V
Montaż, uruchamianie i obsług…
W regulatorze PID symbolem TI oznacza się czas
A. wyprzedzenia.
B. zdwojenia.
C. opóźnienia.
D. propagacji.
Montaż, uruchamianie i obsług…
Na przedstawionym rysunku siłownik jest połączony ze słupkiem za pomocą

A. jarzma.
B. łapy.
C. ucha.
D. kołnierza przedniego.
Montaż, uruchamianie i obsług…
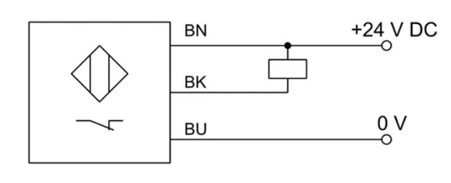
Czujnik przedstawiony na schemacie ma wyjścia sygnałowe typu

A. NPN NC
B. PNP NC
C. NPN NO
D. PNP NO
Montaż, uruchamianie i obsług…
Do pomiaru wilgotności powietrza stosuje się
A. barometr.
B. manometr.
C. termometr.
D. higrometr.
Montaż, uruchamianie i obsług…
Która z przedstawionych tabliczek znamionowych opisuje silnik elektryczny przeznaczony do pracy ciągłej?

A. Tabliczka 4.
B. Tabliczka 3.
C. Tabliczka 2.
D. Tabliczka 1.
Montaż, uruchamianie i obsług…
Którą funkcję logiczną realizuje program zapisany w pamięci sterownika PLC przedstawiony na rysunku?

A. XOR.
B. NAND.
C. OR.
D. NOR.
Montaż, uruchamianie i obsług…
W regulatorze PID symbolem Kp oznacza się współczynnik
A. propagacji.
B. zdwojenia.
C. proporcjonalności.
D. wyprzedzenia.
Montaż, uruchamianie i obsług…
Narzędzie przedstawione na rysunku to szczypce

A. płaskie.
B. uniwersalne.
C. tnące czołowe.
D. tnące boczne.
Montaż, uruchamianie i obsług…
Do wykrycia nieciągłości okablowania w komunikacyjnej sieci przemysłowej stosowany jest
A. wykrywacz przewodów.
B. miernik parametrów instalacji.
C. tester przewodów.
D. kamera termowizyjna.
Montaż, uruchamianie i obsług…
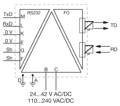
Na schemacie przedstawiono

A. przetwornik napięcia AC na prąd AC
B. regulowany wzmacniacz napięć lub prądów zmiennych.
C. konwerter łącza szeregowego na łącze światłowodowe.
D. przetwornik pomiarowy prądu lub napięcia AC
Montaż, uruchamianie i obsług…
Urządzenie przedstawione na ilustracji to

A. panel operatorski.
B. koncentrator sieciowy.
C. sterownik PLC.
D. zasilacz impulsowy.
Montaż, uruchamianie i obsług…
Aby zapewnić stałą wartość ciśnienia doprowadzanego do układu pneumatycznego, należy zastosować zawór
A. zwrotny.
B. bezpieczeństwa.
C. redukujący.
D. dławiący.
Montaż, uruchamianie i obsług…
W jaki sposób należy ustawić separator dla toru pomiarowego czujnika 0 ÷ 100°C/0 ÷ 20 mA dla wejścia sterownika PLC 0 ÷ 20 mA?

A. INPUT - 01011010, OUTPUT - 1001
B. INPUT - 01001001, OUTPUT - 0000
C. INPUT - 10001100, OUTPUT - 0000
D. INPUT - 01011010, OUTPUT - 0110
Montaż, uruchamianie i obsług…
Podczas montażu został nacięty przewód zasilający 3-fazowy silnik hydroforu. Uszkodzeniu uległy izolacja zewnętrzna oraz izolacja żyły N niepodłączonej do silnika. Które zdanie poprawnie określa możliwość użytkowania tak uszkodzonej instalacji?

A. Ta instalacja nie może być eksploatowana.
B. Mimo tego uszkodzenia instalacja może być normalnie eksploatowana.
C. Eksploatacja tej instalacji jest możliwa, ale przy uszkodzonym przewodzie trzeba umieścić tabliczkę ostrzegawczą.
D. Można tę instalację eksploatować pod warunkiem, że nie ma wycieku wody z hydroforu.
Montaż, uruchamianie i obsług…
Na podstawie stanów logicznych określ, która bramka przedstawionego na rysunku układu cyfrowego jest uszkodzona.

A. OR
B. NOT
C. NAND
D. AND
Montaż, uruchamianie i obsług…
Do bezstykowego pomiaru temperatury gniazda łożyska należy zastosować termometr
A. bimetalowy.
B. pirometryczny.
C. rozszerzalnościowy.
D. manometryczny.
Montaż, uruchamianie i obsług…
W sterowniku PLC wejścia cyfrowe oznaczane są symbolem literowym
A. AQ
B. AI
C. Q
D. I
Montaż, uruchamianie i obsług…
W której przemysłowej sieci komunikacyjnej stosowane jest urządzenie przedstawione na rysunku?

A. Profinet
B. Profibus
C. Modbus
D. DeviceNet
Montaż, uruchamianie i obsług…
Stosując zasadę stałego spadku napięcia na przewodzie zasilającym, w przypadku zwiększenia dwukrotnie odległości odbiornika od źródła zasilania należy zastosować przewód o

A. cztery razy mniejszym polu przekroju.
B. dwa razy mniejszym polu przekroju.
C. dwa razy większym polu przekroju.
D. cztery razy większym polu przekroju.
Montaż, uruchamianie i obsług…
Na rysunku przedstawiono diagram działania jednego z bloków funkcjonalnych sterownika PLC. Jest to blok

A. timera opóźniającego wyłączenie TOF
B. timera opóźniającego załączenie TON
C. licznika impulsów zliczającego w górę CTU
D. licznika impulsów zliczającego w dół CTD
Montaż, uruchamianie i obsług…
W sterowniku PLC wejścia cyfrowe oznaczane są symbolem literowym
A. I
B. AI
C. Q
D. AQ
Montaż, uruchamianie i obsług…
Który przyrząd kontrolno-pomiarowy służy do wypoziomowania skrzynki nakładanej jako osłona na zamontowany elektrozawór?
A. Kątomierz.
B. Suwmiarka.
C. Poziomnica.
D. Liniał.
Montaż, uruchamianie i obsług…
Którym z przedstawionych na rysunkach miernikiem należy się posłużyć przy testowaniu okablowania strukturalnego?
A.

B.

C.

D.

Montaż, uruchamianie i obsług…
Podczas montażu został nacięty przewód zasilający 3-fazowy silnik hydroforu. Uszkodzeniu uległy izolacja zewnętrzna oraz izolacja żyły N niepodłączonej do silnika. Które zdanie poprawnie określa możliwość użytkowania tak uszkodzonej instalacji?

A. Ta instalacja nie może być eksploatowana.
B. Mimo tego uszkodzenia instalacja może być normalnie eksploatowana.
C. Eksploatacja tej instalacji jest możliwa, ale przy uszkodzonym przewodzie trzeba umieścić tabliczkę ostrzegawczą.
D. Można tę instalację eksploatować pod warunkiem, że nie ma wycieku wody z hydroforu.
Montaż, uruchamianie i obsług…
Do wykrycia nieciągłości okablowania w komunikacyjnej sieci przemysłowej stosuje się
A. tester przewodów.
B. miernik parametrów instalacji.
C. kamerę termowizyjną.
D. wykrywacz przewodów.
Montaż, uruchamianie i obsług…
Który blok czasowy należy zastosować w programie, by realizował on bezpośrednio zależności czasowe przedstawione na rysunku?

A. TOF
B. TONR
C. TP
D. TON
Montaż, uruchamianie i obsług…
Do przykręcenia zaworu za pomocą śruby przedstawionej na rysunku należy użyć

A. klucza imbusowego.
B. wkrętaka gwiazdkowego.
C. klucza hydraulicznego nastawnego.
D. klucza „francuskiego”.
Montaż, uruchamianie i obsług…
Do montażu przewodów do złączki przedstawionej na zdjęciu należy użyć

A. klucza oczkowego.
B. klucza nasadowego.
C. wkrętaka krzyżowego.
D. wkrętaka płaskiego.
Montaż, uruchamianie i obsług…
Przedstawiony na zdjęciu czujnik jest przeznaczony do detekcji

A. pola magnetycznego.
B. temperatury.
C. naprężeń.
D. ciśnienia.
Montaż, uruchamianie i obsług…
Na którym rysunku przedstawiono symbol graficzny będący oznaczeniem napędu łącznika uruchamianego przez obrót?
A. Rysunek 3

B. Rysunek 4

C. Rysunek 2

D. Rysunek 1
