Filtrowanie pytań
Produkcja przetworów mięsnych…
A. uszkodzenie podbiły w puszce
B. rozprzestrzenianie się pleśni
C. przepełnienie konserwy
D. wzrost liczby bakterii
Produkcja wyrobów piekarskich
Z ilu linek ciasta formuje się chałkę turecką?
A. 6
B. 5
C. 7
D. 4
Produkcja wyrobów piekarskich
Wyroby takie jak bułki delikatesowe, poznańskie oraz kajzerki to
A. pszenne z mąki jasnej
B. żytnie z mąki jasnej
C. pszenne z mąki ciemnej
D. żytnie z mąki ciemnej
Produkcja wyrobów cukierniczy…
Przedstawione ciastka należą do wyrobów z ciast

A. zaparzanych.
B. kruchych.
C. biszkoptowych.
D. francuskich.
Produkcja przetworów mięsnych…
Szyja stanowi przednią część karku ćwierćtuszy wołowej przedniej i jest oddzielona z przodu po linii odcięcia głowy, a z tyłu pomiędzy
A. czwartym a piątym kręgiem szyjnym
B. trzecim a czwartym kręgiem szyjnym
C. ostatnim szyjnym a pierwszym piersiowym
D. drugim a trzecim kręgiem szyjnym
Produkcja wyrobów cukierniczy…
Ilość tłuszczu w mleku występująca w maśle ekstra wynosi mniej więcej
A. 70%
B. 99%
C. 75%
D. 82%
Produkcja wyrobów piekarskich
Urządzeniem kontrolno-pomiarowym stosowanym w piekarni do odczytywania wilgotności powietrza w magazynach surowców suchych jest
A. higrometr.
B. wakuometr.
C. manometr.
D. termometr.
Produkcja wyrobów cukierniczy…
Wskaźnik, który determinuje wysoką jakość mąki pszennej używanej do przygotowania ciasta francuskiego, to?
A. Parametry glutenu
B. Granulacja
C. Zawartość wody
D. Popiołowość
Produkcja wyrobów spożywczych…
Kefir to produkt mleczarski, który powstaje w wyniku fermentacji
A. mlekowej i alkoholowej
B. mlekowej i masłowej
C. masłowej i propionowej
D. mlekowej i propionowej
Organizacja i nadzorowanie pr…
Aparatura Parnasa Wagner’a przedstawiona na rysunku stosowana jest w klasycznej metodzie do oznaczania zawartości

A. siarki.
B. azotu.
C. sodu.
D. wapnia.
Produkcja wyrobów cukierniczy…
Wskaż wyrób cukierniczy wyprodukowany na bazie ciasta parzonego.

A. B.
B. D.
C. C.
D. A.
Produkcja wyrobów cukierniczy…
Na papierowych opakowaniach mąki dostarczonej do piekarni zauważono otwory o średnicy 2 mm oraz ślady drobnych odchodów owadów. Jak powinno się postąpić z tą mąką?
A. Przyjąć mąkę do magazynu i wykorzystać w ciągu tygodnia po przesianiu
B. Wyczyścić opakowania mąki i przyjąć do magazynu
C. Przekazać mąkę do magazynu i zutylizować opakowanie
D. Nie przyjmować całej partii mąki do zakładu produkcyjnego
Produkcja wyrobów cukierniczy…
Aby zapewnić bezpieczeństwo zdrowotne gotowego produktu – tortu z bitą śmietaną, powinno się go przechowywać w temperaturze:
A. 18÷25°C
B. -14÷-8°C
C. 0÷6°C
D. 15÷18°C
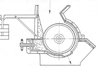
Produkcja wyrobów piekarskich
Zasadniczą częścią roboczą krajalnicy przedstawionej na ilustracji są

A. granitowe stoły.
B. podajniki taśmowe.
C. noże tnące.
D. rozdmuchiwacze torebek.
Organizacja i nadzorowanie pr…
Którą grupę surowców należy zastosować do sporządzenia ciasta biszkoptowego?
A. Mąkę, cukier kryształ, jaja.
B. Mąkę, cukier puder, margarynę.
C. Mąkę, białka jaj, cukier, kwas cytrynowy.
D. Mąkę, wodę, jaja, sól.
Produkcja wyrobów piekarskich
Zasady utrzymania łańcucha chłodniczego są istotne, kiedy przyjmuje się do magazynu
A. syrop glukozowy
B. jaja mrożone
C. miód naturalny
D. nasiona ozdobne
Produkcja wyrobów cukierniczy…
Dokumentem potwierdzającym przekazanie towaru z magazynu surowców do działu produkcji jest
A. PZ – Przyjęcie zewnętrzne
B. PW – Przyjęcie wewnętrzne
C. RZ – Rozchód zewnętrzny
D. RW – Rozchód wewnętrzny
Produkcja wyrobów cukierniczy…
Do produkcji używa się ugniatarek oraz przeciągarek
A. chałwy
B. drażetek
C. marmoladek
D. karmelków
Produkcja wyrobów piekarskich
Żółta barwa, ziarnistość i brak glutenu to cechy charakterystyczne dla mąki
A. kukurydzianej.
B. żytniej.
C. jęczmiennej.
D. pszennej.
Organizacja i nadzorowanie pr…
Która z wymienionych operacji technologicznych jest obróbką cieplną prowadzoną w środowisku wrzącej wody?
A. Suszenie.
B. Chłodzenie.
C. Prażenie.
D. Gotowanie.
Organizacja i nadzorowanie pr…
Dodatkami żywnościowymi o właściwościach żelujących są
A. karagen i ksylitol.
B. tokoferol i aspartam.
C. aspartam i agar.
D. agar i karagen.
Produkcja wyrobów spożywczych…
Pozostałości detergentów na wewnętrznych powierzchniach maszyn do wytwarzania koncentratów owocowych stanowią zagrożenie
A. radiologicznym
B. chemicznym
C. mikrobiologicznym
D. fizycznym
Organizacja i nadzorowanie pr…
Proces zamrażania poprzez zanurzenie małych porcji produktów w czynniku mroźniczym można przeprowadzić w zamrażarce
A. fluidyzacyjnej.
B. immersyjnej.
C. kontaktowej.
D. komorowej.
Produkcja wyrobów cukierniczy…
Na podstawie przedstawionej receptury oblicz, ile potrzeba cukru do zrealizowania zamówienia na 100 sztuk babek o masie 0,5 kg.
| Receptura na 1 kg babki piaskowej | |
|---|---|
| Surowiec | Ilość w g |
| Mąka pszenna | 160 |
| Mąka ziemniaczana | 150 |
| Cukier kryształ | 280 |
| Margaryna | 300 |
| Jaja | 224 |
| Cukier wanilinowy | 20 |
| Proszek do pieczenia | 6 |
A. 14 kg
B. 2 kg
C. 4 kg
D. 28 kg
Produkcja wyrobów piekarskich
Ciasto pszenne na bagietki francuskie prowadzi się metodą
A. czterofazową.
B. jednofazową.
C. pięciofazową.
D. trójfazową.
Produkcja przetworów mięsnych…
W trakcie produkcji parówek po wyborze podstawowych surowców, ich rozdrabnianiu oraz mieszaniu, następują kolejno etapy:
A. napełnianie, osadzanie, wędzenie, parzenie, chłodzenie
B. napełnianie, osadzanie, parzenie, suszenie, chłodzenie
C. osadzanie, napełnianie, wędzenie, parzenie, chłodzenie
D. napełnianie, osadzanie, wędzenie, suszenie, chłodzenie
Produkcja wyrobów cukierniczy…
Do przygotowania wafli należy użyć
A. piece komorowe
B. smażalniki automatyczne
C. żelazka wypiekowe
D. piece obrotowe
Produkcja przetworów mięsnych…
Rolady powinny zostać sklasyfikowane w grupie
A. kiełbas.
B. produktów blokowych.
C. wędzonek.
D. wędlin podrobowych.
Produkcja wyrobów piekarskich
Która z wymienionych cech jest pożądana w mące przeznaczonej do produkcji pieczywa pszennego?
A. wysoka zawartość glutenu
B. niskie właściwości wodotrzymałe
C. duża zawartość popiołu
D. wysokie zakwaszenie
Produkcja wyrobów cukierniczy…
Jakie narzędzia są używane do tworzenia napisów i falbanek z kremu na cieście?
A. zdobniki
B. foremki
C. wykrojniki
D. szablony
Produkcja wyrobów cukierniczy…
Po użyciu drobnych narzędzi cukierniczych, takich jak tylki i szpatułki, powinny być one umyte oraz koniecznie
A. czyszczone na sucho
B. wyparzane gorącą wodą
C. dezynfekowane wodą utlenioną
D. osuszane ręcznikiem papierowym
Produkcja przetworów mięsnych…
W skład kości łopatki bez golonki wchodzi kość łopatkowa z chrząstką oraz kość
A. udowa ze stawem rzepkowym
B. ramienia i fragment wyrostka łokciowego
C. strzałkowa oraz piszczelowa
D. biodrowa bez skrzydła pozostawionego przy kości biodrowej
Organizacja i nadzorowanie pr…
Sopstok – produkt powstający jako efekt uboczny w czasie rafinacji oleju, znajduje zastosowanie w produkcji
A. mydeł
B. margaryny
C. czekolady
D. benzyń
Produkcja wyrobów cukierniczy…
Do wykonania dekoracji tortu przedstawionego na ilustracji należy użyć

A. kuwertury czekoladowej.
B. masy grylażowej.
C. glazury pomadowej.
D. masy cukrowej.
Produkcja wyrobów piekarskich
Do spulchniania ciast piekarskich wykorzystuje się
A. proszek do pieczenia.
B. drożdże prasowane.
C. alkohol metylowy.
D. stabilizatory.
Organizacja i nadzorowanie pr…
Zawartość tłuszczu w produktach spożywczych oznacza się metodą
A. Walkera.
B. Gerbera.
C. Bertranda.
D. Luffa-Schoorla.
Produkcja przetworów mięsnych…
Ile mięsa wieprzowego kl. I konieczne jest do produkcji 460 kg kiełbasy rzeszowskiej, jeśli na 100 kg kiełbasy wykorzystuje się 45 kg tego surowca?
A. 207 kg
B. 262 kg
C. 102 kg
D. 154 kg
Organizacja i nadzorowanie pr…
Podstawowym czynnikiem utrwalania konfitury jest
A. zmodyfikowana atmosfera.
B. promieniowanie jonizujące.
C. skroplony azot.
D. ciśnienie osmotyczne.
Produkcja przetworów mięsnych…
Solanka do peklowania wykorzystywana w metodzie tradycyjnej, oprócz wody i soli, powinna zawierać
A. białko sojowe
B. kwas cytrynowy
C. azotan sodu
D. glutaminian sodu
Produkcja wyrobów piekarskich
Wskaż obowiązującą w piekarnictwie kolejność sporządzania ciasta mieszanego metodą „na kwasie”.
A. Zaczyn, kwas, podmłoda, roszczyn, ciasto.
B. Zaczyn, przedkwas, półkwas, kwas, ciasto.
C. Zaczyn, kwas, podmłoda, ciasto.
D. Zaczyn, przedkwas, zaczyn, ciasto.